Производство, продажа и
поставка ЖБИ по России и СНГ
Навигация
Код товара:
970 руб.
цена с НДС*

ГОСТ 6665-63

Краткие характеристики
Длина, мм
1000
Ширина, мм
180
Высота, мм
450
Вес, кг
202

Все характеристики
Длина, мм
1000
Ширина, мм
180
Высота, мм
450
Вес, кг
202
Количество в квадратом метре, шт
5,56
Нормы погрузки на авто
99
Нормы погрузки ЖД
341
Ссылка на стандарт
https://disk.yandex.ru/d/cutkNwz2Cl_SVw
Расход стали, кг
0
Расход стали на 1м3 бетона, кг
0,00
Класс прочности
В30
Марка бетона
М400
Морозостойкость
F200-F400
Водонепроницаемость
W10-W12
Марка бетона по EN 206-1
C25/30
Геометрический объем
0,081
Объем бетона
0,08

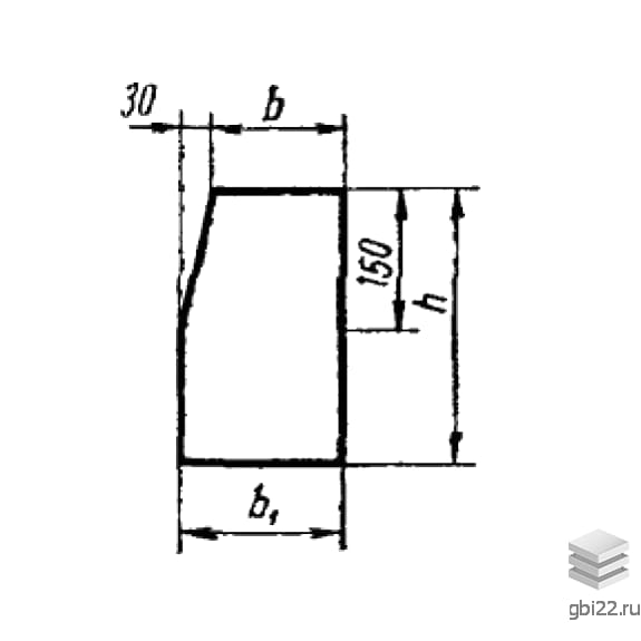
Камень прямой рядовой П 3 (ГОСТ 6665-63)

Камень прямой рядовой П 3 – это универсальное строительное изделие прямоугольной формы с скошенным углом. Лицевая поверхность камня всегда гладкая, ровная и чистая. Эти детали разработаны в соответствии с ГОСТ 6665-63, где представлены их рабочие чертежи.

Расшифровка маркировки

П – тип конструкции (камень прямой рядовой);

3 – типоразмер.

Камни прямые рядовые П 3 (ГОСТ 6665-63) являются важными элементами, используемыми для разделения проезжей части внутриквартальных проездов и магистральных улиц от тротуаров и газонов, а также для отделения пешеходных дорожек от газонов в городских парках. Эти универсальные конструкции не только практичны и долговечны, но и могут выполнять декоративные функции.

Основные характеристики

Длина: 1000 мм

Ширина: 180 мм

Высота: 450 мм

Вес: 202 кг

Марка бетона: М400

Качество и контроль

На одной из боковых сторон каждого камня наносится маркировка в виде штампа с использованием черной влагоустойчивой краски. Важно, чтобы марка была четкой и хорошо видимой. На каждом изделии также указывается дата выпуска, номер партии, логотип производителя, вес конструкции и штамп ОТК.

Выпуск всех железобетонных изделий осуществляется на специализированных предприятиях с соблюдением всех требований проектной документации. Камни должны полностью соответствовать стандартам ГОСТ 6665-63 и быть изготовлены из прочного бетона марки от М400 до М400. Показатель морозостойкости устанавливается в пределах от Мрз100 до Мрз200 в зависимости от климатических условий.

Армирование и защита

Для повышения прочности изделия армируются стержневой арматурой (напряженной и ненапряженной) и арматурной проволокой в соответствии с действующими нормами. Производитель обязан проводить обработку от коррозии специальными растворами. Отпускная прочность бетона должна составлять не менее 100% в зимний период и не ниже 70% в теплое время года.

Проверка и хранение

Итоговая проверка на прочность и трещиностойкость является важным этапом. Все геометрические параметры и возможные отклонения проверяются согласно проектным чертежам. Индустриальные конструкции принимаются партиями, а в случае обнаружения брака изделия проверяются поштучно. Камни, прошедшие все необходимые проверки, получают сертификат соответствия и подписываются уполномоченным лицом.

Камни прямые рядовые П 3 (ГОСТ 6665-63) хранятся на организованных территориях. Изделия укладываются в штабеля в горизонтальном положении с использованием деревянных подкладок и прокладок между рядами. Транспортировка осуществляется как в открытых вагонах, так и на грузовых автомобилях с крепежными механизмами. Погрузочно-разгрузочные операции должны проводиться с осторожностью и соблюдением техники безопасности. Камни нельзя сбрасывать или перетаскивать по земле.

Готовая партия железобетонных конструкций поставляется заказчику с необходимой технической документацией.

Стандарт
ГОСТ
Номер стандарта
6665-63
Статус
действует
Год выпущенного стандарта
1964
Название стандарта
Камни бетонные бортовые.
Название Длина, ммШирина, ммВысота, ммВес, кгНомер стандарта Цена
80080200286665-91
132 руб.
800300150806665-91
378 руб.
100080200406665-82
304 руб.
50070210186665-91
85 руб.
100070220336665-91
156 руб.
2940160802306665-91
936 руб.
10003001501006665-91
480 руб.
10002006002706665-91
1 604 руб.
10001804502006665-91
1 223 руб.
10001503001006665-91
462 руб.
10002903001336665-91
705 руб.
3000290300340320-069.86
3 738 руб.
3000290300400320-069.86
2 484 руб.
74015030072320-069.86
792 руб.
7408020028320-069.86
308 руб.
600150300640320-069.86
7 037 руб.
3000150300320320-069.86
1 733 руб.
74018030089320-069.86
979 руб.
74018030089320-069.86
979 руб.
74018030089320-069.86
979 руб.
74018030089320-069.86
979 руб.
2908028512320-069.86
132 руб.
74015030060320-069.86
660 руб.
74015030060320-069.86
660 руб.
74015030048320-069.86
528 руб.
60003203007906665-91
5 032 руб.
30003203004106665-91
2 639 руб.
30002903003406665-91
2 280 руб.
30003203004706665-91
2 895 руб.
30002903004006665-91
2 548 руб.
600020060017606665-91
10 371 руб.
600020060017606665-91
10 371 руб.
600018045011706665-91
7 013 руб.
600018045011706665-91
7 013 руб.
60001803007706665-91
4 717 руб.
30002006008806665-91
4 366 руб.
30001804505806665-91
3 031 руб.
30001803003806665-91
2 029 руб.
30001503003206665-91
1 776 руб.
10001803001206665-91
613 руб.
10001503001006665-91
242 руб.
100080200406665-91
189 руб.
300093032013706665-91
8 854 руб.
300068032010506665-91
6 856 руб.
3000118032016906665-91
10 853 руб.
10002103001406665-91
672 руб.
10002103001406665-91
672 руб.
10002103001406665-91
672 руб.
10001803001206665-91
576 руб.
10001803001206665-91
576 руб.
Полный каталог
Название Длина, ммШирина, ммВысота, ммВес, кгНомер стандарта Цена
40080200156665-63
171 руб.
630180300756665-63
853 руб.
630150300506665-63
569 руб.
100080200406665-63
163 руб.
10002006003006665-63
1 440 руб.
10001803001206665-63
576 руб.
10001503001006665-63
480 руб.
10001803001206665-63
576 руб.
10001503001106665-63
528 руб.
10001803001206665-63
576 руб.
10001803001206665-63
576 руб.
10001503001106665-63
528 руб.
10001803001206665-63
576 руб.
10001803001206665-63
576 руб.
10001503001106665-63
528 руб.
10001803001206665-63
576 руб.
10001803001206665-63
576 руб.
10001503001106665-63
528 руб.
10001803001206665-63
576 руб.
10001803001206665-63
576 руб.
10001503001006665-63
480 руб.

ТД "Еврастрой" предлагает купить Бордюры рядовые П 3 по выгодной цене. Наша компания осуществляет доставку продукции по всей территории России и странам СНГ.

В каталоге представлено около 170 тыс. позиций.

По наличию и ценам Мы можем проконсультировать Вас по телефону +7 (343) 300-90-87 или можете отправить запрос на почтовый ящик gbi@gbi22.ru.

Оплатить продукцию можно в рассрочку, для обсуждения вопросов оплаты так же можно обратиться к нашим менеджерам.

Продажа ЖБИ изделий производится с заводов в таких городах как:

  • Екатеринбург
  • Тюмень
  • Красноярск
  • Новосибирск
  • Иркутск
  • Ростов-на-дону
  • Нижний Новгород
  • Казань
  • Москва

Наши менеджеры помогут Вам подобрать оптимальное решения для ваших задач, сориентируют по наличию и ценам, расскажут про оптимальные варианты доставки и оплаты. Звоните +7 (343) 300-90-87

970 руб.
цена с НДС*
Наличие: нет
шт.
Перейти в корзину

Оформить заказ
Рассрочка
Рассказать друзьям: