В вашей корзине ещё нет товаров.
|
|||||||||
| Количество в квадратом метре, шт | 5,00 | ||||||||
| Нормы погрузки на авто | 66 | ||||||||
| Нормы погрузки ЖД | 230 | ||||||||
| Ссылка на стандарт | https://disk.yandex.ru/d/cutkNwz2Cl_SVw | ||||||||
| Расход стали, кг | 0 |
| Расход стали на 1м3 бетона, кг | 0,00 |
| Класс прочности | В30 |
| Марка бетона | М400 |
| Морозостойкость | F200-F400 |
| Водонепроницаемость | W10-W12 |
| Марка бетона по EN 206-1 | C25/30 |
| Геометрический объем | 0,120 |
| Объем бетона | 0,12 |
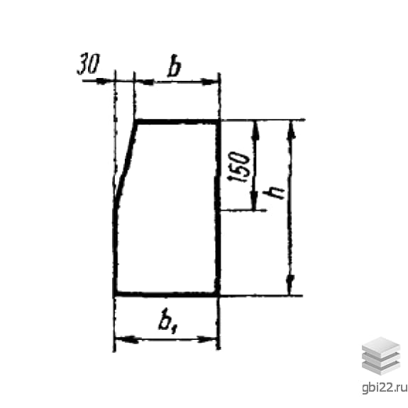
Камень прямой рядовой П 4 – это универсальное строительное изделие прямоугольной формы с скошенным углом. Лицевая поверхность камня всегда ровная, чистая и гладкая. Эти детали разработаны в соответствии с ГОСТ 6665-63, где представлены их рабочие чертежи.
Расшифровка маркировки П 4 (ГОСТ 6665-63):
П – тип конструкции (камень прямой рядовой);
4 – типоразмер.
Эти строительные изделия являются важными элементами, используемыми для разграничения проезжей части внутриквартальных проездов и магистральных улиц от тротуаров и газонов, а также для отделения пешеходных дорожек от газонов в городских парках. Универсальные конструкции не только практичны и долговечны, но и могут выполнять декоративную функцию.
На одной из боковых сторон каждого камня наносится маркировочная надпись в виде штампа с использованием черной влагоустойчивой краски. Марка должна быть четко видна на каждом изделии. Важно, чтобы на каждом элементе была указана дата выпуска, номер партии, логотип производителя, вес конструкции, а также ставился штамп ОТК.
Камни прямые рядовые П 4 (ГОСТ 6665-63) должны полностью соответствовать всем требованиям ГОСТ 6665-63. Изделия изготавливаются из прочного бетона марки от М400 до М400. Показатель морозостойкости зависит от климатических условий и устанавливается в пределах от Мрз100 до Мрз200.
Дополнительную прочность изделиям придает армирование. Камни армируются стержневой арматурой (напряженной и ненапряженной), а также арматурной проволокой в соответствии с действующими нормами. Производитель должен организовать обработку от коррозии специальными растворами.
Отпускная прочность бетона должна составлять не менее 100% в зимний период и не ниже 70% в теплое время года. Итоговая проверка на прочность и трещиностойкость является важным этапом. Все геометрические параметры и возможные отклонения проверяются согласно проектным чертежам. Изделия принимаются партиями, а в случае обнаружения брака – поштучно. Камни, прошедшие все проверки, снабжаются сертификатом соответствия и подписываются уполномоченным лицом.
Камни прямые рядовые П 4 (ГОСТ 6665-63) хранятся на организованных территориях. Изделия укладываются в штабеля в горизонтальном положении с использованием деревянных подкладок между рядами. Все конструкции раскладываются по маркам и номерам партий. Транспортировка осуществляется как в открытых вагонах, так и на грузовых автомобилях с крепежными механизмами. Погрузочно-разгрузочные операции должны проводиться с осторожностью и соблюдением правил безопасности. Камни нельзя сбрасывать или перетаскивать по земле.
Длина: 1000 мм
Ширина: 200 мм
Высота: 600 мм
Вес: 300 кг
Марка бетона: М400
| Стандарт | ГОСТ |
| Номер стандарта | 6665-63 |
| Статус | действует |
| Год выпущенного стандарта | 1964 |
| Название стандарта | Камни бетонные бортовые. |
| Название | Длина, мм | Ширина, мм | Высота, мм | Вес, кг | Номер стандарта | Цена | |
|---|---|---|---|---|---|---|---|
| 800 | 80 | 200 | 28 | 6665-91 |
132 руб. |
||
| 800 | 300 | 150 | 80 | 6665-91 |
378 руб. |
||
| 1000 | 80 | 200 | 40 | 6665-82 |
304 руб. |
||
| 500 | 70 | 210 | 18 | 6665-91 |
85 руб. |
||
| 1000 | 70 | 220 | 33 | 6665-91 |
156 руб. |
||
| 2940 | 160 | 80 | 230 | 6665-91 |
936 руб. |
||
| 1000 | 300 | 150 | 100 | 6665-91 |
480 руб. |
||
| 1000 | 200 | 600 | 270 | 6665-91 |
1 604 руб. |
||
| 1000 | 180 | 450 | 200 | 6665-91 |
1 223 руб. |
||
| 1000 | 150 | 300 | 100 | 6665-91 |
462 руб. |
||
| 1000 | 290 | 300 | 133 | 6665-91 |
705 руб. |
||
| 3000 | 290 | 300 | 340 | 320-069.86 |
3 738 руб. |
||
| 3000 | 290 | 300 | 400 | 320-069.86 |
2 484 руб. |
||
| 740 | 150 | 300 | 72 | 320-069.86 |
792 руб. |
||
| 740 | 80 | 200 | 28 | 320-069.86 |
308 руб. |
||
| 600 | 150 | 300 | 640 | 320-069.86 |
7 037 руб. |
||
| 3000 | 150 | 300 | 320 | 320-069.86 |
1 733 руб. |
||
| 740 | 180 | 300 | 89 | 320-069.86 |
979 руб. |
||
| 740 | 180 | 300 | 89 | 320-069.86 |
979 руб. |
||
| 740 | 180 | 300 | 89 | 320-069.86 |
979 руб. |
||
| 740 | 180 | 300 | 89 | 320-069.86 |
979 руб. |
||
| 290 | 80 | 285 | 12 | 320-069.86 |
132 руб. |
||
| 740 | 150 | 300 | 60 | 320-069.86 |
660 руб. |
||
| 740 | 150 | 300 | 60 | 320-069.86 |
660 руб. |
||
| 740 | 150 | 300 | 48 | 320-069.86 |
528 руб. |
||
| 6000 | 320 | 300 | 790 | 6665-91 |
5 032 руб. |
||
| 3000 | 320 | 300 | 410 | 6665-91 |
2 639 руб. |
||
| 3000 | 290 | 300 | 340 | 6665-91 |
2 280 руб. |
||
| 3000 | 320 | 300 | 470 | 6665-91 |
2 895 руб. |
||
| 3000 | 290 | 300 | 400 | 6665-91 |
2 548 руб. |
||
| 6000 | 200 | 600 | 1760 | 6665-91 |
10 371 руб. |
||
| 6000 | 200 | 600 | 1760 | 6665-91 |
10 371 руб. |
||
| 6000 | 180 | 450 | 1170 | 6665-91 |
7 013 руб. |
||
| 6000 | 180 | 450 | 1170 | 6665-91 |
7 013 руб. |
||
| 6000 | 180 | 300 | 770 | 6665-91 |
4 717 руб. |
||
| 3000 | 200 | 600 | 880 | 6665-91 |
4 366 руб. |
||
| 3000 | 180 | 450 | 580 | 6665-91 |
3 031 руб. |
||
| 3000 | 180 | 300 | 380 | 6665-91 |
2 029 руб. |
||
| 3000 | 150 | 300 | 320 | 6665-91 |
1 776 руб. |
||
| 1000 | 180 | 300 | 120 | 6665-91 |
613 руб. |
||
| 1000 | 150 | 300 | 100 | 6665-91 |
242 руб. |
||
| 1000 | 80 | 200 | 40 | 6665-91 |
189 руб. |
||
| 3000 | 930 | 320 | 1370 | 6665-91 |
8 854 руб. |
||
| 3000 | 680 | 320 | 1050 | 6665-91 |
6 856 руб. |
||
| 3000 | 1180 | 320 | 1690 | 6665-91 |
10 853 руб. |
||
| 1000 | 210 | 300 | 140 | 6665-91 |
672 руб. |
||
| 1000 | 210 | 300 | 140 | 6665-91 |
672 руб. |
||
| 1000 | 210 | 300 | 140 | 6665-91 |
672 руб. |
||
| 1000 | 180 | 300 | 120 | 6665-91 |
576 руб. |
||
| 1000 | 180 | 300 | 120 | 6665-91 |
576 руб. |
| Название | Длина, мм | Ширина, мм | Высота, мм | Вес, кг | Номер стандарта | Цена | |
|---|---|---|---|---|---|---|---|
| 400 | 80 | 200 | 15 | 6665-63 |
171 руб. |
||
| 630 | 180 | 300 | 75 | 6665-63 |
853 руб. |
||
| 630 | 150 | 300 | 50 | 6665-63 |
569 руб. |
||
| 1000 | 80 | 200 | 40 | 6665-63 |
163 руб. |
||
| 1000 | 180 | 450 | 202 | 6665-63 |
970 руб. |
||
| 1000 | 180 | 300 | 120 | 6665-63 |
576 руб. |
||
| 1000 | 150 | 300 | 100 | 6665-63 |
480 руб. |
||
| 1000 | 180 | 300 | 120 | 6665-63 |
576 руб. |
||
| 1000 | 150 | 300 | 110 | 6665-63 |
528 руб. |
||
| 1000 | 180 | 300 | 120 | 6665-63 |
576 руб. |
||
| 1000 | 180 | 300 | 120 | 6665-63 |
576 руб. |
||
| 1000 | 150 | 300 | 110 | 6665-63 |
528 руб. |
||
| 1000 | 180 | 300 | 120 | 6665-63 |
576 руб. |
||
| 1000 | 180 | 300 | 120 | 6665-63 |
576 руб. |
||
| 1000 | 150 | 300 | 110 | 6665-63 |
528 руб. |
||
| 1000 | 180 | 300 | 120 | 6665-63 |
576 руб. |
||
| 1000 | 180 | 300 | 120 | 6665-63 |
576 руб. |
||
| 1000 | 150 | 300 | 110 | 6665-63 |
528 руб. |
||
| 1000 | 180 | 300 | 120 | 6665-63 |
576 руб. |
||
| 1000 | 180 | 300 | 120 | 6665-63 |
576 руб. |
||
| 1000 | 150 | 300 | 100 | 6665-63 |
480 руб. |
ТД "Еврастрой" предлагает купить Бордюры рядовые П 4 по выгодной цене. Наша компания осуществляет доставку продукции по всей территории России и странам СНГ.
В каталоге представлено около 170 тыс. позиций.
По наличию и ценам Мы можем проконсультировать Вас по телефону +7 (343) 300-90-87 или можете отправить запрос на почтовый ящик gbi@gbi22.ru.
Оплатить продукцию можно в рассрочку, для обсуждения вопросов оплаты так же можно обратиться к нашим менеджерам.
Продажа ЖБИ изделий производится с заводов в таких городах как:
Наши менеджеры помогут Вам подобрать оптимальное решения для ваших задач, сориентируют по наличию и ценам, расскажут про оптимальные варианты доставки и оплаты. Звоните +7 (343) 300-90-87
