Производство, продажа и
поставка ЖБИ по России и СНГ
Навигация
Кольца колодцев стеновые К 15-5 и
Код товара:
4 294 руб.
цена с НДС*

альбом ПС 334

Краткие характеристики
Длина, мм
1740
Ширина, мм
1740
Высота, мм
500
Вес, кг
730

Все характеристики
Длина, мм
1740
Ширина, мм
1740
Высота, мм
500
Вес, кг
730
Количество в квадратом метре, шт
0,33
Нормы погрузки на авто
14
Нормы погрузки ЖД
21
Ссылка на стандарт
https://disk.yandex.ru/d/TLocTj1IZwwnyw
Расход стали, кг
7,36
Расход стали на 1м3 бетона, кг
25,21
Класс прочности
В22,5
Марка бетона
М300
Морозостойкость
F150-F300
Водонепроницаемость
W6-W8
Марка бетона по EN 206-1
C18/22
Геометрический объем
1,514
Объем бетона
0,29

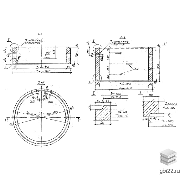
Железобетонные кольца колодцев К 15-5 и ПС 334

Маркировка изделий

Кольца К 15-5 и ПС 334 — стандартные элементы для обустройства горловин смотровых колодцев. Их маркировка расшифровывается так:

  • К — кольцо горловины;
  • 15 — внутренний диаметр (15 дм);
  • 5 — высота (5 дм).

На изделиях также указывают дату выпуска, клеймо производителя и отметку о прохождении испытаний. Маркировка наносится на поверхность бетона по утвержденным шаблонам.

Основные характеристики

Кольца изготавливают из тяжелого бетона марки В22,5 (М300) с повышенными показателями:

  • водонепроницаемость — W6;
  • морозостойкость — F100.

Армирование выполняется стальными каркасами классов А-І и А-ІІІ с антикоррозийной защитой. Соединения элементов — контактно-точечная сварка.

Применение

Кольца используют для строительства:

  • смотровых колодцев;
  • дождеприемных и водосточных систем;
  • инженерных коммуникаций.

Конструкция позволяет создавать линейные и поворотные колодцы с присоединениями. Монтаж осуществляется совместно с опорными плитами и перекрытиями.

Производство и контроль качества

Изделия производят в опалубках по стандартам альбома ПС-334. Готовые кольца должны соответствовать требованиям:

  • прочность: 70% (летом) и 90% (зимой) от проектной;
  • отсутствие трещин, сколов и дефектов поверхности.

Хранение и транспортировка

Кольца хранят вертикально в 2 яруса на деревянных прокладках. Перевозка — спецтехникой с креплением за монтажные петли. Доставка осуществляется комплектами для сборки колодцев.

Технические параметры:

  • Длина: 1740 мм
  • Ширина: 1740 мм
  • Высота: 500 мм
  • Вес: 730 кг
  • Марка бетона: М300 (В22,5)
Стандарт
альбом
Номер стандарта
ПС 334
Статус
не определен
Год выпущенного стандарта
1997
Название стандарта
Сборные железобетонные конструкции элементов колодцев на подземных трубопроводах. Рабочие чертежи.
Название Длина, ммШирина, ммВысота, ммВес, кгНомер стандарта Цена
27002500119023208020-2016
25 587 руб.
27002500119023208020-2016
20 155 руб.
2700250089017208020-2016
18 415 руб.
2700250059011508020-2016
14 221 руб.
22002000299047508020-2016
36 981 руб.
22002000249039608020-2016
30 638 руб.
22002000178028308020-2016
24 009 руб.
22002000178028308020-2016
21 792 руб.
22002000119016808020-2016
15 519 руб.
22002000119016808020-2016
15 853 руб.
2200200089014108020-2016
20 941 руб.
2200200089014108020-2016
18 308 руб.
2200200089014108020-2016
14 210 руб.
2200200089014108020-2016
10 850 руб.
220020005909308020-2016
8 555 руб.
220020005909308020-2016
7 146 руб.
220020002904508020-2016
5 711 руб.
16801500269028808020-2016
25 484 руб.
16801500179019208020-2016
16 632 руб.
16801500179019208020-2016
15 297 руб.
16801500179019208020-2016
12 943 руб.
168015008909608020-2016
10 951 руб.
168015008909608020-2016
9 575 руб.
168015008909608020-2016
8 467 руб.
168015008909608020-2016
6 466 руб.
168015005906208020-2016
7 878 руб.
168015005906208020-2016
7 408 руб.
168015005906208020-2016
5 544 руб.
168015002903108020-2016
3 856 руб.
141012508907008020-2016
9 750 руб.
141012508907008020-2016
8 383 руб.
141012508907008020-2016
6 234 руб.
141012505905008020-2016
4 103 руб.
11601000178011508020-2016
10 093 руб.
11601000178011508020-2016
8 115 руб.
116010008905708020-2016
5 304 руб.
116010008905708020-2016
5 337 руб.
116010008905708020-2016
4 050 руб.
116010005903808020-2016
3 569 руб.
116010002901608020-2016
3 031 руб.
8407008903608020-2016
3 577 руб.
8407005902408020-2016
2 422 руб.
8407002901208020-2016
1 767 руб.
70070250160,000ПС 103
1 002 руб.
70070990420,000ПС 103
2 486 руб.
70070495210,000ПС 103
1 275 руб.
7007014563,000ПС 103
947 руб.
2700270089022008020-90
12 494 руб.
2700270059012008020-90
7 383 руб.
220022002904758020-90
5 942 руб.
Полный каталог
Название Длина, ммШирина, ммВысота, ммВес, кгНомер стандарта Цена
14501450140330ПС 334
4 710 руб.
161516152501010ПС 334
10 943 руб.
7351470400460ПС 334
3 636 руб.
1200900600485ПС 334
3 322 руб.
860860500253ПС 334
1 769 руб.
8608601000458ПС 334
3 425 руб.
86086015069ПС 334
1 047 руб.
86086010045ПС 334
779 руб.
8608608036ПС 334
678 руб.
1740174010001462ПС 334
8 501 руб.
1470147010001130ПС 334
6 860 руб.
12001200500413ПС 334
2 644 руб.
120012001000828ПС 334
5 361 руб.

ТД "Еврастрой" предлагает купить Кольца колодцев стеновые К 15-5 и по выгодной цене. Наша компания осуществляет доставку продукции по всей территории России и странам СНГ.

В каталоге представлено около 170 тыс. позиций.

По наличию и ценам Мы можем проконсультировать Вас по телефону +7 (343) 300-90-87 или можете отправить запрос на почтовый ящик gbi@gbi22.ru.

Оплатить продукцию можно в рассрочку, для обсуждения вопросов оплаты так же можно обратиться к нашим менеджерам.

Продажа ЖБИ изделий производится с заводов в таких городах как:

  • Екатеринбург
  • Тюмень
  • Красноярск
  • Новосибирск
  • Иркутск
  • Ростов-на-дону
  • Нижний Новгород
  • Казань
  • Москва

Наши менеджеры помогут Вам подобрать оптимальное решения для ваших задач, сориентируют по наличию и ценам, расскажут про оптимальные варианты доставки и оплаты. Звоните +7 (343) 300-90-87

4 294 руб.
цена с НДС*
Наличие: нет
шт.
Перейти в корзину

Оформить заказ
Рассрочка
Рассказать друзьям: