В вашей корзине ещё нет товаров.
| Цена за 1м3, руб | 23 124 с НДС* |
|
|||||||||
| Количество в квадратом метре, шт | 0,11 | ||||||||
| Нормы погрузки на авто | СПЕЦАВТО | ||||||||
| Нормы погрузки ЖД | 3 | ||||||||
| Ссылка на стандарт | https://disk.yandex.ru/d/tu11y2xHMeoxZw | ||||||||
| Расход стали, кг | 233,8 |
| Расход стали на 1м3 бетона, кг | 97,42 |
| Класс прочности | В25 |
| Марка бетона | М350 |
| Морозостойкость | F200-F300 |
| Водонепроницаемость | W8-W10 |
| Марка бетона по EN 206-1 | C20/25 |
| Геометрический объем | 30,240 |
| Объем бетона | 2,40 |
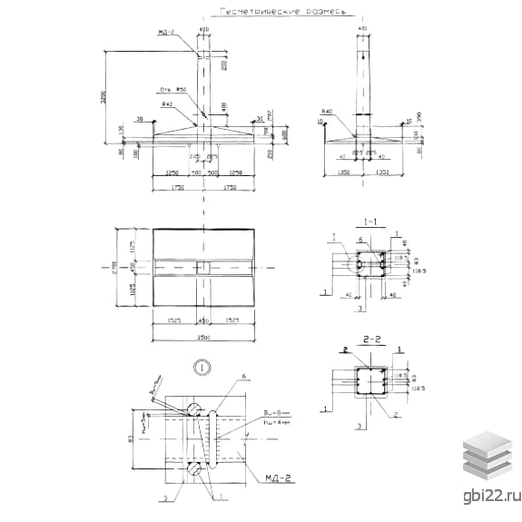
Фундамент АФС 1 (ИНВ 12981тм-т1) представляет собой высокопрочный специализированный строительный элемент. Он состоит из двух частей:
Первая часть – плита основания прямоугольной формы с трапециевидным поперечным сечением.
Вторая часть – вытянутая прямоугольная стойка, расположенная в центре плиты основания.
Эти унифицированные фундаменты применяются для установки оттяжек опор высоковольтных линий 500 кВ. Они стали популярными благодаря своим конструктивным особенностям, что делает их экономически целесообразными.
Фундаменты позволяют увеличить срок службы узлов оттяжек, поднимая их над землёй и уменьшая воздействие атмосферных осадков и грунтовых вод. Это также облегчает мониторинг коррозионного износа узла и выполнение необходимых защитных мероприятий.
Допустимые варианты заглубления: 2,5 и 3 метра. При проектировании учитывались требования и рекомендации Серии 3.407-115.
Маркировочные знаки на поверхности изделий помогают легко идентифицировать необходимые строительные материалы и отражают ключевые характеристики конструкций. Расшифровка символов АФС 1 (ИНВ 12981тм-т1) следующая:
1. А – буквенный индекс, указывающий на принадлежность конструкций к нормативному документу ИНВ 12981тм;
2. ФС – тип конструкции, обозначающий анкерный фундамент;
3. 1 – порядковый номер типоразмера изделия.
Наличие буквы «А» в конце маркировки указывает на использование конструкций под анкерно-угловые опоры. Изменение маркировки запрещено.
Подробное описание процесса производства фундаментов АФС 1 (ИНВ 12981тм-т1) можно найти в нормативном документе ИНВ 12981тм, где указаны требования к материалам и рабочие чертежи конструкций.
Основное сырьё: бетон класса В25. Физико-химические характеристики, такие как водонепроницаемость и морозостойкость, подбираются индивидуально в зависимости от климатических условий региона строительства.
Конструкции армируются сварными сетками и отдельными стержнями, для чего используется сталь класса AIII марки 35ГС и AI марок СТ3сп и СТ3пс. Закладная деталь в верхней части фундамента изготавливается из полосовой стали марки С255, а приварка осуществляется электродами марки 346А.
Для упрощения подъёма и монтажа в теле изделия предусмотрена строповочная петля из гладкой стали класса AI диаметром 20 мм. Обязательно применение противокоррозионных составов для защиты металлических элементов, что продлевает срок службы.
После достижения отпускной прочности необходимо провести контрольные испытания, результаты которых фиксируются в документации, предоставляемой заказчику с готовой продукцией.
Складирование и транспортировка фундаментов АФС 1 (ИНВ 12981тм-т1) должны осуществляться с соблюдением правил техники безопасности и требований СНиП III-B.3-62. Укладка производится по специальным схемам, исключающим механические повреждения.
Для погрузочно-разгрузочных работ следует использовать специализированную технику с захватными механизмами. Важно проводить контроль качества на всех этапах: производства, приемки, транспортировки и хранения железобетонных конструкций.
Длина: 3500 мм
Ширина: 2700 мм
Высота: 3200 мм
Вес: 6000 кг
Марка бетона: М350
| Стандарт | ИНВ |
| Номер стандарта | 12981тм-т1 |
| Статус | не определен |
| Год выпущенного стандарта | 2002 |
| Название стандарта | Разработка анкерующих устройств для оттяжек опор ВЛ 500 кВ с узлом крепления над поверхностью грунта (замена анкерных плит и U-образных болтов на специальные анкерные фундаменты). |
| Название | Длина, мм | Ширина, мм | Высота, мм | Вес, кг | Номер стандарта | Цена | |
|---|---|---|---|---|---|---|---|
| 4500 | 2700 | 3200 | 7000 | 12981тм-т1 |
65 132 руб. |
||
| 2700 | 2700 | 3200 | 5600 | 12981тм-т1 |
44 067 руб. |
||
| 2400 | 2400 | 3200 | 4480 | 12981тм-т1 |
45 478 руб. |
||
| 1800 | 1800 | 3200 | 3000 | 12981тм-т1 |
26 781 руб. |
| Название | Длина, мм | Ширина, мм | Высота, мм | Вес, кг | Номер стандарта | Цена | |
|---|---|---|---|---|---|---|---|
| 4500 | 2700 | 3200 | 7000 | 12981тм-т1 |
65 132 руб. |
||
| 2700 | 2700 | 3200 | 5600 | 12981тм-т1 |
44 067 руб. |
||
| 2400 | 2400 | 3200 | 4480 | 12981тм-т1 |
45 478 руб. |
||
| 1800 | 1800 | 3200 | 3000 | 12981тм-т1 |
26 781 руб. |
ТД "Еврастрой" предлагает купить Фундаменты анкерные АФС 1 по выгодной цене. Наша компания осуществляет доставку продукции по всей территории России и странам СНГ.
В каталоге представлено около 170 тыс. позиций.
По наличию и ценам Мы можем проконсультировать Вас по телефону +7 (343) 300-90-87 или можете отправить запрос на почтовый ящик gbi@gbi22.ru.
Оплатить продукцию можно в рассрочку, для обсуждения вопросов оплаты так же можно обратиться к нашим менеджерам.
Продажа ЖБИ изделий производится с заводов в таких городах как:
Наши менеджеры помогут Вам подобрать оптимальное решения для ваших задач, сориентируют по наличию и ценам, расскажут про оптимальные варианты доставки и оплаты. Звоните +7 (343) 300-90-87
