В вашей корзине ещё нет товаров.
| Цена за 1м3, руб | 14 261 с НДС* |
|
|||||||||
| Количество в квадратом метре, шт | 0,31 | ||||||||
| Нормы погрузки на авто | 5 | ||||||||
| Нормы погрузки ЖД | 14 | ||||||||
| Ссылка на стандарт | https://disk.yandex.ru/d/Bslzu9s8LHxzyg | ||||||||
| Расход стали, кг | 36,9 |
| Расход стали на 1м3 бетона, кг | 23,06 |
| Класс прочности | В15 |
| Марка бетона | М200 |
| Морозостойкость | F100-F200 |
| Водонепроницаемость | W4-W6 |
| Марка бетона по EN 206-1 | C12/15 |
| Геометрический объем | 2,916 |
| Объем бетона | 1,60 |
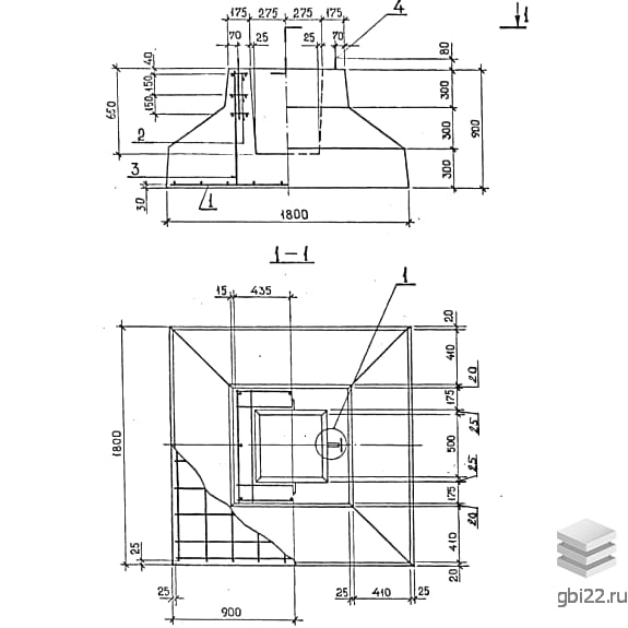
Железобетонные фундаменты типа «стакан» маркируются по ГОСТ 24476-80. Обозначение 2Ф 18-9-1 содержит ключевые параметры:
Маркировка наносится на боковые грани стойкой краской и включает дату производства, завод-изготовитель и объем изделия.
Фундаменты 2Ф 18-9-1 представляют собой квадратные ЖБИ с полым стаканом для монтажа колонн и расширенной подошвой для устойчивости. Применяются в каркасных зданиях:
Изготовление ведется в металлических или неметаллических формах с соблюдением ГОСТ 24476-80. Технология включает:
ЖБИ перевозят в горизонтальном положении с фиксацией на деревянных поддонах. На складе допускается штабелирование:
Для монтажа используются закладные строповочные петли и спецтехника.
| Стандарт | ГОСТ |
| Номер стандарта | 24476-80 |
| Статус | действует |
| Год выпущенного стандарта | 1982 |
| Название стандарта | Фундаменты железобетонные сборные под колонны каркаса межвидового применения для многоэтажных зданий. Технические условия. |
| Название | Длина, мм | Ширина, мм | Высота, мм | Вес, кг | Номер стандарта | Цена | |
|---|---|---|---|---|---|---|---|
| 1200 | 1200 | 1050 | 2470 | 1.020.1-3пв |
17 824 руб. |
||
| 1200 | 1200 | 1050 | 2470 | 1.020.1-3пв |
14 288 руб. |
||
| 1200 | 1200 | 900 | 2270 | 1.020.1-3пв |
15 134 руб. |
||
| 1200 | 1200 | 900 | 2270 | 1.020.1-3пв |
13 157 руб. |
||
| 2100 | 2100 | 900 | 5300 | 24476-80 |
32 383 руб. |
||
| 2100 | 2100 | 900 | 5300 | 24476-80 |
32 077 руб. |
||
| 2100 | 2100 | 900 | 5300 | 24476-80 |
30 038 руб. |
||
| 2100 | 2100 | 1050 | 5800 | 24476-80 |
34 801 руб. |
||
| 1800 | 1800 | 900 | 4000 | 24476-80 |
24 783 руб. |
||
| 1800 | 1800 | 900 | 4000 | 24476-80 |
22 817 руб. |
||
| 1800 | 1800 | 1050 | 4500 | 24476-80 |
27 096 руб. |
||
| 1500 | 1500 | 900 | 3000 | 24476-80 |
17 377 руб. |
||
| 1500 | 1500 | 900 | 3000 | 24476-80 |
17 173 руб. |
||
| 1200 | 1200 | 900 | 2100 | 24476-80 |
17 149 руб. |
||
| 1200 | 1200 | 900 | 2100 | 24476-80 |
12 374 руб. |
||
| 2100 | 2100 | 900 | 5500 | 24476-80 |
33 327 руб. |
||
| 2100 | 2100 | 750 | 4500 | 24476-80 |
28 029 руб. |
||
| 2100 | 2100 | 750 | 4500 | 24476-80 |
26 601 руб. |
||
| 1800 | 1800 | 900 | 4250 | 24476-80 |
27 426 руб. |
||
| 1800 | 1800 | 900 | 4250 | 24476-80 |
26 136 руб. |
||
| 1800 | 1800 | 900 | 4250 | 24476-80 |
24 796 руб. |
||
| 1800 | 1800 | 750 | 3500 | 24476-80 |
21 061 руб. |
||
| 1800 | 1800 | 750 | 3500 | 24476-80 |
20 439 руб. |
||
| 1500 | 1500 | 900 | 3250 | 24476-80 |
19 820 руб. |
||
| 1500 | 1500 | 750 | 2500 | 24476-80 |
14 959 руб. |
||
| 1500 | 1500 | 750 | 2500 | 24476-80 |
14 795 руб. |
||
| 1500 | 1500 | 750 | 2500 | 24476-80 |
14 795 руб. |
||
| 1200 | 1200 | 750 | 1900 | 24476-80 |
13 830 руб. |
||
| 1200 | 1200 | 750 | 1900 | 24476-80 |
11 505 руб. |
||
| 1200 | 1200 | 750 | 1900 | 24476-80 |
11 539 руб. |
| Название | Длина, мм | Ширина, мм | Высота, мм | Вес, кг | Номер стандарта | Цена | |
|---|---|---|---|---|---|---|---|
| 2100 | 2100 | 900 | 5300 | 24476-80 |
32 383 руб. |
||
| 2100 | 2100 | 900 | 5300 | 24476-80 |
32 077 руб. |
||
| 2100 | 2100 | 900 | 5300 | 24476-80 |
30 038 руб. |
||
| 2100 | 2100 | 1050 | 5800 | 24476-80 |
34 801 руб. |
||
| 1800 | 1800 | 900 | 4000 | 24476-80 |
24 783 руб. |
||
| 1800 | 1800 | 900 | 4000 | 24476-80 |
22 817 руб. |
||
| 1800 | 1800 | 1050 | 4500 | 24476-80 |
27 096 руб. |
||
| 1500 | 1500 | 900 | 3000 | 24476-80 |
17 377 руб. |
||
| 1500 | 1500 | 900 | 3000 | 24476-80 |
17 173 руб. |
||
| 1200 | 1200 | 900 | 2100 | 24476-80 |
17 149 руб. |
||
| 1200 | 1200 | 900 | 2100 | 24476-80 |
12 374 руб. |
||
| 2100 | 2100 | 900 | 5500 | 24476-80 |
33 327 руб. |
||
| 2100 | 2100 | 750 | 4500 | 24476-80 |
28 029 руб. |
||
| 2100 | 2100 | 750 | 4500 | 24476-80 |
26 601 руб. |
||
| 1800 | 1800 | 900 | 4250 | 24476-80 |
27 426 руб. |
||
| 1800 | 1800 | 900 | 4250 | 24476-80 |
26 136 руб. |
||
| 1800 | 1800 | 900 | 4250 | 24476-80 |
24 796 руб. |
||
| 1800 | 1800 | 750 | 3500 | 24476-80 |
21 061 руб. |
||
| 1800 | 1800 | 750 | 3500 | 24476-80 |
20 439 руб. |
||
| 1500 | 1500 | 900 | 3250 | 24476-80 |
19 820 руб. |
||
| 1500 | 1500 | 750 | 2500 | 24476-80 |
14 959 руб. |
||
| 1500 | 1500 | 750 | 2500 | 24476-80 |
14 795 руб. |
||
| 1500 | 1500 | 750 | 2500 | 24476-80 |
14 795 руб. |
||
| 1200 | 1200 | 750 | 1900 | 24476-80 |
13 830 руб. |
||
| 1200 | 1200 | 750 | 1900 | 24476-80 |
11 505 руб. |
||
| 1200 | 1200 | 750 | 1900 | 24476-80 |
11 539 руб. |
ТД "Еврастрой" предлагает купить Фундаменты 2Ф 18-9-1 по выгодной цене. Наша компания осуществляет доставку продукции по всей территории России и странам СНГ.
В каталоге представлено около 170 тыс. позиций.
По наличию и ценам Мы можем проконсультировать Вас по телефону +7 (343) 300-90-87 или можете отправить запрос на почтовый ящик gbi@gbi22.ru.
Оплатить продукцию можно в рассрочку, для обсуждения вопросов оплаты так же можно обратиться к нашим менеджерам.
Продажа ЖБИ изделий производится с заводов в таких городах как:
Наши менеджеры помогут Вам подобрать оптимальное решения для ваших задач, сориентируют по наличию и ценам, расскажут про оптимальные варианты доставки и оплаты. Звоните +7 (343) 300-90-87
