В вашей корзине ещё нет товаров.
|
|||||||||
| Количество в квадратом метре, шт | 0,69 | ||||||||
| Нормы погрузки на авто | 9 | ||||||||
| Нормы погрузки ЖД | 32 | ||||||||
| Ссылка на стандарт | https://disk.yandex.ru/d/kS7QrnXskpr42A | ||||||||
| Расход стали, кг | 57,7 |
| Расход стали на 1м3 бетона, кг | 68,69 |
| Класс прочности | В25 |
| Марка бетона | М350 |
| Морозостойкость | F200-F300 |
| Водонепроницаемость | W8-W10 |
| Марка бетона по EN 206-1 | C20/25 |
| Геометрический объем | 1,296 |
| Объем бетона | 0,84 |
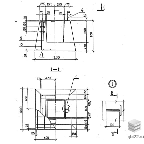
Маркировка фундаментов под колонны Ф 12-9-2 содержит ключевые параметры изделия:
Железобетонные фундаменты Ф 12-9-2 состоят из квадратной подошвы и подколонника со стаканом для монтажа опор. Изготавливаются по Серии 1.020-1/87 с использованием бетона класса В25-25 (М350).
Блоки предназначены для:
Для повышения прочности используются:
Фундаменты Ф 12-9-2 обеспечивают равномерное распределение нагрузок и долговечность сооружений за счет высокой водонепроницаемости и морозостойкости бетона.
| Стандарт | серия |
| Номер стандарта | 1.020.1-2с/89 |
| Статус | не определен |
| Год выпущенного стандарта | 1990 |
| Название стандарта | Конструкции каркаса межвидового применения многоэтажных общественных зданий, производственных и вспомогательных зданий промышленных предприятий для строительства в районах сейсмичностью 7, 8, 9 баллов и в несейсмических районах с изготовлением изделий кар |
| Название | Длина, мм | Ширина, мм | Высота, мм | Вес, кг | Номер стандарта | Цена | |
|---|---|---|---|---|---|---|---|
| 2100 | 2100 | 900 | 530 | 1.020-1/87 |
9 032 руб. |
||
| 2100 | 2100 | 900 | 530 | 1.020-1/87 |
9 314 руб. |
||
| 2100 | 2100 | 900 | 530 | 1.020-1/87 |
7 909 руб. |
||
| 2100 | 2100 | 1050 | 5800 | 1.020-1/87 |
34 410 руб. |
||
| 1800 | 1800 | 900 | 4000 | 1.020-1/87 |
24 331 руб. |
||
| 1800 | 1800 | 900 | 4000 | 1.020-1/87 |
22 817 руб. |
||
| 1800 | 1800 | 900 | 4000 | 1.020-1/87 |
22 817 руб. |
||
| 1800 | 1800 | 1050 | 4500 | 1.020-1/87 |
26 255 руб. |
||
| 1500 | 1500 | 900 | 3000 | 1.020-1/87 |
17 508 руб. |
||
| 1500 | 1500 | 900 | 3000 | 1.020-1/87 |
17 185 руб. |
||
| 1200 | 1200 | 900 | 2100 | 1.020-1/87 |
16 645 руб. |
||
| 1200 | 1200 | 900 | 2100 | 1.020-1/87 |
12 374 руб. |
||
| 1500 | 1500 | 900 | 3200 | 1.020-1/87 |
18 989 руб. |
||
| 2100 | 2100 | 900 | 5300 | 1.020-1/83 |
по запросу |
||
| 2100 | 2100 | 900 | 5300 | 1.020-1/83 |
по запросу |
||
| 2100 | 2100 | 900 | 5300 | 1.020-1/83 |
по запросу |
||
| 2100 | 2100 | 1050 | 5800 | 1.020-1/83 |
по запросу |
||
| 1800 | 1800 | 900 | 4000 | 1.020-1/83 |
по запросу |
||
| 1800 | 1800 | 900 | 4000 | 1.020-1/83 |
по запросу |
||
| 1800 | 1800 | 900 | 4000 | 1.020-1/83 |
по запросу |
||
| 1800 | 1800 | 1050 | 4500 | 1.020-1/83 |
по запросу |
||
| 1500 | 1500 | 900 | 3000 | 1.020-1/83 |
по запросу |
||
| 1500 | 1500 | 900 | 3000 | 1.020-1/83 |
по запросу |
||
| 1200 | 1200 | 900 | 2100 | 1.020-1/83 |
по запросу |
||
| 1200 | 1200 | 900 | 2100 | 1.020-1/83 |
по запросу |
||
| 2100 | 2100 | 900 | 5300 | 1.020.1-2с/89 |
32 594 руб. |
||
| 2100 | 2100 | 900 | 5300 | 1.020.1-2с/89 |
32 077 руб. |
||
| 2100 | 2100 | 900 | 5300 | 1.020.1-2с/89 |
31 972 руб. |
||
| 2100 | 2100 | 900 | 5300 | 1.020.1-2с/89 |
31 455 руб. |
||
| 2100 | 2100 | 900 | 5300 | 1.020.1-2с/89 |
30 671 руб. |
||
| 2100 | 2100 | 900 | 5300 | 1.020.1-2с/89 |
30 049 руб. |
||
| 2100 | 2100 | 1050 | 5800 | 1.020.1-2с/89 |
35 032 руб. |
||
| 2100 | 2100 | 1050 | 5800 | 1.020.1-2с/89 |
34 410 руб. |
||
| 1800 | 1800 | 900 | 4000 | 1.020.1-2с/89 |
24 953 руб. |
||
| 1800 | 1800 | 900 | 4000 | 1.020.1-2с/89 |
24 331 руб. |
||
| 1800 | 1800 | 900 | 4000 | 1.020.1-2с/89 |
23 439 руб. |
||
| 1800 | 1800 | 900 | 4000 | 1.020.1-2с/89 |
23 439 руб. |
||
| 1800 | 1800 | 900 | 4000 | 1.020.1-2с/89 |
22 817 руб. |
||
| 1800 | 1800 | 900 | 4000 | 1.020.1-2с/89 |
22 817 руб. |
||
| 1800 | 1800 | 1050 | 4500 | 1.020.1-2с/89 |
27 108 руб. |
||
| 1800 | 1800 | 1050 | 4500 | 1.020.1-2с/89 |
26 486 руб. |
||
| 1500 | 1500 | 900 | 3000 | 1.020.1-2с/89 |
17 150 руб. |
||
| 1500 | 1500 | 900 | 3000 | 1.020.1-2с/89 |
17 185 руб. |
||
| 1200 | 1200 | 900 | 2100 | 1.020.1-2с/89 |
18 188 руб. |
||
| 1200 | 1200 | 900 | 2100 | 1.020.1-2с/89 |
17 267 руб. |
||
| 1200 | 1200 | 900 | 2100 | 1.020.1-2с/89 |
12 374 руб. |
| Название | Длина, мм | Ширина, мм | Высота, мм | Вес, кг | Номер стандарта | Цена | |
|---|---|---|---|---|---|---|---|
| 2100 | 2100 | 900 | 5300 | 1.020.1-2с/89 |
32 594 руб. |
||
| 2100 | 2100 | 900 | 5300 | 1.020.1-2с/89 |
32 077 руб. |
||
| 2100 | 2100 | 900 | 5300 | 1.020.1-2с/89 |
31 972 руб. |
||
| 2100 | 2100 | 900 | 5300 | 1.020.1-2с/89 |
31 455 руб. |
||
| 2100 | 2100 | 900 | 5300 | 1.020.1-2с/89 |
30 671 руб. |
||
| 2100 | 2100 | 900 | 5300 | 1.020.1-2с/89 |
30 049 руб. |
||
| 2100 | 2100 | 1050 | 5800 | 1.020.1-2с/89 |
35 032 руб. |
||
| 2100 | 2100 | 1050 | 5800 | 1.020.1-2с/89 |
34 410 руб. |
||
| 1800 | 1800 | 900 | 4000 | 1.020.1-2с/89 |
24 953 руб. |
||
| 1800 | 1800 | 900 | 4000 | 1.020.1-2с/89 |
24 331 руб. |
||
| 1800 | 1800 | 900 | 4000 | 1.020.1-2с/89 |
23 439 руб. |
||
| 1800 | 1800 | 900 | 4000 | 1.020.1-2с/89 |
23 439 руб. |
||
| 1800 | 1800 | 900 | 4000 | 1.020.1-2с/89 |
22 817 руб. |
||
| 1800 | 1800 | 900 | 4000 | 1.020.1-2с/89 |
22 817 руб. |
||
| 1800 | 1800 | 1050 | 4500 | 1.020.1-2с/89 |
27 108 руб. |
||
| 1800 | 1800 | 1050 | 4500 | 1.020.1-2с/89 |
26 486 руб. |
||
| 1500 | 1500 | 900 | 3000 | 1.020.1-2с/89 |
17 150 руб. |
||
| 1500 | 1500 | 900 | 3000 | 1.020.1-2с/89 |
17 185 руб. |
||
| 1200 | 1200 | 900 | 2100 | 1.020.1-2с/89 |
18 188 руб. |
||
| 1200 | 1200 | 900 | 2100 | 1.020.1-2с/89 |
17 267 руб. |
||
| 1200 | 1200 | 900 | 2100 | 1.020.1-2с/89 |
12 374 руб. |
||
| 8240 | 400 | 600 | 4000 | 1.020.1-2с/89 |
44 410 руб. |
||
| 8240 | 400 | 600 | 4000 | 1.020.1-2с/89 |
43 499 руб. |
||
| 8240 | 400 | 600 | 4000 | 1.020.1-2с/89 |
41 495 руб. |
||
| 8240 | 400 | 600 | 4000 | 1.020.1-2с/89 |
40 585 руб. |
||
| 8240 | 400 | 600 | 4000 | 1.020.1-2с/89 |
39 537 руб. |
||
| 8240 | 400 | 600 | 4000 | 1.020.1-2с/89 |
38 627 руб. |
||
| 6440 | 400 | 600 | 3000 | 1.020.1-2с/89 |
34 511 руб. |
||
| 6440 | 400 | 600 | 3000 | 1.020.1-2с/89 |
33 739 руб. |
||
| 6440 | 400 | 600 | 3000 | 1.020.1-2с/89 |
32 207 руб. |
||
| 6440 | 400 | 600 | 3000 | 1.020.1-2с/89 |
31 435 руб. |
||
| 6440 | 400 | 600 | 3000 | 1.020.1-2с/89 |
30 663 руб. |
||
| 6440 | 400 | 600 | 3000 | 1.020.1-2с/89 |
29 892 руб. |
||
| 6440 | 400 | 600 | 3000 | 1.020.1-2с/89 |
28 532 руб. |
||
| 6440 | 400 | 600 | 3000 | 1.020.1-2с/89 |
27 761 руб. |
||
| 5240 | 400 | 600 | 2500 | 1.020.1-2с/89 |
28 917 руб. |
||
| 5240 | 400 | 600 | 2500 | 1.020.1-2с/89 |
28 006 руб. |
||
| 5240 | 400 | 600 | 2500 | 1.020.1-2с/89 |
27 016 руб. |
||
| 5240 | 400 | 600 | 2500 | 1.020.1-2с/89 |
26 106 руб. |
||
| 5240 | 400 | 600 | 2500 | 1.020.1-2с/89 |
25 749 руб. |
||
| 5240 | 400 | 600 | 2500 | 1.020.1-2с/89 |
24 839 руб. |
||
| 5240 | 400 | 600 | 2500 | 1.020.1-2с/89 |
23 998 руб. |
||
| 5240 | 400 | 600 | 2500 | 1.020.1-2с/89 |
23 088 руб. |
||
| 2240 | 400 | 470 | 1000 | 1.020.1-2с/89 |
13 458 руб. |
||
| 2240 | 400 | 470 | 1000 | 1.020.1-2с/89 |
12 928 руб. |
||
| 2240 | 400 | 470 | 1000 | 1.020.1-2с/89 |
12 594 руб. |
||
| 2240 | 400 | 470 | 1000 | 1.020.1-2с/89 |
12 053 руб. |
||
| 2240 | 400 | 470 | 1000 | 1.020.1-2с/89 |
12 007 руб. |
||
| 2240 | 400 | 470 | 1000 | 1.020.1-2с/89 |
11 465 руб. |
||
| 2240 | 400 | 470 | 1000 | 1.020.1-2с/89 |
11 189 руб. |
ТД "Еврастрой" предлагает купить Фундаменты под колонны Ф 12-9-2 по выгодной цене. Наша компания осуществляет доставку продукции по всей территории России и странам СНГ.
В каталоге представлено около 170 тыс. позиций.
По наличию и ценам Мы можем проконсультировать Вас по телефону +7 (343) 300-90-87 или можете отправить запрос на почтовый ящик gbi@gbi22.ru.
Оплатить продукцию можно в рассрочку, для обсуждения вопросов оплаты так же можно обратиться к нашим менеджерам.
Продажа ЖБИ изделий производится с заводов в таких городах как:
Наши менеджеры помогут Вам подобрать оптимальное решения для ваших задач, сориентируют по наличию и ценам, расскажут про оптимальные варианты доставки и оплаты. Звоните +7 (343) 300-90-87
