Производство, продажа и
поставка ЖБИ по России и СНГ
Навигация
Код товара:
73 899 руб.
цена с НДС*
Цена за 1м3, руб
40 783 с НДС*

ГОСТ 27108-86

Краткие характеристики
Длина, мм
2670
Ширина, мм
2980
Высота, мм
600
Вес, кг
4530

Все характеристики
Длина, мм
2670
Ширина, мм
2980
Высота, мм
600
Вес, кг
4530
Количество в квадратом метре, шт
0,13
Нормы погрузки на авто
СПЕЦАВТО
Нормы погрузки ЖД
12
Ссылка на стандарт
https://disk.yandex.ru/d/y_pqMiSVa2pWdA
Расход стали, кг
332
Расход стали на 1м3 бетона, кг
183,22
Класс прочности
В35
Марка бетона
М450
Морозостойкость
F300-F500
Водонепроницаемость
W12-W14
Марка бетона по EN 206-1
C30/37
Геометрический объем
4,774
Объем бетона
1,81

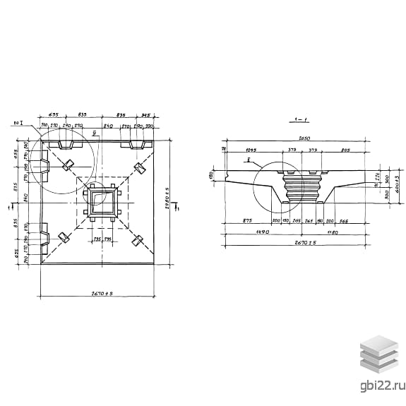
Капитель колонн КП 2лев-5 (ГОСТ 27108-86)

Маркировка изделия

КП 2лев-5 (ГОСТ 27108-86) – расшифровка обозначения:

  • КП – капитель колонны;
  • 2 – типоразмер конструкции;
  • лев – левостороннее исполнение;
  • 5 – показатель несущей способности.

Основные характеристики

Железобетонная капитель представляет собой сборную плиту прямоугольной формы с тавровым сечением и отверстием для монтажа колонн. Конструкция оснащена закладными элементами для соединения с другими компонентами здания.

Габариты и параметры:

  • Длина: 2670 мм;
  • Ширина: 2980 мм;
  • Высота: 600 мм;
  • Масса: 4530 кг;
  • Марка бетона: М450.

Область применения

Капители КП 2лев-5 предназначены для каркасов многоэтажных промышленных и складских зданий с высотой этажа 4,8–6 м. Используются в сооружениях со следующими условиями:

  • Температурный режим: до +50°C;
  • Внешняя температура: до -40°C;
  • Сейсмичность: до 6 баллов;
  • Тип грунта: непросадочный.

Подходят для зданий со слабо- и среднеагрессивной газовой средой.

Функциональные особенности

Основное назначение капителей:

  • Перераспределение нагрузок от перекрытий;
  • Снижение риска разрушения плиты в зоне опирания на колонну.

Технология производства

Изготовление регламентировано ГОСТ 27108-86 и ГОСТ 13015.2-83:

  • Бетон: марка М4500–М4500, водонепроницаемость W4;
  • Морозостойкость: F100–F150;
  • Арматура: сталь класса АтIIIс или АIII.

Обязательна антикоррозийная обработка металлических элементов.

Маркировка и контроль качества

На каждое изделие наносится:

  • Товарный знак производителя;
  • Дата изготовления;
  • Масса конструкции;
  • Клеймо ОТК.

Проводятся испытания на прочность, жесткость и трещиностойкость.

Транспортировка и хранение

Требования к сохранности конструкций:

  • Складирование на ровных площадках с деревянными прокладками;
  • Фиксация при перевозке крепежными устройствами;
  • Защита от механических повреждений.
Стандарт
ГОСТ
Номер стандарта
27108-86
Статус
заменен ГОСТ 27108-2016
Год выпущенного стандарта
1987
Название стандарта
Конструкции каркаса железобетонные для многоэтажных зданий с безбалочными перекрытиями. Технические условия.
Название Длина, ммШирина, ммВысота, ммВес, кгНомер стандарта Цена
20902670600390027108-2016
63 936 руб.
20902670600390027108-2016
62 670 руб.
20902670600390027108-2016
56 503 руб.
20902670600390027108-2016
56 078 руб.
20902670600390027108-2016
51 948 руб.
20902670600390027108-2016
49 289 руб.
20902670600390027108-2016
63 936 руб.
20902670600390027108-2016
62 670 руб.
20902670600390027108-2016
56 503 руб.
20902670600390027108-2016
56 078 руб.
20902670600390027108-2016
51 948 руб.
20902670600390027108-2016
49 289 руб.
20902980600418027108-2016
67 354 руб.
20902980600418027108-2016
66 131 руб.
20902980600418027108-2016
59 583 руб.
20902980600418027108-2016
59 442 руб.
20902980600418027108-2016
54 365 руб.
20902980600418027108-2016
51 450 руб.
20902980600418027108-2016
67 354 руб.
20902980600418027108-2016
66 131 руб.
20902980600418027108-2016
59 583 руб.
20902980600418027108-2016
59 442 руб.
20902980600418027108-2016
54 365 руб.
20902980600418027108-2016
51 450 руб.
20902980600418027108-2016
72 376 руб.
20902980600418027108-2016
71 154 руб.
20902980600418027108-2016
63 615 руб.
20902980600418027108-2016
63 191 руб.
20902980600418027108-2016
57 788 руб.
20902980600418027108-2016
54 902 руб.
26702980600453027108-2016
76 285 руб.
26702980600453027108-2016
73 899 руб.
26702980600453027108-2016
66 751 руб.
26702980600453027108-2016
65 888 руб.
26702980600453027108-2016
60 635 руб.
26702980600453027108-2016
56 886 руб.
26702980600453027108-2016
76 285 руб.
26702980600453027108-2016
73 899 руб.
26702980600453027108-2016
66 751 руб.
26702980600453027108-2016
65 888 руб.
26702980600453027108-2016
60 635 руб.
26702980600453027108-2016
56 886 руб.
29802980600450027108-2016
85 966 руб.
29802980600450027108-2016
82 648 руб.
29802980600450027108-2016
74 569 руб.
29802980600450027108-2016
73 409 руб.
29802980600450027108-2016
67 126 руб.
29802980600450027108-2016
63 207 руб.
29802980600450027108-2016
85 966 руб.
29802980600450027108-2016
82 648 руб.
Полный каталог
Название Длина, ммШирина, ммВысота, ммВес, кгНомер стандарта Цена
29802980160298027108-86
37 898 руб.
29802980160298027108-86
34 845 руб.
29802980160298027108-86
34 615 руб.
29802980160298027108-86
32 852 руб.
29802980160298027108-86
30 214 руб.
29802980160298027108-86
30 260 руб.
29802980160298027108-86
28 556 руб.
29802980160298027108-86
27 155 руб.
32802090160250027108-86
33 773 руб.
32802090160250027108-86
32 426 руб.
32802090160250027108-86
31 363 руб.
32802090160250027108-86
30 246 руб.
32802090160250027108-86
28 587 руб.
32802090160250027108-86
27 734 руб.
32802090160250027108-86
26 018 руб.
32802090160250027108-86
25 246 руб.
26703280160325027108-86
41 855 руб.
26703280160325027108-86
40 127 руб.
26703280160325027108-86
36 540 руб.
26703280160325027108-86
34 005 руб.
26703280160325027108-86
31 045 руб.
26703280160325027108-86
27 981 руб.
29803280160350027108-86
44 403 руб.
29803280160350027108-86
44 887 руб.
29803280160350027108-86
42 374 руб.
29803280160350027108-86
43 136 руб.
29803280160350027108-86
39 194 руб.
29803280160350027108-86
39 678 руб.
29803280160350027108-86
38 872 руб.
29803280160350027108-86
39 356 руб.
29803280160350027108-86
36 130 руб.
29803280160350027108-86
36 614 руб.
29803280160350027108-86
34 610 руб.
29803280160350027108-86
35 093 руб.
29803280160350027108-86
33 216 руб.
29803280160350027108-86
33 700 руб.
29803280160350027108-86
29 956 руб.
29803280160350027108-86
30 440 руб.
20902670600390027108-86
63 936 руб.
20902670600390027108-86
62 670 руб.
20902670600390027108-86
56 503 руб.
20902670600390027108-86
56 078 руб.
20902670600390027108-86
51 948 руб.
20902670600390027108-86
49 289 руб.
20902670600390027108-86
63 936 руб.
20902670600390027108-86
62 670 руб.
20902670600390027108-86
56 503 руб.
20902670600390027108-86
56 078 руб.
20902670600390027108-86
51 948 руб.
20902670600390027108-86
49 289 руб.

ТД "Еврастрой" предлагает купить Капители колонн КП 2лев-5 по выгодной цене. Наша компания осуществляет доставку продукции по всей территории России и странам СНГ.

В каталоге представлено около 170 тыс. позиций.

По наличию и ценам Мы можем проконсультировать Вас по телефону +7 (343) 300-90-87 или можете отправить запрос на почтовый ящик gbi@gbi22.ru.

Оплатить продукцию можно в рассрочку, для обсуждения вопросов оплаты так же можно обратиться к нашим менеджерам.

Продажа ЖБИ изделий производится с заводов в таких городах как:

  • Екатеринбург
  • Тюмень
  • Красноярск
  • Новосибирск
  • Иркутск
  • Ростов-на-дону
  • Нижний Новгород
  • Казань
  • Москва

Наши менеджеры помогут Вам подобрать оптимальное решения для ваших задач, сориентируют по наличию и ценам, расскажут про оптимальные варианты доставки и оплаты. Звоните +7 (343) 300-90-87

73 899 руб.
цена с НДС*
Наличие: нет
шт.
Перейти в корзину

Оформить заказ
Рассрочка
Рассказать друзьям: