Производство, продажа и
поставка ЖБИ по России и СНГ
Навигация
Код товара:
66 751 руб.
цена с НДС*
Цена за 1м3, руб
36 838 с НДС*

ГОСТ 27108-86

Краткие характеристики
Длина, мм
2670
Ширина, мм
2980
Высота, мм
600
Вес, кг
4530

Все характеристики
Длина, мм
2670
Ширина, мм
2980
Высота, мм
600
Вес, кг
4530
Количество в квадратом метре, шт
0,13
Нормы погрузки на авто
СПЕЦАВТО
Нормы погрузки ЖД
12
Ссылка на стандарт
https://disk.yandex.ru/d/y_pqMiSVa2pWdA
Расход стали, кг
284,6
Расход стали на 1м3 бетона, кг
157,06
Класс прочности
В25
Марка бетона
М350
Морозостойкость
F200-F300
Водонепроницаемость
W8-W10
Марка бетона по EN 206-1
C20/25
Геометрический объем
4,774
Объем бетона
1,81

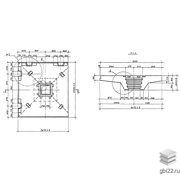
Капители колонн КП 2пр-4 (ГОСТ 27108-86) – особенности и применение

Капитель КП 2пр-4 – это сборная железобетонная плита прямоугольной конфигурации с тавровым сечением и технологическим отверстием под монтаж колонн. Конструкция оснащена закладными элементами для соединения с другими компонентами здания. Изделие предназначено для многоэтажных промышленных и складских объектов с высотой этажа 4,8 или 6 метров.

Расшифровка маркировки КП 2пр-4

Маркировка капители включает:

  • КП – обозначение типа конструкции (капитель);
  • 2 – типоразмер изделия;
  • пр – правое исполнение;
  • 4 – показатель несущей способности.

Основные характеристики

Эксплуатационные параметры:

  • Рабочий температурный диапазон: до +50°C;
  • Допустимая сейсмическая активность: до 6 баллов;
  • Морозостойкость: F100-F150;
  • Водонепроницаемость бетона: W4.

Габариты и вес:

  • Длина: 2670 мм;
  • Ширина: 2980 мм;
  • Высота: 600 мм;
  • Масса: 4530 кг.

Технические требования

Изготовление осуществляется из тяжелого бетона марки М3500-М3500 с армированием сталью классов АтIIIс или АIII. Все металлические элементы проходят антикоррозийную обработку. Готовая продукция тестируется на:

  • Прочность;
  • Жесткость;
  • Устойчивость к трещинообразованию.

Рекомендации по хранению и транспортировке

Хранение допускается только на ровных площадках с деревянными подкладками. При перевозке требуется надежная фиксация конструкций во избежание повреждений.

Стандарт
ГОСТ
Номер стандарта
27108-86
Статус
заменен ГОСТ 27108-2016
Год выпущенного стандарта
1987
Название стандарта
Конструкции каркаса железобетонные для многоэтажных зданий с безбалочными перекрытиями. Технические условия.
Название Длина, ммШирина, ммВысота, ммВес, кгНомер стандарта Цена
20902670600390027108-2016
63 936 руб.
20902670600390027108-2016
62 670 руб.
20902670600390027108-2016
56 503 руб.
20902670600390027108-2016
56 078 руб.
20902670600390027108-2016
51 948 руб.
20902670600390027108-2016
49 289 руб.
20902670600390027108-2016
63 936 руб.
20902670600390027108-2016
62 670 руб.
20902670600390027108-2016
56 503 руб.
20902670600390027108-2016
56 078 руб.
20902670600390027108-2016
51 948 руб.
20902670600390027108-2016
49 289 руб.
20902980600418027108-2016
67 354 руб.
20902980600418027108-2016
66 131 руб.
20902980600418027108-2016
59 583 руб.
20902980600418027108-2016
59 442 руб.
20902980600418027108-2016
54 365 руб.
20902980600418027108-2016
51 450 руб.
20902980600418027108-2016
67 354 руб.
20902980600418027108-2016
66 131 руб.
20902980600418027108-2016
59 583 руб.
20902980600418027108-2016
59 442 руб.
20902980600418027108-2016
54 365 руб.
20902980600418027108-2016
51 450 руб.
20902980600418027108-2016
72 376 руб.
20902980600418027108-2016
71 154 руб.
20902980600418027108-2016
63 615 руб.
20902980600418027108-2016
63 191 руб.
20902980600418027108-2016
57 788 руб.
20902980600418027108-2016
54 902 руб.
26702980600453027108-2016
76 285 руб.
26702980600453027108-2016
73 899 руб.
26702980600453027108-2016
66 751 руб.
26702980600453027108-2016
65 888 руб.
26702980600453027108-2016
60 635 руб.
26702980600453027108-2016
56 886 руб.
26702980600453027108-2016
76 285 руб.
26702980600453027108-2016
73 899 руб.
26702980600453027108-2016
66 751 руб.
26702980600453027108-2016
65 888 руб.
26702980600453027108-2016
60 635 руб.
26702980600453027108-2016
56 886 руб.
29802980600450027108-2016
85 966 руб.
29802980600450027108-2016
82 648 руб.
29802980600450027108-2016
74 569 руб.
29802980600450027108-2016
73 409 руб.
29802980600450027108-2016
67 126 руб.
29802980600450027108-2016
63 207 руб.
29802980600450027108-2016
85 966 руб.
29802980600450027108-2016
82 648 руб.
Полный каталог
Название Длина, ммШирина, ммВысота, ммВес, кгНомер стандарта Цена
29802980160298027108-86
37 898 руб.
29802980160298027108-86
34 845 руб.
29802980160298027108-86
34 615 руб.
29802980160298027108-86
32 852 руб.
29802980160298027108-86
30 214 руб.
29802980160298027108-86
30 260 руб.
29802980160298027108-86
28 556 руб.
29802980160298027108-86
27 155 руб.
32802090160250027108-86
33 773 руб.
32802090160250027108-86
32 426 руб.
32802090160250027108-86
31 363 руб.
32802090160250027108-86
30 246 руб.
32802090160250027108-86
28 587 руб.
32802090160250027108-86
27 734 руб.
32802090160250027108-86
26 018 руб.
32802090160250027108-86
25 246 руб.
26703280160325027108-86
41 855 руб.
26703280160325027108-86
40 127 руб.
26703280160325027108-86
36 540 руб.
26703280160325027108-86
34 005 руб.
26703280160325027108-86
31 045 руб.
26703280160325027108-86
27 981 руб.
29803280160350027108-86
44 403 руб.
29803280160350027108-86
44 887 руб.
29803280160350027108-86
42 374 руб.
29803280160350027108-86
43 136 руб.
29803280160350027108-86
39 194 руб.
29803280160350027108-86
39 678 руб.
29803280160350027108-86
38 872 руб.
29803280160350027108-86
39 356 руб.
29803280160350027108-86
36 130 руб.
29803280160350027108-86
36 614 руб.
29803280160350027108-86
34 610 руб.
29803280160350027108-86
35 093 руб.
29803280160350027108-86
33 216 руб.
29803280160350027108-86
33 700 руб.
29803280160350027108-86
29 956 руб.
29803280160350027108-86
30 440 руб.
20902670600390027108-86
63 936 руб.
20902670600390027108-86
62 670 руб.
20902670600390027108-86
56 503 руб.
20902670600390027108-86
56 078 руб.
20902670600390027108-86
51 948 руб.
20902670600390027108-86
49 289 руб.
20902670600390027108-86
63 936 руб.
20902670600390027108-86
62 670 руб.
20902670600390027108-86
56 503 руб.
20902670600390027108-86
56 078 руб.
20902670600390027108-86
51 948 руб.
20902670600390027108-86
49 289 руб.

ТД "Еврастрой" предлагает купить Капители колонн КП 2пр-4 по выгодной цене. Наша компания осуществляет доставку продукции по всей территории России и странам СНГ.

В каталоге представлено около 170 тыс. позиций.

По наличию и ценам Мы можем проконсультировать Вас по телефону +7 (343) 300-90-87 или можете отправить запрос на почтовый ящик gbi@gbi22.ru.

Оплатить продукцию можно в рассрочку, для обсуждения вопросов оплаты так же можно обратиться к нашим менеджерам.

Продажа ЖБИ изделий производится с заводов в таких городах как:

  • Екатеринбург
  • Тюмень
  • Красноярск
  • Новосибирск
  • Иркутск
  • Ростов-на-дону
  • Нижний Новгород
  • Казань
  • Москва

Наши менеджеры помогут Вам подобрать оптимальное решения для ваших задач, сориентируют по наличию и ценам, расскажут про оптимальные варианты доставки и оплаты. Звоните +7 (343) 300-90-87

66 751 руб.
цена с НДС*
Наличие: нет
шт.
Перейти в корзину

Оформить заказ
Рассрочка
Рассказать друзьям: