В вашей корзине ещё нет товаров.
|
|||||||||
| Количество в квадратом метре, шт | 0,32 | ||||||||
| Нормы погрузки на авто | 25 | ||||||||
| Нормы погрузки ЖД | 77 | ||||||||
| Ссылка на стандарт | https://disk.yandex.ru/d/FIWwvsougulwhA | ||||||||
| Расход стали, кг | 41,6 |
| Расход стали на 1м3 бетона, кг | 132,99 |
| Класс прочности | В15 |
| Марка бетона | М200 |
| Морозостойкость | F100-F200 |
| Водонепроницаемость | W4-W6 |
| Марка бетона по EN 206-1 | C12/15 |
| Геометрический объем | 0,473 |
| Объем бетона | 0,31 |
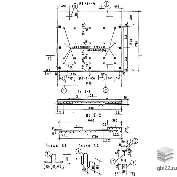
Козырек входа КВ 18-14 – это конструктивный элемент, используемый в строительстве общественных зданий различного назначения. Данный козырек разработан с унифицированным сечением для зданий со стенами из легкобетонных блоков и кирпича. Он выполняет защитную функцию, предотвращая попадание осадков и различных предметов с верхних этажей.
Маркировка КВ 18-14 расшифровывается следующим образом:
КВ – начальные буквы названия элемента (козырек входа);
18 – длина изделия в дециметрах;
14 – длина парапета в сантиметрах.
Монтаж козырька осуществляется путем защемления концов опорных ребер в стены и их закрепления к нижележащим перемычкам или кладке с помощью анкеров. Козырьки для стен из крупных блоков отличаются от тех, что предназначены для кирпичных стен, наличием дополнительных закладных деталей для крепления к смежным перемычкам.
Изготовление козырьков входа осуществляется в заводских условиях с использованием опалубочных форм, которые должны быть тщательно смазаны. Бетонирование выполняется только проверенными материалами, соответствующими действующим стандартам. В качестве основы используется тяжелый бетон марки М200, а армирование осуществляется с помощью сварных сеток и каркасов.
После достижения бетоном отпускной прочности производится распалубка изделий. Готовая продукция проходит приемку отделом технического контроля, где проверяются бетонная поверхность, габаритные размеры, прочность, жесткость и трещиностойкость. Не допускаются обвалы бетона с оголением арматурных стержней. Заключительным этапом является выписка паспорта качества, который должен быть заверен ответственным лицом.
Козырьки входа хранятся на специально отведенных местах с удобными подъездными путями для техники. Изделия должны храниться и транспортироваться в горизонтальном положении, в один ряд или невысоком штабеле, с использованием инвентарных подкладок. Запрещается разгружать изделия с их свободным падением и перемещать волоком. Все работы по погрузке, разгрузке и монтажу должны выполняться с соблюдением техники безопасности.
Длина: 1790 мм
Ширина: 1760 мм
Высота: 150 мм
Вес: 782 кг
Марка бетона: М200
| Стандарт | серия |
| Номер стандарта | 86 |
| Статус | не определен |
| Год выпущенного стандарта | 1969 |
| Название стандарта | Кирпичные жилые дома с продольными несущими стенами. |
| Название | Длина, мм | Ширина, мм | Высота, мм | Вес, кг | Номер стандарта | Цена | |
|---|---|---|---|---|---|---|---|
| 3120 | 2800 | 100 | 2120 | ИИ 03-02 |
по запросу |
||
| 2790 | 1480 | 150 | 1340 | ИИ 03-02 |
11 765 руб. |
||
| 2790 | 1480 | 150 | 1340 | ИИ 03-02 |
12 280 руб. |
||
| 2790 | 1740 | 150 | 1235 | ИИ 03-02 |
11 114 руб. |
||
| 2790 | 1740 | 150 | 1235 | ИИ 03-02 |
11 633 руб. |
||
| 2790 | 1640 | 150 | 1130 | ИИ 03-02 |
10 615 руб. |
||
| 2990 | 1880 | 300 | 2275 | 1.238-1 |
по запросу |
||
| 2990 | 1880 | 150 | 1535 | 1.238-1 |
по запросу |
||
| 2990 | 1880 | 80 | 1470 | 1.238-1 |
по запросу |
||
| 2990 | 1880 | 300 | 2275 | 1.238-1 |
по запросу |
||
| 2990 | 1880 | 150 | 1535 | 1.238-1 |
по запросу |
||
| 2990 | 1880 | 80 | 1470 | 1.238-1 |
по запросу |
||
| 2790 | 1840 | 80 | 1330 | 1.238-1 |
по запросу |
||
| 2390 | 1880 | 150 | 1220 | 1.238-1 |
по запросу |
||
| 2390 | 1880 | 80 | 1165 | 1.238-1 |
по запросу |
||
| 2390 | 1880 | 150 | 1220 | 1.238-1 |
по запросу |
||
| 2390 | 1880 | 80 | 1165 | 1.238-1 |
по запросу |
||
| 2200 | 1840 | 140 | 1250 | 1.238-1 |
по запросу |
||
| 2200 | 1840 | 140 | 1100 | 1.238-1 |
по запросу |
||
| 2200 | 1840 | 140 | 1050 | 1.238-1 |
по запросу |
||
| 1840 | 2790 | 140 | 1330 | 1.238-1 |
по запросу |
||
| 1840 | 2200 | 290 | 1250 | 1.238-1 |
по запросу |
||
| 1840 | 2200 | 140 | 1100 | 1.238-1 |
по запросу |
||
| 1840 | 2200 | 80 | 1050 | 1.238-1 |
по запросу |
||
| 1840 | 2200 | 140 | 1100 | 1.238-1 |
по запросу |
||
| 1790 | 1880 | 80 | 875 | 1.238-1 |
по запросу |
||
| 1790 | 1880 | 80 | 875 | 1.238-1 |
по запросу |
||
| 1840 | 1550 | 140 | 800 | 1.238-1 |
по запросу |
||
| 1840 | 1550 | 80 | 750 | 1.238-1 |
по запросу |
||
| 1840 | 1550 | 140 | 800 | 1.238-1 |
по запросу |
||
| 1550 | 1840 | 140 | 800 | 1.238-1 |
по запросу |
||
| 1550 | 1840 | 140 | 750 | 1.238-1 |
по запросу |
||
| 2690 | 1760 | 150 | 1180 | 86 |
12 289 руб. |
||
| 2690 | 1760 | 150 | 1180 | 85 |
12 289 руб. |
| Название | Длина, мм | Ширина, мм | Высота, мм | Вес, кг | Номер стандарта | Цена | |
|---|---|---|---|---|---|---|---|
| 250 | 250 | 300 | 48 | 86 |
1 041 руб. |
||
| 1180 | 300 | 280 | 229 | 86 |
1 121 руб. |
||
| 780 | 600 | 580 | 480 | 86 |
2 358 руб. |
||
| 780 | 500 | 580 | 408 | 86 |
1 949 руб. |
||
| 780 | 400 | 580 | 315 | 86 |
1 525 руб. |
||
| 780 | 300 | 580 | 240 | 86 |
1 182 руб. |
||
| 2000 | 370 | 70 | 130 | 86 |
1 437 руб. |
||
| 1300 | 380 | 70 | 75 | 86 |
2 195 руб. |
||
| 6280 | 1490 | 220 | 2985 | 86 |
22 998 руб. |
||
| 6280 | 1490 | 220 | 2940 | 86 |
22 789 руб. |
||
| 6280 | 1190 | 220 | 2250 | 86 |
17 944 руб. |
||
| 6280 | 1190 | 220 | 2210 | 86 |
17 934 руб. |
||
| 6280 | 990 | 220 | 1855 | 86 |
14 940 руб. |
||
| 6280 | 990 | 220 | 1825 | 86 |
14 946 руб. |
||
| 6280 | 1490 | 220 | 3440 | 86 |
23 685 руб. |
||
| 6280 | 1490 | 220 | 3440 | 86 |
23 685 руб. |
||
| 6280 | 1490 | 220 | 3400 | 86 |
23 500 руб. |
||
| 6280 | 990 | 220 | 1855 | 86 |
13 159 руб. |
||
| 6280 | 990 | 220 | 1825 | 86 |
13 020 руб. |
||
| 6280 | 1190 | 220 | 2350 | 86 |
22 111 руб. |
||
| 5080 | 1190 | 220 | 1850 | 86 |
14 629 руб. |
||
| 2980 | 1190 | 220 | 910 | 86 |
7 273 руб. |
||
| 1600 | 1800 | 120 | 855 | 86 |
4 983 руб. |
||
| 1760 | 1590 | 140 | 985 | 86 |
5 610 руб. |
||
| 1760 | 1590 | 140 | 855 | 86 |
6 974 руб. |
||
| 1760 | 1590 | 140 | 985 | 86 |
5 610 руб. |
||
| 1600 | 1800 | 120 | 865 | 86 |
5 030 руб. |
||
| 1760 | 1190 | 140 | 730 | 86 |
4 230 руб. |
||
| 1760 | 1190 | 140 | 730 | 86 |
4 230 руб. |
||
| 5080 | 100 | 670 | 850 | 86 |
7 726 руб. |
||
| 2980 | 1190 | 220 | 1425 | 86 |
8 946 руб. |
||
| 2980 | 1190 | 220 | 1425 | 86 |
8 946 руб. |
||
| 2980 | 1190 | 220 | 1235 | 86 |
8 061 руб. |
||
| 2640 | 1190 | 220 | 1250 | 86 |
7 910 руб. |
||
| 2640 | 1190 | 220 | 1250 | 86 |
7 910 руб. |
||
| 2640 | 1190 | 220 | 1075 | 86 |
7 016 руб. |
||
| 6280 | 1490 | 220 | 2918 | 86 |
20 456 руб. |
||
| 6280 | 1490 | 220 | 2883 | 86 |
20 294 руб. |
||
| 6280 | 1490 | 220 | 2918 | 86 |
20 456 руб. |
||
| 6280 | 1490 | 220 | 2918 | 86 |
20 456 руб. |
||
| 6280 | 1490 | 220 | 2918 | 86 |
20 456 руб. |
||
| 6280 | 990 | 220 | 1825 | 86 |
11 718 руб. |
||
| 6280 | 990 | 220 | 1825 | 86 |
11 718 руб. |
||
| 5080 | 990 | 220 | 1515 | 86 |
9 397 руб. |
||
| 5080 | 990 | 220 | 1485 | 86 |
9 258 руб. |
||
| 3870 | 1520 | 220 | 2250 | 86 |
23 207 руб. |
||
| 3870 | 1380 | 220 | 1975 | 86 |
21 917 руб. |
||
| 3570 | 1520 | 220 | 2075 | 86 |
20 424 руб. |
||
| 3570 | 1380 | 220 | 1800 | 86 |
19 718 руб. |
||
| 6280 | 990 | 220 | 1855 | 86 |
12 464 руб. |
ТД "Еврастрой" предлагает купить Козырьки входа КВ 18-14 по выгодной цене. Наша компания осуществляет доставку продукции по всей территории России и странам СНГ.
В каталоге представлено около 170 тыс. позиций.
По наличию и ценам Мы можем проконсультировать Вас по телефону +7 (343) 300-90-87 или можете отправить запрос на почтовый ящик gbi@gbi22.ru.
Оплатить продукцию можно в рассрочку, для обсуждения вопросов оплаты так же можно обратиться к нашим менеджерам.
Продажа ЖБИ изделий производится с заводов в таких городах как:
Наши менеджеры помогут Вам подобрать оптимальное решения для ваших задач, сориентируют по наличию и ценам, расскажут про оптимальные варианты доставки и оплаты. Звоните +7 (343) 300-90-87
