Производство, продажа и
поставка ЖБИ по России и СНГ
Навигация
Код товара:
16 267 руб.
цена с НДС*
Цена за 1м3, руб
15 824 с НДС*

альбом 3РС 19-08

Краткие характеристики
Длина, мм
1760
Ширина, мм
280
Высота, мм
3530
Вес, кг
2570

Все характеристики
Длина, мм
1760
Ширина, мм
280
Высота, мм
3530
Вес, кг
2570
Количество в квадратом метре, шт
2,03
Нормы погрузки на авто
7
Нормы погрузки ЖД
26
Ссылка на стандарт
https://disk.yandex.ru/d/jgpgHHdbmXw81A
Расход стали, кг
35,88
Расход стали на 1м3 бетона, кг
34,90
Класс прочности
В22,5
Марка бетона
М300
Морозостойкость
F150-F300
Водонепроницаемость
W6-W8
Марка бетона по EN 206-1
C18/22
Геометрический объем
1,740
Объем бетона
1,03

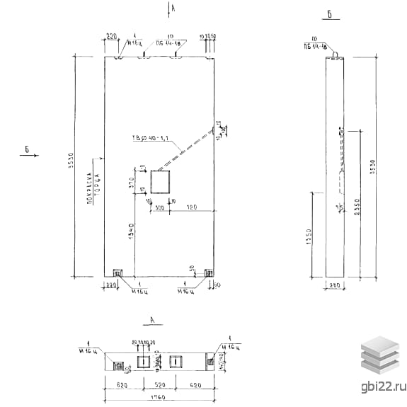
Панели входа 3НВ 2-2 (Альбом 3РС 19-08)

Маркировка и расшифровка

3НВ 2-2 (Альбом 3РС 19-08) — обозначение конструкции, где:

  • 3 — ссылка на нормативный документ Альбом 3РС 19-08;
  • НВ — тип изделия (панель входа);
  • 2 — номер типоразмера;
  • 2 — модификация элемента.

Изменение маркировки запрещено.

Основные характеристики

Прямоугольные железобетонные панели предназначены для оформления входных групп в многоквартирные дома. Отличаются повышенной прочностью, декоративной отделкой и функциональными элементами (выступы, закладные детали).

Применение

Используются в крупнопанельном строительстве жилых зданий серии П3м. Обеспечивают:

  • Эстетичный вид фасадов;
  • Снижение теплопотерь (теплотехнические свойства соответствуют СНиП 2.03.01-84);
  • Огнестойкость до 2,5 часов.

Материалы и производство

Изготавливаются в горизонтальных металлоформах из тяжелого бетона:

  • Класс прочности: В22,5;
  • Плотность: 2400 кг/м?;
  • Морозостойкость: F100;
  • Водонепроницаемость: W2.

Утепление: плиты ПСБ-25 (ГОСТ 15588-86) и минеральная вата.

Армирование: сварные каркасы из стали AI-AIII (ГОСТ 5781-82) и проволоки Вр-1 (ГОСТ 6727-82).

Габариты и вес

  • Длина: 1760 мм;
  • Ширина: 280 мм;
  • Высота: 3530 мм;
  • Вес: 2570 кг;
  • Марка бетона: М300.

Транспортировка и хранение

Перевозка и складирование — только в рабочем положении с деревянными подкладками. Подъем — самобалансирующимися стропами для избежания повреждений.

Подробные технические требования приведены в Альбоме 3РС 19-08.

Стандарт
альбом
Номер стандарта
3РС 19-08
Статус
не определен
Год выпущенного стандарта
1999
Название стандарта
Изделия входов (вариант с трехслойными наружными стенами и плитами покрытий).
Название Длина, ммШирина, ммВысота, ммВес, кгНомер стандарта Цена
880250298085022-289
12 433 руб.
880200298068022-289
10 596 руб.
5980200880420022-289
53 575 руб.
5980400880340022-289
45 530 руб.
6240250580180022-289
27 120 руб.
5980250880170022-289
24 075 руб.
6190200880140022-289
20 887 руб.
5980200880140022-289
20 833 руб.
5980200580290022-289
40 454 руб.
5980400580220022-289
31 143 руб.
6240250580120022-289
18 944 руб.
5980250580110022-289
17 863 руб.
619020058095022-289
16 133 руб.
598020058098022-289
16 430 руб.
62402502100270022-289
36 983 руб.
59802502100270022-289
36 601 руб.
61902002100220022-289
31 607 руб.
59802002100210022-289
29 844 руб.
59802001780860022-289
102 708 руб.
59803001780680022-289
82 955 руб.
59802501800200022-289
28 190 руб.
62402501780350022-289
47 320 руб.
59802501780340022-289
45 857 руб.
59802001800160022-289
23 867 руб.
61902001780290022-289
40 672 руб.
59802001780280022-289
39 100 руб.
59802501350180022-289
25 374 руб.
59802001350150022-289
22 132 руб.
59802001180570022-289
71 832 руб.
59804001180460022-289
58 007 руб.
62402501180240022-289
32 977 руб.
59802501180230022-289
31 787 руб.
61902001180190022-289
27 355 руб.
59802001180190022-289
27 246 руб.
580250298056022-289
8 999 руб.
580200298045022-289
7 646 руб.
580250118021022-289
4 889 руб.
580200118017022-289
4 375 руб.
298025088085022-289
12 078 руб.
298020088068022-289
10 241 руб.
298025058056022-289
8 726 руб.
298020058045022-289
7 537 руб.
29802501780170022-289
22 574 руб.
29802001780140022-289
19 332 руб.
29802501500110022-289
16 035 руб.
2980200150088022-289
13 439 руб.
29802501180120022-289
16 379 руб.
2980200118094022-289
13 569 руб.
2980250100079022-289
11 976 руб.
2980200100063022-289
10 247 руб.
Полный каталог
Название Длина, ммШирина, ммВысота, ммВес, кгНомер стандарта Цена
6700320273075503РС 19-08
59 121 руб.
2250320291028003РС 19-08
20 627 руб.
4430320291052203РС 19-08
40 210 руб.
52602006009503РС 19-08
5 934 руб.
6800200130024303РС 19-08
15 186 руб.
1660280287012503РС 19-08
12 430 руб.
1760280353028903РС 19-08
17 659 руб.
1760280353028903РС 19-08
18 198 руб.
2500280353040203РС 19-08
24 617 руб.
2500280353047603РС 19-08
28 606 руб.
2500280353040203РС 19-08
24 814 руб.

ТД "Еврастрой" предлагает купить Панели входа 3НВ 2-2 по выгодной цене. Наша компания осуществляет доставку продукции по всей территории России и странам СНГ.

В каталоге представлено около 170 тыс. позиций.

По наличию и ценам Мы можем проконсультировать Вас по телефону +7 (343) 300-90-87 или можете отправить запрос на почтовый ящик gbi@gbi22.ru.

Оплатить продукцию можно в рассрочку, для обсуждения вопросов оплаты так же можно обратиться к нашим менеджерам.

Продажа ЖБИ изделий производится с заводов в таких городах как:

  • Екатеринбург
  • Тюмень
  • Красноярск
  • Новосибирск
  • Иркутск
  • Ростов-на-дону
  • Нижний Новгород
  • Казань
  • Москва

Наши менеджеры помогут Вам подобрать оптимальное решения для ваших задач, сориентируют по наличию и ценам, расскажут про оптимальные варианты доставки и оплаты. Звоните +7 (343) 300-90-87

16 267 руб.
цена с НДС*
Наличие: нет
шт.
Перейти в корзину

Оформить заказ
Рассрочка
Рассказать друзьям: