В вашей корзине ещё нет товаров.
|
|||||||||
| Количество в квадратом метре, шт | 1,25 | ||||||||
| Нормы погрузки на авто | 5 | ||||||||
| Нормы погрузки ЖД | 17 | ||||||||
| Ссылка на стандарт | https://disk.yandex.ru/d/fX5YqCnFxsVNJA | ||||||||
| Геометрический объем | 1,584 |
| Объем бетона | 1,56 |
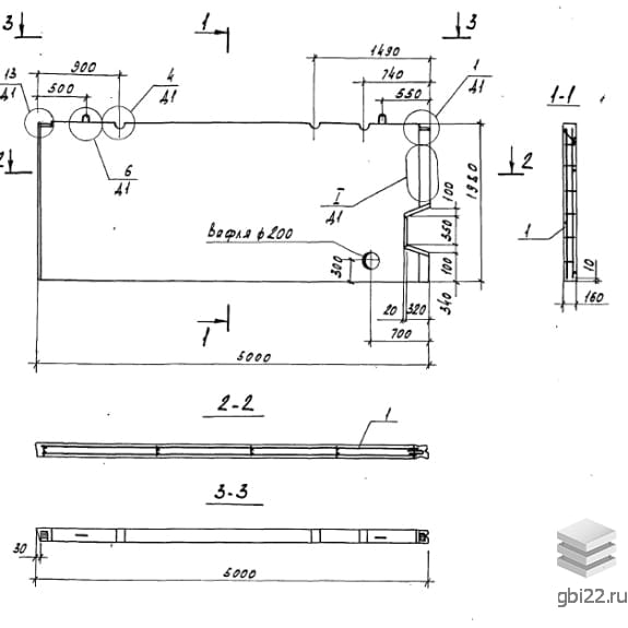
Цокольные панели 5ВСЦ 1 – это стандартизированные промышленные изделия, имеющие прямоугольную форму с небольшими выступами и углублениями, которые обеспечивают надежное соединение с другими элементами. Эти панели широко применяются при строительстве пяти- и девятиэтажных зданий из крупных панелей. Они служат для создания несущих стен как в подвале, так и на первом этаже, разделяя помещения и обеспечивая высокую надежность благодаря использованию качественного сырья.
Каждое изделие получает уникальный маркировочный код, состоящий из букв и цифр, который наносится с помощью трафаретов и штампов. Для долговечности маркировки используется черная влагостойкая краска. Рассмотрим расшифровку марки 5ВСЦ 1:
5 – тип детали (панель внутренняя цокольная);
50 – длина изделия в сантиметрах;
20 – высота изделия в сантиметрах;
16 – ширина изделия в сантиметрах;
150 – марка бетона;
т – тип бетона (тяжелый).
На панели также указывается дата производства, вес и ставится штамп ОТК. Заводская маркировка не подлежит изменению.
Изготовление панелей 5ВСЦ 1 осуществляется на заводе сборного железобетона в соответствии с нормами Серии 97. Основой для железобетонных конструкций служит бетон классов В12,5 и . Показатели морозостойкости и водонепроницаемости бетона определяются индивидуально в зависимости от условий строительства.
Панели получают высокую прочность благодаря армированию каркасами и сетками из горячекатаной стали класса A-III, а также применению арматурной проволоки Bp-I в соответствии с Серией 97 и ГОСТ 5781-82.
Для соединения с другими элементами в теле панелей предусмотрены закладные детали. Для удобства транспортировки и быстрого монтажа используются строповочные петли из стали класса A-I. Отпускная прочность изделий должна соответствовать установленным нормам, а контрольные проверки на трещиностойкость, прочность и жесткость являются обязательными.
Складирование железобетонных изделий осуществляется на подготовленной площадке. Изделия укладываются в рабочем положении на ровную поверхность, между ними прокладываются деревянные прокладки для защиты от повреждений. Для ускорения погрузочно-разгрузочных работ необходимо обеспечить удобный подъездной путь.
Транспортировка панелей осуществляется на панелевозах и железнодорожных платформах с соблюдением правил безопасности. Запрещается сваливать железобетонные изделия и перемещать их по земле волоком; все манипуляции проводятся с использованием специальной техники.
Длина: 5000 мм
Ширина: 160 мм
Высота: 1980 мм
Вес: 3900 кг
Марка бетона:
| Стандарт | серия |
| Номер стандарта | 97 |
| Статус | не определен |
| Год выпущенного стандарта | 1990 |
| Название стандарта | Крупнопанельные жилые дома и блок-секции жилых домов. 5, 9-этажные блок секции (унифицированные параметры арматурных изделий). |
| Название | Длина, мм | Ширина, мм | Высота, мм | Вес, кг | Номер стандарта | Цена | |
|---|---|---|---|---|---|---|---|
| 5000 | 160 | 2140 | 3700 | 97 |
18 861 руб. |
||
| 5000 | 160 | 2140 | 3700 | 97 |
18 861 руб. |
||
| 5000 | 160 | 1980 | 3900 | 97 |
19 615 руб. |
||
| 5000 | 160 | 1980 | 3900 | 97 |
19 615 руб. |
||
| 4390 | 160 | 1980 | 2550 | 97 |
13 769 руб. |
||
| 4390 | 160 | 1980 | 3280 | 97 |
16 713 руб. |
||
| 4390 | 160 | 1980 | 2550 | 97 |
13 769 руб. |
||
| 4390 | 160 | 1980 | 3280 | 97 |
16 713 руб. |
||
| 2890 | 160 | 1980 | 2100 | 97 |
10 926 руб. |
||
| 2890 | 160 | 1980 | 2100 | 97 |
10 926 руб. |
||
| 600 | 160 | 1980 | 480 | 97 |
3 070 руб. |
||
| 1480 | 160 | 1980 | 1100 | 97 |
5 948 руб. |
||
| 600 | 160 | 1980 | 480 | 97 |
3 070 руб. |
||
| 1480 | 160 | 1980 | 1100 | 97 |
5 948 руб. |
||
| 600 | 160 | 1980 | 480 | 97 |
по запросу |
||
| 1480 | 160 | 1980 | 1100 | 97 |
по запросу |
||
| 2890 | 160 | 1980 | 2100 | 97 |
по запросу |
||
| 4390 | 160 | 1980 | 2550 | 97 |
по запросу |
||
| 4390 | 160 | 1980 | 3280 | 97 |
по запросу |
||
| 5000 | 160 | 2150 | 3700 | 97 |
по запросу |
||
| 5000 | 160 | 1980 | 3900 | 97 |
по запросу |
||
| 600 | 160 | 1980 | 480 | 97 |
по запросу |
||
| 1480 | 160 | 1980 | 1100 | 97 |
по запросу |
||
| 2890 | 160 | 1980 | 2100 | 97 |
по запросу |
||
| 4390 | 160 | 1980 | 2550 | 97 |
по запросу |
||
| 4390 | 160 | 1980 | 3280 | 97 |
по запросу |
||
| 5000 | 160 | 2150 | 3700 | 97 |
по запросу |
| Название | Длина, мм | Ширина, мм | Высота, мм | Вес, кг | Номер стандарта | Цена | |
|---|---|---|---|---|---|---|---|
| 5000 | 160 | 2140 | 3700 | 97 |
18 861 руб. |
||
| 5000 | 160 | 2140 | 3700 | 97 |
18 861 руб. |
||
| 5000 | 160 | 1980 | 3900 | 97 |
19 615 руб. |
||
| 5000 | 160 | 1980 | 3900 | 97 |
19 615 руб. |
||
| 4390 | 160 | 1980 | 2550 | 97 |
13 769 руб. |
||
| 4390 | 160 | 1980 | 3280 | 97 |
16 713 руб. |
||
| 4390 | 160 | 1980 | 2550 | 97 |
13 769 руб. |
||
| 4390 | 160 | 1980 | 3280 | 97 |
16 713 руб. |
||
| 2890 | 160 | 1980 | 2100 | 97 |
10 926 руб. |
||
| 2890 | 160 | 1980 | 2100 | 97 |
10 926 руб. |
||
| 600 | 160 | 1980 | 480 | 97 |
3 070 руб. |
||
| 1480 | 160 | 1980 | 1100 | 97 |
5 948 руб. |
||
| 600 | 160 | 1980 | 480 | 97 |
3 070 руб. |
||
| 1480 | 160 | 1980 | 1100 | 97 |
5 948 руб. |
||
| 5890 | 160 | 2770 | 6130 | 97 |
30 977 руб. |
||
| 5890 | 160 | 2770 | 6130 | 97 |
30 977 руб. |
||
| 5890 | 160 | 2770 | 6150 | 97 |
31 276 руб. |
||
| 5890 | 160 | 2770 | 5330 | 97 |
27 252 руб. |
||
| 5890 | 160 | 2770 | 5280 | 97 |
28 176 руб. |
||
| 5890 | 160 | 2770 | 5280 | 97 |
28 176 руб. |
||
| 5890 | 160 | 2770 | 5350 | 97 |
28 482 руб. |
||
| 5890 | 160 | 2770 | 5350 | 97 |
28 482 руб. |
||
| 5890 | 160 | 2770 | 6150 | 97 |
31 276 руб. |
||
| 5890 | 160 | 2770 | 5350 | 97 |
28 482 руб. |
||
| 5890 | 160 | 2770 | 6130 | 97 |
30 977 руб. |
||
| 5890 | 160 | 2770 | 6130 | 97 |
30 977 руб. |
||
| 5890 | 160 | 2770 | 5330 | 97 |
27 252 руб. |
||
| 5890 | 160 | 2770 | 6150 | 97 |
31 059 руб. |
||
| 5890 | 160 | 2770 | 5280 | 97 |
28 176 руб. |
||
| 5890 | 160 | 2770 | 5280 | 97 |
28 176 руб. |
||
| 5890 | 160 | 2770 | 5350 | 97 |
28 482 руб. |
||
| 5890 | 160 | 2770 | 5350 | 97 |
28 482 руб. |
||
| 5890 | 160 | 2770 | 6150 | 97 |
31 276 руб. |
||
| 5890 | 160 | 2770 | 5350 | 97 |
28 460 руб. |
||
| 5890 | 160 | 2610 | 6100 | 97 |
30 782 руб. |
||
| 5890 | 160 | 2610 | 6100 | 97 |
30 782 руб. |
||
| 4480 | 160 | 2610 | 4680 | 97 |
23 640 руб. |
||
| 4480 | 160 | 2610 | 4680 | 97 |
23 640 руб. |
||
| 4390 | 160 | 2610 | 3830 | 97 |
20 814 руб. |
||
| 4390 | 160 | 2610 | 3780 | 97 |
19 903 руб. |
||
| 4390 | 160 | 2610 | 4530 | 97 |
22 980 руб. |
||
| 4390 | 160 | 2610 | 3830 | 97 |
20 814 руб. |
||
| 4390 | 160 | 2610 | 3780 | 97 |
19 903 руб. |
||
| 4390 | 160 | 2610 | 4530 | 97 |
22 980 руб. |
||
| 2980 | 160 | 2610 | 2300 | 97 |
13 078 руб. |
||
| 2980 | 160 | 2610 | 3050 | 97 |
15 564 руб. |
||
| 2980 | 160 | 2610 | 2300 | 97 |
13 078 руб. |
||
| 2980 | 160 | 2610 | 3050 | 97 |
15 564 руб. |
||
| 2890 | 160 | 2610 | 2230 | 97 |
12 340 руб. |
||
| 2890 | 160 | 2610 | 2950 | 97 |
15 766 руб. |
ТД "Еврастрой" предлагает купить Панели цокольные внутренних стен 5ВСЦ 1 по выгодной цене. Наша компания осуществляет доставку продукции по всей территории России и странам СНГ.
В каталоге представлено около 170 тыс. позиций.
По наличию и ценам Мы можем проконсультировать Вас по телефону +7 (343) 300-90-87 или можете отправить запрос на почтовый ящик gbi@gbi22.ru.
Оплатить продукцию можно в рассрочку, для обсуждения вопросов оплаты так же можно обратиться к нашим менеджерам.
Продажа ЖБИ изделий производится с заводов в таких городах как:
Наши менеджеры помогут Вам подобрать оптимальное решения для ваших задач, сориентируют по наличию и ценам, расскажут про оптимальные варианты доставки и оплаты. Звоните +7 (343) 300-90-87
