В вашей корзине ещё нет товаров.
| Цена за 1м3, руб | 19 590 с НДС* |
|
|||||||||
| Количество в квадратом метре, шт | 0,07 | ||||||||
| Нормы погрузки на авто | СПЕЦАВТО | ||||||||
| Нормы погрузки ЖД | 4 | ||||||||
| Ссылка на стандарт | https://disk.yandex.ru/d/t6dUx_wYkCAdeA | ||||||||
| Расход стали, кг | 469,5 |
| Расход стали на 1м3 бетона, кг | 69,33 |
| Класс прочности | В15 |
| Марка бетона | М200 |
| Морозостойкость | F100-F200 |
| Водонепроницаемость | W4-W6 |
| Марка бетона по EN 206-1 | C12/15 |
| Геометрический объем | 12,393 |
| Объем бетона | 6,77 |
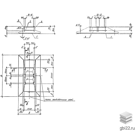
Фундаментные плиты Ф 5-19-33 – это высокопрочные железобетонные изделия прямоугольной формы с трапециевидным поперечным сечением, предназначенные для строительства производственных и общественных объектов. Эти уникальные конструкции являются частью сборного фундамента под колонны и используются в сочетании с другими элементами, разработанными по Серии 0-221-84.
Ф – тип конструкции (плита фундамента);
5 – типоразмер по верхней части;
19 – типоразмер по подошве;
33 – типоразмер по высоте;
3 – порядковый номер несущей способности;
б – индекс, указывающий на привязку закладных деталей, зависящую от размеров блоков, устанавливаемых на плиты.
Допускается наличие перед буквами цифровых индексов, отражающих используемые закладные детали, например: 1МН 1, 2МН 2.
Длина: 2700 мм
Ширина: 5100 мм
Высота: 900 мм
Вес: 16930 кг
Марка бетона: М200
Эти плиты используются при возведении производственных зданий и общественных сооружений. Они обеспечивают надежную основу для колонн и совместно с другими элементами формируют прочный фундамент.
Главной особенностью является способ формования в горизонтальных формах с раскрывающимися бортами, что позволяет максимально укрупнить элементы и исключить стыки по высоте. Это упрощает укладку и уплотнение бетона, а также улучшает общую конструкцию.
Изделия должны быть установлены на песчано-гравийную подготовку с ориентацией большего размера в направлении наибольшего изгибающего момента. Конструкции рассчитывались с учетом требований СНиП II-6-74 и подходят для обычных инженерно-геологических условий.
Основным материалом является тяжелый бетон марок М200 и М200 по прочности на сжатие. Водонепроницаемость и морозостойкость зависят от условий конкретного проекта. Важно обеспечить нормируемую величину защитного бетонного слоя для продления срока службы конструкций.
Изделия армируются плоскими сетками, выполненными в соответствии с требованиями ГОСТ 23279-78 из горячекатаной стержневой стали класса AIII по ГОСТ 8157-82. При наличии агрессивных грунтовых вод необходимо обеспечить дополнительную антикоррозионную и гидроизоляционную защиту в соответствии с требованиями СНиП II-28-73.
Перевозка и хранение плит Ф 5-19-33 должны осуществляться в горизонтальном положении в один ряд. Деревянные подкладки должны располагаться на расстоянии 200-400 мм от края изделия. Для подъема предусмотрены четыре конических отверстия. При погрузке и разгрузке следует использовать специализированную технику и соблюдать меры предосторожности.
| Стандарт | серия |
| Номер стандарта | 0-221-84 |
| Статус | не действует |
| Год выпущенного стандарта | 1984 |
| Название стандарта | Унифицированные сборные фундаменты под колонны промышленных зданий. |
| Название | Длина, мм | Ширина, мм | Высота, мм | Вес, кг | Номер стандарта | Цена | |
|---|---|---|---|---|---|---|---|
| 680 | 2100 | 200 | 700 | 3.501.9-188.13 |
5 088 руб. |
||
| 680 | 1420 | 200 | 500 | 3.501.9-188.13 |
3 691 руб. |
||
| 500 | 1900 | 200 | 500 | 3.501.9-188.13 |
3 529 руб. |
||
| 2010 | 2010 | 200 | 2000 | 2175рч |
14 094 руб. |
||
| 4100 | 2000 | 400 | 8300 | 3.501.1-150 |
143 359 руб. |
||
| 4100 | 1500 | 400 | 6300 | 3.501.1-150 |
106 077 руб. |
||
| 9500 | 1540 | 700 | 13800 | 3.505.1-15 |
по запросу |
||
| 9500 | 1540 | 700 | 12800 | 3.505.1-15 |
по запросу |
||
| 9500 | 1540 | 700 | 12000 | 3.505.1-15 |
по запросу |
||
| 9500 | 1540 | 600 | 12000 | 3.505.1-15 |
по запросу |
||
| 9500 | 1540 | 600 | 11300 | 3.505.1-15 |
по запросу |
||
| 9500 | 1540 | 600 | 10500 | 3.505.1-15 |
по запросу |
||
| 9500 | 1540 | 600 | 10000 | 3.505.1-15 |
по запросу |
||
| 9500 | 1540 | 500 | 9800 | 3.505.1-15 |
по запросу |
||
| 9500 | 1540 | 500 | 9300 | 3.505.1-15 |
по запросу |
||
| 9500 | 1540 | 500 | 8800 | 3.505.1-15 |
по запросу |
||
| 9000 | 1540 | 700 | 13500 | 3.505.1-15 |
по запросу |
||
| 9000 | 1540 | 700 | 12500 | 3.505.1-15 |
по запросу |
||
| 9000 | 1540 | 700 | 11500 | 3.505.1-15 |
по запросу |
||
| 9000 | 1540 | 600 | 11800 | 3.505.1-15 |
по запросу |
||
| 9000 | 1540 | 600 | 11000 | 3.505.1-15 |
по запросу |
||
| 9000 | 1540 | 600 | 10300 | 3.505.1-15 |
по запросу |
||
| 9000 | 1540 | 600 | 9800 | 3.505.1-15 |
по запросу |
||
| 9000 | 1540 | 500 | 9500 | 3.505.1-15 |
по запросу |
||
| 9000 | 1540 | 500 | 8500 | 3.505.1-15 |
по запросу |
||
| 9000 | 1540 | 500 | 9000 | 3.505.1-15 |
по запросу |
||
| 8500 | 1540 | 600 | 11500 | 3.505.1-15 |
по запросу |
||
| 8500 | 1540 | 600 | 10800 | 3.505.1-15 |
по запросу |
||
| 8500 | 1540 | 600 | 10000 | 3.505.1-15 |
по запросу |
||
| 8500 | 1540 | 600 | 9500 | 3.505.1-15 |
по запросу |
||
| 8500 | 1540 | 500 | 9300 | 3.505.1-15 |
по запросу |
||
| 8500 | 1540 | 500 | 8800 | 3.505.1-15 |
по запросу |
||
| 8500 | 1540 | 500 | 8300 | 3.505.1-15 |
по запросу |
||
| 8000 | 1540 | 600 | 11300 | 3.505.1-15 |
по запросу |
||
| 8000 | 1540 | 600 | 10300 | 3.505.1-15 |
по запросу |
||
| 8000 | 1540 | 600 | 9800 | 3.505.1-15 |
по запросу |
||
| 8000 | 1540 | 600 | 9000 | 3.505.1-15 |
по запросу |
||
| 8000 | 1540 | 500 | 9000 | 3.505.1-15 |
по запросу |
||
| 8000 | 1540 | 500 | 8500 | 3.505.1-15 |
по запросу |
||
| 8000 | 1540 | 500 | 8000 | 3.505.1-15 |
по запросу |
||
| 7500 | 1540 | 600 | 11000 | 3.505.1-15 |
по запросу |
||
| 7500 | 1540 | 600 | 10000 | 3.505.1-15 |
по запросу |
||
| 7500 | 1540 | 600 | 9300 | 3.505.1-15 |
по запросу |
||
| 7500 | 1540 | 600 | 8800 | 3.505.1-15 |
по запросу |
||
| 7500 | 1540 | 500 | 8800 | 3.505.1-15 |
по запросу |
||
| 7500 | 1540 | 500 | 8000 | 3.505.1-15 |
по запросу |
||
| 7500 | 1540 | 500 | 7500 | 3.505.1-15 |
по запросу |
||
| 7000 | 1540 | 500 | 8500 | 3.505.1-15 |
по запросу |
||
| 7000 | 1540 | 500 | 7800 | 3.505.1-15 |
по запросу |
||
| 7000 | 1540 | 500 | 7300 | 3.505.1-15 |
по запросу |
| Название | Длина, мм | Ширина, мм | Высота, мм | Вес, кг | Номер стандарта | Цена | |
|---|---|---|---|---|---|---|---|
| 3000 | 5400 | 900 | 17980 | 0-221-84 |
156 594 руб. |
||
| 3000 | 5400 | 900 | 17980 | 0-221-84 |
156 594 руб. |
||
| 3000 | 5400 | 900 | 17980 | 0-221-84 |
156 594 руб. |
||
| 3000 | 5400 | 900 | 17980 | 0-221-84 |
146 111 руб. |
||
| 3000 | 5400 | 900 | 17980 | 0-221-84 |
146 111 руб. |
||
| 3000 | 5400 | 900 | 17980 | 0-221-84 |
146 111 руб. |
||
| 3000 | 5400 | 900 | 17980 | 0-221-84 |
137 564 руб. |
||
| 3000 | 5400 | 900 | 17980 | 0-221-84 |
137 564 руб. |
||
| 3000 | 5400 | 900 | 17980 | 0-221-84 |
137 564 руб. |
||
| 3000 | 5400 | 900 | 17980 | 0-221-84 |
114 882 руб. |
||
| 3000 | 5400 | 900 | 17980 | 0-221-84 |
114 882 руб. |
||
| 3000 | 5400 | 900 | 17980 | 0-221-84 |
114 882 руб. |
||
| 2700 | 5100 | 900 | 16930 | 0-221-84 |
145 360 руб. |
||
| 2700 | 5100 | 900 | 16930 | 0-221-84 |
145 360 руб. |
||
| 2700 | 5100 | 900 | 16930 | 0-221-84 |
145 360 руб. |
||
| 2700 | 5100 | 900 | 16930 | 0-221-84 |
132 667 руб. |
||
| 2700 | 5100 | 900 | 16930 | 0-221-84 |
132 667 руб. |
||
| 2700 | 5100 | 900 | 16930 | 0-221-84 |
107 520 руб. |
||
| 2700 | 5100 | 900 | 16930 | 0-221-84 |
107 520 руб. |
||
| 2700 | 5100 | 900 | 16930 | 0-221-84 |
107 520 руб. |
||
| 2700 | 5100 | 900 | 16930 | 0-221-84 |
98 915 руб. |
||
| 2700 | 5100 | 900 | 16930 | 0-221-84 |
98 915 руб. |
||
| 2700 | 5100 | 900 | 16930 | 0-221-84 |
98 915 руб. |
||
| 2100 | 4500 | 800 | 11950 | 0-221-84 |
103 901 руб. |
||
| 2100 | 4500 | 800 | 11950 | 0-221-84 |
103 901 руб. |
||
| 2100 | 4500 | 800 | 11950 | 0-221-84 |
103 901 руб. |
||
| 2100 | 4500 | 800 | 11950 | 0-221-84 |
96 304 руб. |
||
| 2100 | 4500 | 800 | 11950 | 0-221-84 |
96 304 руб. |
||
| 2100 | 4500 | 800 | 11950 | 0-221-84 |
96 304 руб. |
||
| 2100 | 4500 | 800 | 11950 | 0-221-84 |
85 660 руб. |
||
| 2100 | 4500 | 800 | 11950 | 0-221-84 |
85 660 руб. |
||
| 2100 | 4500 | 800 | 11950 | 0-221-84 |
85 660 руб. |
||
| 2100 | 4500 | 800 | 11950 | 0-221-84 |
73 668 руб. |
||
| 2100 | 4500 | 800 | 11950 | 0-221-84 |
73 668 руб. |
||
| 2100 | 4500 | 800 | 11950 | 0-221-84 |
73 668 руб. |
||
| 2100 | 4500 | 800 | 11950 | 0-221-84 |
97 738 руб. |
||
| 2100 | 4500 | 800 | 11950 | 0-221-84 |
97 738 руб. |
||
| 2100 | 4500 | 800 | 11950 | 0-221-84 |
97 738 руб. |
||
| 2100 | 4500 | 800 | 11950 | 0-221-84 |
89 692 руб. |
||
| 2100 | 4500 | 800 | 11950 | 0-221-84 |
89 692 руб. |
||
| 2100 | 4500 | 800 | 11950 | 0-221-84 |
89 692 руб. |
||
| 2100 | 4500 | 800 | 11950 | 0-221-84 |
88 701 руб. |
||
| 2100 | 4500 | 800 | 11950 | 0-221-84 |
81 790 руб. |
||
| 2100 | 4500 | 800 | 11950 | 0-221-84 |
81 905 руб. |
||
| 2100 | 4500 | 800 | 11950 | 0-221-84 |
71 238 руб. |
||
| 2100 | 4500 | 800 | 11950 | 0-221-84 |
75 846 руб. |
||
| 2100 | 4500 | 800 | 11950 | 0-221-84 |
75 846 руб. |
||
| 1800 | 4200 | 700 | 8950 | 0-221-84 |
70 664 руб. |
||
| 1800 | 4200 | 700 | 8950 | 0-221-84 |
70 664 руб. |
||
| 1800 | 4200 | 700 | 8950 | 0-221-84 |
70 664 руб. |
ТД "Еврастрой" предлагает купить Плиты фундаментные Ф 5-19-33 а по выгодной цене. Наша компания осуществляет доставку продукции по всей территории России и странам СНГ.
В каталоге представлено около 170 тыс. позиций.
По наличию и ценам Мы можем проконсультировать Вас по телефону +7 (343) 300-90-87 или можете отправить запрос на почтовый ящик gbi@gbi22.ru.
Оплатить продукцию можно в рассрочку, для обсуждения вопросов оплаты так же можно обратиться к нашим менеджерам.
Продажа ЖБИ изделий производится с заводов в таких городах как:
Наши менеджеры помогут Вам подобрать оптимальное решения для ваших задач, сориентируют по наличию и ценам, расскажут про оптимальные варианты доставки и оплаты. Звоните +7 (343) 300-90-87
