Производство, продажа и
поставка ЖБИ по России и СНГ
Навигация
Код товара:
2 352 руб.
цена с НДС*

альбом 819

Краткие характеристики
Длина, мм
1200
Ширина, мм
1200
Высота, мм
80
Вес, кг
163

Все характеристики
Длина, мм
1200
Ширина, мм
1200
Высота, мм
80
Вес, кг
163
Количество в квадратом метре, шт
0,69
Нормы погрузки на авто
100
Нормы погрузки ЖД
340
Ссылка на стандарт
https://disk.yandex.ru/d/leca7OOba4DPqw
Расход стали, кг
13,85
Расход стали на 1м3 бетона, кг
212,42
Класс прочности
В15
Марка бетона
М200
Морозостойкость
F100-F200
Водонепроницаемость
W4-W6
Марка бетона по EN 206-1
C12/15
Геометрический объем
0,115
Объем бетона
0,07

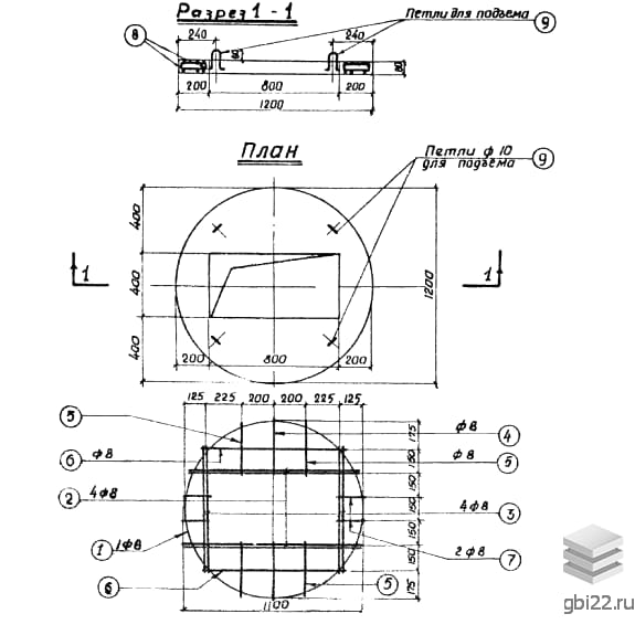
Плиты перекрытия колодцев П 12-40: характеристики и особенности

Плиты перекрытия колодцев П 12-40 – это надежные конструкции, предназначенные для защиты технических шахт, обеспечивающих доступ к подземным коммуникациям. Они полностью закрывают ствол колодца, предотвращая попадание мусора и обеспечивая безопасность людей и транспорта.

Маркировка изделий

Каждая плита имеет буквенно-цифровое обозначение, нанесенное на боковую поверхность:

  • П – обозначает тип изделия (плита);
  • 12 – длина в дециметрах (1200 мм);
  • 40 – типоразмер изделия.

Дополнительно на плиту наносят информацию о партии, дате изготовления, производителе и характеристиках бетона согласно Альбому 819.

Конструктивные особенности

Плита оснащена отверстием для люка, позволяющим проводить осмотр и обслуживание инженерных сетей. Возможно смещение отверстия от центра, что определяется проектной документацией. Чугунная крышка люка устанавливается заподлицо с поверхностью, исключая выступы над землей.

Технология производства

Изделия изготавливают методом вибропрессования из тяжелого бетона марок М200 или М200 с добавлением морозостойких и гидрофобных присадок. Армирование выполняется стальной сеткой с антикоррозионным покрытием, залитой слоем бетона не менее 2 см. После формования плита набирает прочность в течение 7 суток.

Эксплуатационные свойства

Плиты устойчивы к:

  • низким температурам;
  • влаге и агрессивным средам;
  • биологическому воздействию.

Транспортировка и хранение

Перевозка осуществляется спецтранспортом с соблюдением ГОСТ 8020-90:

  • высота штабеля – до 2,5 м;
  • обязательное использование деревянных прокладок;
  • запрещена навалка и сбрасывание плит.

Хранение допускается в штабелях до 6 рядов с подложкой толщиной от 4 см.

Технические параметры

Длина1200 мм
Ширина1200 мм
Высота80 мм
Вес163 кг
Марка бетонаМ200
Стандарт
альбом
Номер стандарта
819
Статус
не определен
Год выпущенного стандарта
1971
Название стандарта
Альбом водоотводных устройств на железных и автомобильных дорогах общей сети Союза ССР
Название Длина, ммШирина, ммВысота, ммВес, кгНомер стандарта Цена
9609601501308020-90
2 043 руб.
2200220016012508020-90
7 979 руб.
2200220016012508020-90
7 161 руб.
116011601202258020-90
2 363 руб.
168016801506808020-90
7 514 руб.
168016801506808020-90
7 538 руб.
116016801502508020-90
3 417 руб.
116016801502508020-90
3 781 руб.
100010001703358020-90
3 650 руб.
2200220016012808020-90
14 887 руб.
2200220016012808020-90
11 661 руб.
168016801506808020-90
6 867 руб.
168016801506808020-90
6 612 руб.
116011601502508020-90
3 078 руб.
116011601502508020-90
2 125 руб.
1900310170250905-7
2 505 руб.
1900310170250905-7
2 494 руб.
1900310170250905-7
2 194 руб.
260011002201360905-7
14 035 руб.
260011002201360905-7
13 344 руб.
19001100170720905-7
8 122 руб.
19001100170720905-7
7 811 руб.
19001100170720905-7
8 295 руб.
19001100170720905-7
7 972 руб.
19001100170720905-7
7 661 руб.
19001100170720905-7
7 661 руб.
225022501701360905-7
14 703 руб.
225022501701360905-7
14 058 руб.
17001700144670905-7
8 105 руб.
17001700144670905-7
7 471 руб.
11601160144250905-7
3 496 руб.
2400500180556902-9-1
7 022 руб.
2400500180547902-9-1
5 834 руб.
240015002201795902-9-1
21 950 руб.
240015002201811902-9-1
20 107 руб.
220022001501300902-9-1
14 993 руб.
1800500160368902-9-1
4 355 руб.
1800500160364902-9-1
3 795 руб.
180015001801094902-9-1
15 621 руб.
180015001801055902-9-1
11 269 руб.
16801680150525902-9-1
7 913 руб.
1400500120214902-9-1
2 409 руб.
1400500120212902-9-1
2 187 руб.
14001500160726902-9-1
11 233 руб.
14001500160726902-9-1
7 917 руб.
14101410150325902-9-1
4 527 руб.
16801680150680902-2-356
4 009 руб.
13001300120275902-09-46.88
4 510 руб.
11601160120225902-09-46.88
3 801 руб.
10001000120148902-09-46.88
2 724 руб.
Полный каталог
Название Длина, ммШирина, ммВысота, ммВес, кгНомер стандарта Цена
88050010093819
1 173 руб.
800510250212819
1 075 руб.
1000620120157819
1 097 руб.
8504908077819
890 руб.
10006006079819
1 106 руб.
1000100080130819
2 006 руб.
10004006053819
767 руб.
1000100060132819
768 руб.
105069080135819
645 руб.
200080011501660819
13 534 руб.
10008001150830819
6 721 руб.
20007408701100819
8 884 руб.
1000740870580819
4 535 руб.
2000680590700819
5 651 руб.
1000680590350819
2 801 руб.
10001300400333819
2 813 руб.
29501120560730819
5 549 руб.
2950920460600819
4 597 руб.
840840894350819
2 258 руб.
11601160894575819
3 395 руб.
1200120080225819
2 116 руб.
90090080125819
1 029 руб.
4904908042819
696 руб.
1000450180190819
897 руб.
1000500200239819
1 284 руб.
54052025053819
1 265 руб.
50037522091819
1 079 руб.
50037520082819
976 руб.
50025020055819
669 руб.
1500888400313819
2 954 руб.
1000750220390819
2 009 руб.
1000750200355819
1 841 руб.

ТД "Еврастрой" предлагает купить Плиты перекрытия колодцев П 12-40 по выгодной цене. Наша компания осуществляет доставку продукции по всей территории России и странам СНГ.

В каталоге представлено около 170 тыс. позиций.

По наличию и ценам Мы можем проконсультировать Вас по телефону +7 (343) 300-90-87 или можете отправить запрос на почтовый ящик gbi@gbi22.ru.

Оплатить продукцию можно в рассрочку, для обсуждения вопросов оплаты так же можно обратиться к нашим менеджерам.

Продажа ЖБИ изделий производится с заводов в таких городах как:

  • Екатеринбург
  • Тюмень
  • Красноярск
  • Новосибирск
  • Иркутск
  • Ростов-на-дону
  • Нижний Новгород
  • Казань
  • Москва

Наши менеджеры помогут Вам подобрать оптимальное решения для ваших задач, сориентируют по наличию и ценам, расскажут про оптимальные варианты доставки и оплаты. Звоните +7 (343) 300-90-87

2 352 руб.
цена с НДС*
Наличие: нет
шт.
Перейти в корзину

Оформить заказ
Рассрочка
Рассказать друзьям: