В вашей корзине ещё нет товаров.
|
|||||||||
| Количество в квадратом метре, шт | 4,22 | ||||||||
| Нормы погрузки на авто | 26 | ||||||||
| Нормы погрузки ЖД | 92 | ||||||||
| Ссылка на стандарт | https://disk.yandex.ru/d/fX5YqCnFxsVNJA | ||||||||
| Расход стали, кг | 14,37 |
| Расход стали на 1м3 бетона, кг | 47,90 |
| Класс прочности | В15 |
| Марка бетона | М200 |
| Морозостойкость | F100-F200 |
| Водонепроницаемость | W4-W6 |
| Марка бетона по EN 206-1 | C12/15 |
| Геометрический объем | 0,618 |
| Объем бетона | 0,30 |
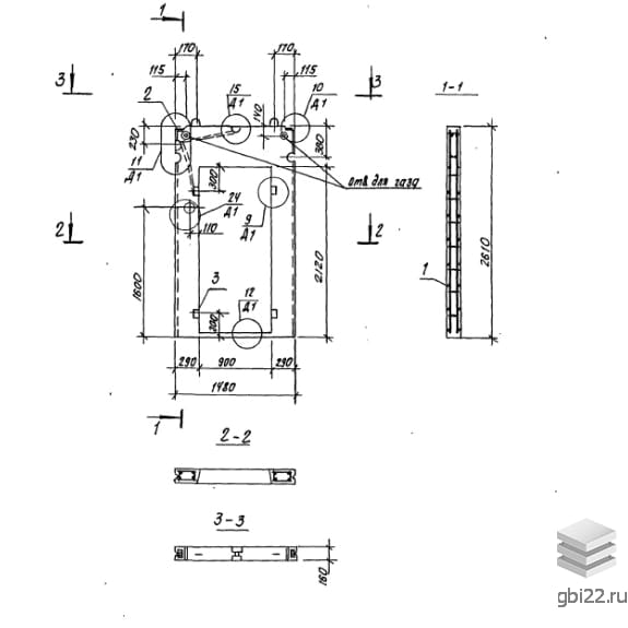
Панели внутренних стен ПСВ 15-26-16-200 т представляют собой прямоугольные строительные элементы с небольшими углублениями, предназначенными для соединения с другими конструкциями. Эти железобетонные изделия разработаны по Серии 97 и активно применяются при строительстве пяти- и девятиэтажных зданий, играя ключевую роль в несущем каркасе и разделении помещений.
Каждая панель имеет универсальную маркировку, которая наносится на боковую грань элемента влагостойкой краской. Это позволяет легко идентифицировать нужный элемент на складе. Рассмотрим расшифровку маркировки ПСВ 15-26-16-200 т:
ПСВ – тип детали (панель стеновая внутренняя);
15 – длина элемента в сантиметрах;
26 – высота в сантиметрах;
16 – ширина в сантиметрах;
200 – марка бетона;
т – вид бетона (тяжелый);
2 – вариант расположения.
Заводская маркировка не подлежит изменению, что строго регламентируется. На панелях также указывается дата производства, вес, логотип производителя и штамп ОТК. За качество изделий отвечает производитель, использующий только высококачественные материалы. Серия 97 содержит основные требования к производству этих конструкций, основанных на бетоне классов B 12,5 и B 15.
Бетонные изделия получают дополнительную прочность благодаря качественному армированию. Армирование осуществляется с использованием пространственных и плоских каркасов, применяя арматурную сталь A-III в соответствии с нормами ГОСТ 5781-82 и Серии 97. Закладные элементы изготавливаются из полосовой стали марок Ст3, а монтажные петли – из горячекатаной арматурной стали Ac-II по ГОСТ 18599-83.
Для скрытой электропроводки панели содержат замоноличенные полиэтиленовые трубки. В панелях с дверными проемами предусмотрены деревянные антисептические пробки для крепления коробок. Все металлические компоненты проходят антикоррозионную обработку. Перед отправкой к заказчику, изделия проходят контрольные проверки на прочность, жесткость и трещиностойкость. Поверхность должна быть без пятен, вмятин и наплывов, а обнажение арматуры недопустимо. Только те партии, которые успешно прошли проверки, получают паспорт качества.
Складирование и транспортировка панелей ПСВ 15-26-16-200 т осуществляется в соответствии с ГОСТ 12504-80 и Серией 97. Элементы размещаются на складе в вертикальном положении, между рядами укладываются деревянные подкладки. Транспортировка осуществляется на панелевозах или железнодорожных платформах с надежной фиксацией. Погрузка и разгрузка проводятся на подготовленной территории, что также влияет на качество изделий.
Длина: 1480 мм
Ширина: 160 мм
Высота: 2610 мм
Вес: 750 кг
Марка бетона: М200
| Стандарт | серия |
| Номер стандарта | 97 |
| Статус | не определен |
| Год выпущенного стандарта | 1990 |
| Название стандарта | Крупнопанельные жилые дома и блок-секции жилых домов. 5, 9-этажные блок секции (унифицированные параметры арматурных изделий). |
| Название | Длина, мм | Ширина, мм | Высота, мм | Вес, кг | Номер стандарта | Цена | |
|---|---|---|---|---|---|---|---|
| 3050 | 370 | 6690 | 3400 | 1.490.1-1 |
42 682 руб. |
||
| 3050 | 370 | 6690 | 3400 | 1.490.1-1 |
42 682 руб. |
||
| 3050 | 370 | 6690 | 4300 | 1.490.1-1 |
48 003 руб. |
||
| 3050 | 370 | 6690 | 4300 | 1.490.1-1 |
48 003 руб. |
||
| 3050 | 345 | 6690 | 3300 | 1.490.1-1 |
42 206 руб. |
||
| 3050 | 345 | 6690 | 3300 | 1.490.1-1 |
42 206 руб. |
||
| 3050 | 345 | 6690 | 4200 | 1.490.1-1 |
47 527 руб. |
||
| 3050 | 345 | 6690 | 4200 | 1.490.1-1 |
47 527 руб. |
||
| 3050 | 395 | 6690 | 3400 | 1.490.1-1 |
42 682 руб. |
||
| 3050 | 395 | 6690 | 3400 | 1.490.1-1 |
42 682 руб. |
||
| 3050 | 395 | 6690 | 4300 | 1.490.1-1 |
48 119 руб. |
||
| 3050 | 395 | 6690 | 4300 | 1.490.1-1 |
48 119 руб. |
||
| 3050 | 375 | 6690 | 3500 | 1.490.1-1 |
43 158 руб. |
||
| 3050 | 375 | 6690 | 3500 | 1.490.1-1 |
43 158 руб. |
||
| 3050 | 375 | 6690 | 4400 | 1.490.1-1 |
48 480 руб. |
||
| 3050 | 375 | 6690 | 4400 | 1.490.1-1 |
48 480 руб. |
||
| 3050 | 455 | 6690 | 3700 | 1.490.1-1 |
44 456 руб. |
||
| 3050 | 455 | 6690 | 3700 | 1.490.1-1 |
44 456 руб. |
||
| 3050 | 455 | 6690 | 4700 | 1.490.1-1 |
50 253 руб. |
||
| 3050 | 455 | 6690 | 4700 | 1.490.1-1 |
50 253 руб. |
||
| 3050 | 415 | 6690 | 3600 | 1.490.1-1 |
43 864 руб. |
||
| 3050 | 415 | 6690 | 3600 | 1.490.1-1 |
43 864 руб. |
||
| 3050 | 415 | 6690 | 4500 | 1.490.1-1 |
49 071 руб. |
||
| 3050 | 415 | 6690 | 4500 | 1.490.1-1 |
49 071 руб. |
||
| 2980 | 470 | 5820 | 3800 | 1.490.1-1 |
63 708 руб. |
||
| 2980 | 470 | 5820 | 3800 | 1.490.1-1 |
63 708 руб. |
||
| 2980 | 470 | 5820 | 4200 | 1.490.1-1 |
66 074 руб. |
||
| 2980 | 470 | 5820 | 4200 | 1.490.1-1 |
66 074 руб. |
||
| 2980 | 445 | 5820 | 3800 | 1.490.1-1 |
63 708 руб. |
||
| 2980 | 445 | 5820 | 3800 | 1.490.1-1 |
63 708 руб. |
||
| 2980 | 445 | 5820 | 4200 | 1.490.1-1 |
66 074 руб. |
||
| 2980 | 445 | 5820 | 4200 | 1.490.1-1 |
66 074 руб. |
||
| 2980 | 495 | 5820 | 3800 | 1.490.1-1 |
63 939 руб. |
||
| 2980 | 495 | 5820 | 3800 | 1.490.1-1 |
63 939 руб. |
||
| 2980 | 495 | 5820 | 4200 | 1.490.1-1 |
66 304 руб. |
||
| 2980 | 495 | 5820 | 4200 | 1.490.1-1 |
66 304 руб. |
||
| 2980 | 475 | 5820 | 3900 | 1.490.1-1 |
64 185 руб. |
||
| 2980 | 475 | 5820 | 3900 | 1.490.1-1 |
64 185 руб. |
||
| 2980 | 475 | 5820 | 4300 | 1.490.1-1 |
66 550 руб. |
||
| 2980 | 475 | 5820 | 4300 | 1.490.1-1 |
66 550 руб. |
||
| 2980 | 555 | 5820 | 4000 | 1.490.1-1 |
65 121 руб. |
||
| 2980 | 555 | 5820 | 4000 | 1.490.1-1 |
65 121 руб. |
||
| 2980 | 555 | 5820 | 4500 | 1.490.1-1 |
67 963 руб. |
||
| 2980 | 555 | 5820 | 4500 | 1.490.1-1 |
67 963 руб. |
||
| 2980 | 515 | 5820 | 3900 | 1.490.1-1 |
64 415 руб. |
||
| 2980 | 515 | 5820 | 3900 | 1.490.1-1 |
64 415 руб. |
||
| 2980 | 515 | 5820 | 4400 | 1.490.1-1 |
67 256 руб. |
||
| 2980 | 515 | 5820 | 4400 | 1.490.1-1 |
67 256 руб. |
||
| 5980 | 160 | 3040 | 5150 | 1.220.1-2 |
28 335 руб. |
||
| 5980 | 160 | 3040 | 5150 | 1.220.1-2 |
28 335 руб. |
| Название | Длина, мм | Ширина, мм | Высота, мм | Вес, кг | Номер стандарта | Цена | |
|---|---|---|---|---|---|---|---|
| 5000 | 160 | 2140 | 3700 | 97 |
18 861 руб. |
||
| 5000 | 160 | 2140 | 3700 | 97 |
18 861 руб. |
||
| 5000 | 160 | 1980 | 3900 | 97 |
19 615 руб. |
||
| 5000 | 160 | 1980 | 3900 | 97 |
19 615 руб. |
||
| 4390 | 160 | 1980 | 2550 | 97 |
13 769 руб. |
||
| 4390 | 160 | 1980 | 3280 | 97 |
16 713 руб. |
||
| 4390 | 160 | 1980 | 2550 | 97 |
13 769 руб. |
||
| 4390 | 160 | 1980 | 3280 | 97 |
16 713 руб. |
||
| 2890 | 160 | 1980 | 2100 | 97 |
10 926 руб. |
||
| 2890 | 160 | 1980 | 2100 | 97 |
10 926 руб. |
||
| 600 | 160 | 1980 | 480 | 97 |
3 070 руб. |
||
| 1480 | 160 | 1980 | 1100 | 97 |
5 948 руб. |
||
| 600 | 160 | 1980 | 480 | 97 |
3 070 руб. |
||
| 1480 | 160 | 1980 | 1100 | 97 |
5 948 руб. |
||
| 5890 | 160 | 2770 | 6130 | 97 |
30 977 руб. |
||
| 5890 | 160 | 2770 | 6130 | 97 |
30 977 руб. |
||
| 5890 | 160 | 2770 | 6150 | 97 |
31 276 руб. |
||
| 5890 | 160 | 2770 | 5330 | 97 |
27 252 руб. |
||
| 5890 | 160 | 2770 | 5280 | 97 |
28 176 руб. |
||
| 5890 | 160 | 2770 | 5280 | 97 |
28 176 руб. |
||
| 5890 | 160 | 2770 | 5350 | 97 |
28 482 руб. |
||
| 5890 | 160 | 2770 | 5350 | 97 |
28 482 руб. |
||
| 5890 | 160 | 2770 | 6150 | 97 |
31 276 руб. |
||
| 5890 | 160 | 2770 | 5350 | 97 |
28 482 руб. |
||
| 5890 | 160 | 2770 | 6130 | 97 |
30 977 руб. |
||
| 5890 | 160 | 2770 | 6130 | 97 |
30 977 руб. |
||
| 5890 | 160 | 2770 | 5330 | 97 |
27 252 руб. |
||
| 5890 | 160 | 2770 | 6150 | 97 |
31 059 руб. |
||
| 5890 | 160 | 2770 | 5280 | 97 |
28 176 руб. |
||
| 5890 | 160 | 2770 | 5280 | 97 |
28 176 руб. |
||
| 5890 | 160 | 2770 | 5350 | 97 |
28 482 руб. |
||
| 5890 | 160 | 2770 | 5350 | 97 |
28 482 руб. |
||
| 5890 | 160 | 2770 | 6150 | 97 |
31 276 руб. |
||
| 5890 | 160 | 2770 | 5350 | 97 |
28 460 руб. |
||
| 5890 | 160 | 2610 | 6100 | 97 |
30 782 руб. |
||
| 5890 | 160 | 2610 | 6100 | 97 |
30 782 руб. |
||
| 4480 | 160 | 2610 | 4680 | 97 |
23 640 руб. |
||
| 4480 | 160 | 2610 | 4680 | 97 |
23 640 руб. |
||
| 4390 | 160 | 2610 | 3830 | 97 |
20 814 руб. |
||
| 4390 | 160 | 2610 | 3780 | 97 |
19 903 руб. |
||
| 4390 | 160 | 2610 | 4530 | 97 |
22 980 руб. |
||
| 4390 | 160 | 2610 | 3830 | 97 |
20 814 руб. |
||
| 4390 | 160 | 2610 | 3780 | 97 |
19 903 руб. |
||
| 4390 | 160 | 2610 | 4530 | 97 |
22 980 руб. |
||
| 2980 | 160 | 2610 | 2300 | 97 |
13 078 руб. |
||
| 2980 | 160 | 2610 | 3050 | 97 |
15 564 руб. |
||
| 2980 | 160 | 2610 | 2300 | 97 |
13 078 руб. |
||
| 2980 | 160 | 2610 | 3050 | 97 |
15 564 руб. |
||
| 2890 | 160 | 2610 | 2230 | 97 |
12 340 руб. |
||
| 2890 | 160 | 2610 | 2950 | 97 |
15 766 руб. |
ТД "Еврастрой" предлагает купить Панели стеновые ПСВ 15-26-16-200 т по выгодной цене. Наша компания осуществляет доставку продукции по всей территории России и странам СНГ.
В каталоге представлено около 170 тыс. позиций.
По наличию и ценам Мы можем проконсультировать Вас по телефону +7 (343) 300-90-87 или можете отправить запрос на почтовый ящик gbi@gbi22.ru.
Оплатить продукцию можно в рассрочку, для обсуждения вопросов оплаты так же можно обратиться к нашим менеджерам.
Продажа ЖБИ изделий производится с заводов в таких городах как:
Наши менеджеры помогут Вам подобрать оптимальное решения для ваших задач, сориентируют по наличию и ценам, расскажут про оптимальные варианты доставки и оплаты. Звоните +7 (343) 300-90-87
