В вашей корзине ещё нет товаров.
|
|||||||||
| Количество в квадратом метре, шт | 0,23 | ||||||||
| Нормы погрузки на авто | 8 | ||||||||
| Нормы погрузки ЖД | 30 | ||||||||
| Ссылка на стандарт | https://disk.yandex.ru/d/3tglBZA9t7OXig | ||||||||
| Расход стали, кг | 99,3 |
| Расход стали на 1м3 бетона, кг | 109,85 |
| Класс прочности | В20 |
| Марка бетона | М250 |
| Морозостойкость | F150-F200 |
| Водонепроницаемость | W4-W6 |
| Марка бетона по EN 206-1 | C16/20 |
| Геометрический объем | 0,963 |
| Объем бетона | 0,90 |
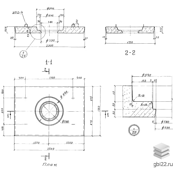
Плиты дорожные с отверстием под люк ПД 6 – это железобетонные конструкции, которые получили широкое применение в сфере дорожного строительства. Эти элементы обеспечивают долговечность и прочность, что делает их незаменимыми для обустройства технических сооружений.
П – тип изделия (плита);
Д – дорожная;
6 – размерный ряд.
Габаритные размеры: 2500 х 1750 х 220 мм
Вес: 2260 кг
Марка бетона: М2500
Плиты ПД 6 предназначены для перекрытия колодцев, обеспечивая защиту от попадания мусора и предотвращая падение людей или техники в люк. Они также защищают от обрушения грунта и выполняют другие важные функции.
Изделия изготавливаются из высокопрочных материалов, что позволяет им выдерживать значительные нагрузки от проезжающего транспорта. Плиты ПД 6 демонстрируют отличные эксплуатационные характеристики, включая стойкость к низким температурам и воздействию воды.
Для обеспечения долговечности плиты подвергаются обязательной обработке, так как в дорожном строительстве используются хлористые соли для борьбы с обледенением. Без соответствующей химической и гидрофобной защиты плиты не допускаются к эксплуатации.
Плиты ПД 6 могут использоваться для устройства водоотводных, канализационных и других подземных колодцев. Они также применяются в городских коммуникациях, дренажных системах и газопроводах.
Плиты маркируются в соответствии с ГОСТ 8020-90, где указывается тип изделия и размерная группа. Дополнительно указываются параметры, такие как геометрический объем, масса и дата изготовления, которые наносятся несмываемой краской на боковую поверхность.
Изготовление плит осуществляется по технологии вибропрессования с использованием тяжелых бетонов. Для повышения прочности применяются гравийный щебень и очищенная вода. Бетон должен соответствовать марке по прочности на сжатие не менее М250.
Все плиты армируются стальными каркасами, что позволяет использовать их в условиях повышенных нагрузок. Стальные элементы подвергаются антикоррозионной обработке для увеличения срока службы.
Транспортировка плит осуществляется с использованием специализированного транспорта. Укладка производится в "шашечном" порядке с использованием изоляционных материалов для защиты.
| Стандарт | ГОСТ |
| Номер стандарта | 8020-90 |
| Статус | заменен ГОСТ 8020-2016 |
| Год выпущенного стандарта | 1990 |
| Название стандарта | Конструкции бетонные и железобетонные для колодцев канализационных, водопроводных и газопроводных сетей. Технические условия. |
| Название | Длина, мм | Ширина, мм | Высота, мм | Вес, кг | Номер стандарта | Цена | |
|---|---|---|---|---|---|---|---|
| 2500 | 1750 | 220 | 2125 | 8020-90 |
21 387 руб. |
||
| 2800 | 2000 | 220 | 2500 | 902-9-1 |
25 315 руб. |
||
| 2800 | 2000 | 220 | 2480 | 8020-90 |
24 103 руб. |
| Название | Длина, мм | Ширина, мм | Высота, мм | Вес, кг | Номер стандарта | Цена | |
|---|---|---|---|---|---|---|---|
| 960 | 960 | 150 | 130 | 8020-90 |
2 043 руб. |
||
| 2500 | 2500 | 120 | 1880 | 8020-90 |
17 877 руб. |
||
| 1500 | 1500 | 100 | 560 | 8020-90 |
4 343 руб. |
||
| 2000 | 2000 | 120 | 1200 | 8020-90 |
9 386 руб. |
||
| 2700 | 2700 | 120 | 2400 | 8020-90 |
27 647 руб. |
||
| 2700 | 2700 | 890 | 2200 | 8020-90 |
12 494 руб. |
||
| 2700 | 2700 | 590 | 1200 | 8020-90 |
7 383 руб. |
||
| 2200 | 2200 | 290 | 475 | 8020-90 |
5 942 руб. |
||
| 2200 | 2200 | 890 | 1470 | 8020-90 |
11 192 руб. |
||
| 2200 | 2200 | 590 | 980 | 8020-90 |
8 812 руб. |
||
| 2200 | 2200 | 1190 | 1550 | 8020-90 |
9 477 руб. |
||
| 1680 | 1680 | 290 | 330 | 8020-90 |
4 076 руб. |
||
| 1680 | 1680 | 890 | 1000 | 8020-90 |
6 694 руб. |
||
| 1680 | 1680 | 590 | 660 | 8020-90 |
5 842 руб. |
||
| 1160 | 1160 | 890 | 600 | 8020-90 |
4 221 руб. |
||
| 1160 | 1160 | 590 | 400 | 8020-90 |
3 718 руб. |
||
| 1160 | 1160 | 290 | 200 | 8020-90 |
3 612 руб. |
||
| 840 | 840 | 590 | 250 | 8020-90 |
2 956 руб. |
||
| 840 | 840 | 890 | 380 | 8020-90 |
4 607 руб. |
||
| 840 | 840 | 290 | 130 | 8020-90 |
2 178 руб. |
||
| 2500 | 1750 | 220 | 2125 | 8020-90 |
21 387 руб. |
||
| 2200 | 2200 | 290 | 475 | 8020-90 |
5 942 руб. |
||
| 2200 | 2200 | 160 | 1250 | 8020-90 |
7 979 руб. |
||
| 2200 | 2200 | 160 | 1250 | 8020-90 |
7 161 руб. |
||
| 2600 | 2600 | 250 | 3500 | 8020-90 |
25 397 руб. |
||
| 900 | 900 | 100 | 150 | 8020-90 |
3 240 руб. |
||
| 2200 | 2200 | 890 | 2540 | 8020-90 |
14 080 руб. |
||
| 2200 | 2200 | 890 | 1400 | 8020-90 |
8 102 руб. |
||
| 1680 | 1680 | 800 | 1000 | 8020-90 |
7 035 руб. |
||
| 1680 | 1680 | 880 | 1000 | 8020-90 |
7 035 руб. |
||
| 1680 | 1680 | 1010 | 1580 | 8020-90 |
16 242 руб. |
||
| 1680 | 1680 | 290 | 330 | 8020-90 |
4 076 руб. |
||
| 1160 | 1160 | 990 | 860 | 8020-90 |
7 166 руб. |
||
| 1160 | 1160 | 890 | 600 | 8020-90 |
5 509 руб. |
||
| 1160 | 1160 | 120 | 225 | 8020-90 |
2 363 руб. |
||
| 1680 | 1680 | 150 | 680 | 8020-90 |
7 514 руб. |
||
| 1680 | 1680 | 150 | 680 | 8020-90 |
7 538 руб. |
||
| 1160 | 1680 | 150 | 250 | 8020-90 |
3 417 руб. |
||
| 1160 | 1680 | 150 | 250 | 8020-90 |
3 781 руб. |
||
| 1460 | 1460 | 220 | 1070 | 8020-90 |
17 767 руб. |
||
| 1980 | 1980 | 220 | 2045 | 8020-90 |
19 794 руб. |
||
| 1750 | 1750 | 170 | 1170 | 8020-90 |
11 776 руб. |
||
| 1680 | 930 | 220 | 1075 | 8020-90 |
10 412 руб. |
||
| 1680 | 930 | 220 | 1075 | 8020-90 |
10 412 руб. |
||
| 1300 | 930 | 220 | 575 | 8020-90 |
8 952 руб. |
||
| 1300 | 930 | 220 | 575 | 8020-90 |
8 952 руб. |
||
| 1000 | 1000 | 170 | 335 | 8020-90 |
3 650 руб. |
||
| 2200 | 2200 | 160 | 1280 | 8020-90 |
14 887 руб. |
||
| 2200 | 2200 | 160 | 1280 | 8020-90 |
11 661 руб. |
||
| 1680 | 1680 | 150 | 680 | 8020-90 |
6 867 руб. |
ТД "Еврастрой" предлагает купить Плиты дорожные с нишей для люка ПД 6 по выгодной цене. Наша компания осуществляет доставку продукции по всей территории России и странам СНГ.
В каталоге представлено около 170 тыс. позиций.
По наличию и ценам Мы можем проконсультировать Вас по телефону +7 (343) 300-90-87 или можете отправить запрос на почтовый ящик gbi@gbi22.ru.
Оплатить продукцию можно в рассрочку, для обсуждения вопросов оплаты так же можно обратиться к нашим менеджерам.
Продажа ЖБИ изделий производится с заводов в таких городах как:
Наши менеджеры помогут Вам подобрать оптимальное решения для ваших задач, сориентируют по наличию и ценам, расскажут про оптимальные варианты доставки и оплаты. Звоните +7 (343) 300-90-87
