В вашей корзине ещё нет товаров.
|
|||||||||
| Количество в квадратом метре, шт | 0,47 | ||||||||
| Нормы погрузки на авто | 10 | ||||||||
| Нормы погрузки ЖД | 36 | ||||||||
| Ссылка на стандарт | https://disk.yandex.ru/d/1aVUrWBmk5Q8yg | ||||||||
| Расход стали, кг | 64,18 |
| Расход стали на 1м3 бетона, кг | 84,45 |
| Класс прочности | В22,5 |
| Марка бетона | М300 |
| Морозостойкость | F150-F300 |
| Водонепроницаемость | W6-W8 |
| Марка бетона по EN 206-1 | C18/22 |
| Геометрический объем | 0,955 |
| Объем бетона | 0,76 |
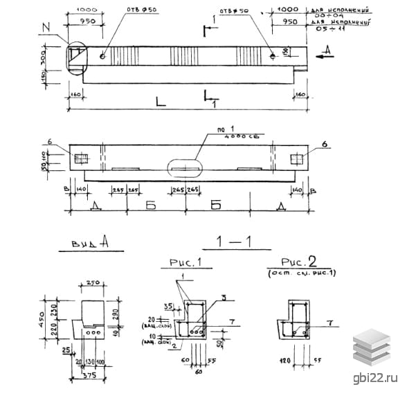
Ригель 1РОП 4-57-21 АтV (1.020-1) – стандартизированная железобетонная конструкция Т-образного сечения, предназначенная для поддержки плит перекрытия в многоэтажных зданиях. Применяется в промышленном и гражданском строительстве в умеренных климатических условиях. Обеспечивает высокую несущую способность и устойчивость сооружения.
1РОП 4-57-21 АтV (1.020-1) – каждая часть обозначения содержит ключевую информацию о параметрах изделия:
1 – наличие подрезок для монтажа на колонны (2 – отсутствие подрезок);
РО – тип ригеля (однополочный);
П – совместимость с многопустотными плитами;
4 – высота сечения (дм);
57 – длина элемента (дм);
21 – показатель несущей способности;
АтV – класс арматурной стали.
Дополнительно на изделии указывается дата производства и отметка ОТК.
Габариты:
Длина: 5660 мм
Ширина: 375 мм
Высота: 450 мм
Вес: 1900 кг
Бетон: марка М300 с индивидуальными показателями морозостойкости и водонепроницаемости в зависимости от региона эксплуатации.
Изготовление осуществляется в соответствии с требованиями Серии 1.020-1 на специализированных предприятиях. Конструкция включает:
- Предварительно напряженную арматуру класса АтV (ГОСТ 10884);
- Закладные детали с антикоррозионной защитой;
- Строповочные петли для удобства монтажа.
Каждая партия проходит испытания на:
- Прочность и жесткость;
- Отсутствие трещин и дефектов;
- Соответствие геометрических параметров.
Перевозка осуществляется специализированным транспортом с обязательной фиксацией конструкций. Хранение допускается в штабелях высотой до 2 метров в рабочем положении.
| Стандарт | серия |
| Номер стандарта | 1.020-1 |
| Статус | заменен серия ИИ 04 |
| Год выпущенного стандарта | 1981 |
| Название стандарта | Конструкции каркаса межвидового применения для многоэтажных общественных и производственных зданий. |
| Название | Длина, мм | Ширина, мм | Высота, мм | Вес, кг | Номер стандарта | Цена | |
|---|---|---|---|---|---|---|---|
| 4980 | 650 | 800 | 4100 | 1.440-3м/92 |
60 947 руб. |
||
| 5280 | 300 | 1000 | 3800 | ИИЭ 30 |
93 951 руб. |
||
| 5280 | 300 | 1000 | 3800 | ИИЭ 30 |
89 147 руб. |
||
| 5280 | 300 | 1000 | 3800 | ИИЭ 30 |
88 845 руб. |
||
| 5280 | 300 | 1000 | 3800 | ИИЭ 30 |
84 042 руб. |
||
| 5280 | 300 | 1000 | 3800 | ИИЭ 30 |
74 918 руб. |
||
| 5280 | 300 | 1000 | 3800 | ИИЭ 30 |
74 616 руб. |
||
| 5280 | 300 | 1000 | 3800 | ИИЭ 30 |
72 188 руб. |
||
| 5280 | 300 | 1000 | 3800 | ИИЭ 30 |
71 886 руб. |
||
| 7500 | 300 | 400 | 1500 | 24155-2016 |
26 665 руб. |
||
| 6000 | 300 | 300 | 1000 | 24155-2016 |
19 927 руб. |
||
| 4500 | 300 | 300 | 750 | 24155-2016 |
11 489 руб. |
||
| 3000 | 300 | 300 | 500 | 24155-2016 |
6 392 руб. |
||
| 7500 | 300 | 400 | 1525 | 501-07-3.83 |
26 783 руб. |
||
| 6000 | 300 | 300 | 925 | 501-07-3.83 |
19 573 руб. |
||
| 4500 | 300 | 300 | 750 | 501-07-3.83 |
11 489 руб. |
||
| 3000 | 300 | 300 | 470 | 501-07-3.83 |
6 251 руб. |
||
| 4190 | 500 | 250 | 700 | 901-6-61 |
11 438 руб. |
||
| 7880 | 500 | 250 | 1200 | 901-6-61 |
19 581 руб. |
||
| 8190 | 500 | 250 | 1400 | 901-6-61 |
22 299 руб. |
||
| 5940 | 500 | 250 | 980 | 901-6-43 |
16 731 руб. |
||
| 4190 | 500 | 250 | 720 | 901-6-43 |
11 520 руб. |
||
| 7880 | 500 | 250 | 1370 | 901-6-43 |
20 677 руб. |
||
| 8190 | 500 | 250 | 1400 | 901-6-43 |
22 065 руб. |
||
| 8500 | 500 | 250 | 1450 | 901-6-43 |
24 378 руб. |
||
| 5950 | 650 | 800 | 4580 | 901-4-63.83 |
81 784 руб. |
||
| 5950 | 650 | 800 | 4750 | 901-4-63.83 |
84 711 руб. |
||
| 5950 | 650 | 800 | 4580 | 901-4-63.83 |
76 791 руб. |
||
| 5950 | 650 | 800 | 4750 | 901-4-63.83 |
79 579 руб. |
||
| 5800 | 200 | 250 | 725 | 501-0-47 |
по запросу |
||
| 5430 | 200 | 250 | 700 | 501-0-47 |
по запросу |
||
| 4150 | 200 | 250 | 525 | 501-0-47 |
по запросу |
||
| 4000 | 200 | 250 | 500 | 501-0-47 |
по запросу |
||
| 3800 | 200 | 250 | 475 | 501-0-47 |
по запросу |
||
| 3600 | 200 | 250 | 450 | 501-0-47 |
по запросу |
||
| 3150 | 200 | 250 | 400 | 501-0-47 |
по запросу |
||
| 3000 | 200 | 250 | 375 | 501-0-47 |
по запросу |
||
| 2980 | 600 | 550 | 2070 | 501-0-47 |
55 739 руб. |
||
| 6000 | 640 | 350 | 2600 | 20008тм-т4 |
34 323 руб. |
||
| 1500 | 300 | 140 | 122 | 1042тм |
2 317 руб. |
||
| 5970 | 220 | 240 | 400 | ПК 01-80 |
5 330 руб. |
||
| 5970 | 220 | 240 | 400 | ПК 01-80 |
5 583 руб. |
||
| 5970 | 220 | 240 | 400 | ПК 01-80 |
5 077 руб. |
||
| 5970 | 220 | 240 | 400 | ПК 01-80 |
4 823 руб. |
||
| 5970 | 220 | 240 | 400 | ПК 01-80 |
4 872 руб. |
||
| 5970 | 220 | 240 | 400 | ПК 01-80 |
5 125 руб. |
||
| 5970 | 220 | 240 | 400 | ПК 01-80 |
4 619 руб. |
||
| 5970 | 220 | 240 | 400 | ПК 01-80 |
4 365 руб. |
||
| 5970 | 220 | 240 | 400 | ПК 01-80 |
4 872 руб. |
||
| 5970 | 220 | 240 | 400 | ПК 01-80 |
5 125 руб. |
| Название | Длина, мм | Ширина, мм | Высота, мм | Вес, кг | Номер стандарта | Цена | |
|---|---|---|---|---|---|---|---|
| 2750 | 300 | 1285 | 800 | 1.020-1 |
8 143 руб. |
||
| 2750 | 250 | 1285 | 700 | 1.020-1 |
7 572 руб. |
||
| 2750 | 250 | 1485 | 800 | 1.020-1 |
8 211 руб. |
||
| 2750 | 300 | 1185 | 800 | 1.020-1 |
8 074 руб. |
||
| 2750 | 250 | 1185 | 700 | 1.020-1 |
7 511 руб. |
||
| 2750 | 350 | 2085 | 1100 | 1.020-1 |
10 068 руб. |
||
| 2750 | 350 | 1485 | 800 | 1.020-1 |
8 261 руб. |
||
| 2750 | 350 | 2085 | 2000 | 1.020-1 |
14 431 руб. |
||
| 2700 | 400 | 2065 | 2200 | 1.020-1 |
15 838 руб. |
||
| 2700 | 350 | 2085 | 1900 | 1.020-1 |
13 608 руб. |
||
| 2700 | 300 | 2085 | 1700 | 1.020-1 |
12 626 руб. |
||
| 2700 | 250 | 2085 | 1500 | 1.020-1 |
11 643 руб. |
||
| 2700 | 400 | 1785 | 1900 | 1.020-1 |
14 165 руб. |
||
| 2700 | 350 | 1785 | 1700 | 1.020-1 |
12 484 руб. |
||
| 2700 | 300 | 1785 | 1200 | 1.020-1 |
10 927 руб. |
||
| 2700 | 300 | 1785 | 1500 | 1.020-1 |
11 506 руб. |
||
| 2700 | 250 | 1785 | 1000 | 1.020-1 |
9 856 руб. |
||
| 2700 | 250 | 1785 | 1300 | 1.020-1 |
10 529 руб. |
||
| 2700 | 400 | 1485 | 1500 | 1.020-1 |
12 048 руб. |
||
| 2700 | 350 | 1485 | 1400 | 1.020-1 |
10 916 руб. |
||
| 2700 | 300 | 1485 | 1000 | 1.020-1 |
9 263 руб. |
||
| 2700 | 300 | 1485 | 1200 | 1.020-1 |
9 562 руб. |
||
| 2700 | 250 | 1485 | 800 | 1.020-1 |
8 196 руб. |
||
| 2700 | 250 | 1485 | 1000 | 1.020-1 |
8 589 руб. |
||
| 2700 | 400 | 1285 | 1300 | 1.020-1 |
11 030 руб. |
||
| 2700 | 350 | 1285 | 1200 | 1.020-1 |
9 622 руб. |
||
| 2700 | 300 | 1285 | 800 | 1.020-1 |
8 262 руб. |
||
| 2700 | 300 | 1285 | 1100 | 1.020-1 |
9 097 руб. |
||
| 2700 | 250 | 1285 | 700 | 1.020-1 |
7 692 руб. |
||
| 2700 | 250 | 1285 | 900 | 1.020-1 |
8 127 руб. |
||
| 2700 | 400 | 1185 | 1200 | 1.020-1 |
10 139 руб. |
||
| 2700 | 350 | 1185 | 1100 | 1.020-1 |
9 111 руб. |
||
| 2700 | 300 | 1185 | 800 | 1.020-1 |
8 181 руб. |
||
| 2700 | 300 | 1185 | 1000 | 1.020-1 |
8 585 руб. |
||
| 2700 | 250 | 1185 | 600 | 1.020-1 |
7 118 руб. |
||
| 2700 | 250 | 1185 | 800 | 1.020-1 |
7 615 руб. |
||
| 2750 | 350 | 2085 | 2000 | 1.020-1 |
14 074 руб. |
||
| 2750 | 350 | 1485 | 1400 | 1.020-1 |
10 931 руб. |
||
| 2750 | 250 | 1485 | 1100 | 1.020-1 |
9 049 руб. |
||
| 2750 | 400 | 1285 | 1400 | 1.020-1 |
11 431 руб. |
||
| 2750 | 350 | 1285 | 1200 | 1.020-1 |
9 569 руб. |
||
| 2750 | 300 | 1285 | 1100 | 1.020-1 |
9 043 руб. |
||
| 2750 | 250 | 1285 | 900 | 1.020-1 |
8 073 руб. |
||
| 2750 | 400 | 1185 | 1300 | 1.020-1 |
10 545 руб. |
||
| 2750 | 350 | 1185 | 1100 | 1.020-1 |
9 062 руб. |
||
| 2750 | 300 | 1185 | 1000 | 1.020-1 |
8 537 руб. |
||
| 2750 | 250 | 1185 | 900 | 1.020-1 |
8 012 руб. |
||
| 7180 | 350 | 1285 | 3400 | 1.020-1 |
30 016 руб. |
||
| 11650 | 1680 | 600 | 6000 | 1.020-1 |
47 392 руб. |
||
| 11650 | 1680 | 600 | 6000 | 1.020-1 |
45 137 руб. |
ТД "Еврастрой" предлагает купить Ригели 1РОП 4-57-21 АтV по выгодной цене. Наша компания осуществляет доставку продукции по всей территории России и странам СНГ.
В каталоге представлено около 170 тыс. позиций.
По наличию и ценам Мы можем проконсультировать Вас по телефону +7 (343) 300-90-87 или можете отправить запрос на почтовый ящик gbi@gbi22.ru.
Оплатить продукцию можно в рассрочку, для обсуждения вопросов оплаты так же можно обратиться к нашим менеджерам.
Продажа ЖБИ изделий производится с заводов в таких городах как:
Наши менеджеры помогут Вам подобрать оптимальное решения для ваших задач, сориентируют по наличию и ценам, расскажут про оптимальные варианты доставки и оплаты. Звоните +7 (343) 300-90-87
