Производство, продажа и
поставка ЖБИ по России и СНГ
Навигация
Код товара:
0 руб.
цена с НДС*

серия 1.189.1-12с

Краткие характеристики
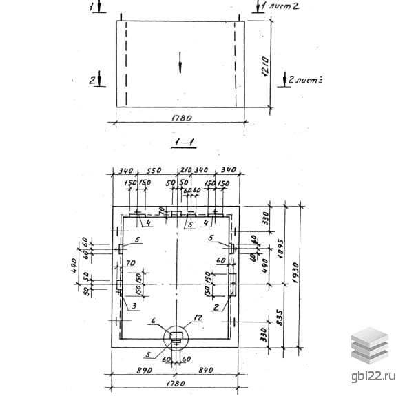
Длина, мм
1930
Ширина, мм
1780
Высота, мм
1210
Вес, кг
2300

Все характеристики
Длина, мм
1930
Ширина, мм
1780
Высота, мм
1210
Вес, кг
2300
Количество в квадратом метре, шт
0,29
Нормы погрузки на авто
7
Нормы погрузки ЖД
7
Ссылка на стандарт
https://disk.yandex.ru/d/RMjW3e_O4_nn4Q
Геометрический объем
4,157
Объем бетона
0,92
Блоки шахт лифтов ШЛН 12-40 с размеры: длина, мм.: 1930, ширина, мм.: 1780, высота, мм.: 1210, вес, кг.: 2300, марка бетона: . Изделия относятся к категории Шахты лифтов железобетонные-Блоки шахт лифтов и изготавливаются по технической документации согласно серия 1.189.1-12с
Стандарт
серия
Номер стандарта
1.189.1-12с
Статус
не определен
Год выпущенного стандарта
1990
Название стандарта
Конструкции железобетонные для шахт пассажирских лифтов жилых зданий с высотой этажа 3,0 м для строительства в районах сейсмичностью 7 и 8 баллов.
Название Длина, ммШирина, ммВысота, ммВес, кгНомер стандарта Цена
2270202078018501.289.1-1
по запросу
2270202048011201.289.1-1
по запросу
2270202048011201.289.1-1
по запросу
22702020278058201.289.1-1
по запросу
22702020138032501.289.1-1
по запросу
22702020138032501.289.1-1
по запросу
22702020138032501.289.1-1
по запросу
22702020138032501.289.1-1
по запросу
22702020138032501.289.1-1
по запросу
2820212078021001.289.1-1
по запросу
2270262078021001.289.1-1
по запросу
2820212048013001.289.1-1
по запросу
2270262048013001.289.1-1
по запросу
28202120278068701.289.1-1
по запросу
22702620278066001.289.1-1
по запросу
22702620138037501.289.1-1
по запросу
22702620138037501.289.1-1
по запросу
22702620138037501.289.1-1
по запросу
22702620138037501.289.1-1
по запросу
28202120138037501.289.1-1
по запросу
28202120138037501.289.1-1
по запросу
28202120138037501.289.1-1
по запросу
28202120138037501.289.1-1
по запросу
19301780278046501.189-6
по запросу
19301780278046501.189-6
по запросу
19301780140025501.189-6
по запросу
1930178093016801.189-6
по запросу
1930178090015401.189-6
по запросу
19301780278043001.189-6
по запросу
1930178090015401.189-6
по запросу
1930178093016801.189-6
по запросу
1930178090016801.189-6
по запросу
19301780278046501.189-6
по запросу
19301780278046501.189-6
по запросу
19301780140025501.189-6
по запросу
20802780278062501.189.1-9
по запросу
20802780278062501.189.1-9
по запросу
19302880278058751.189.1-9
по запросу
19302880278058751.189.1-9
по запросу
17801930278044301.189.1-9
по запросу
17801930278045501.189.1-9
по запросу
17801980278044801.189.1-9
по запросу
17801930278045501.189.1-9
по запросу
20802780140034401.189.1-9
по запросу
20802780140034401.189.1-9
по запросу
19302880140034401.189.1-9
по запросу
19302880140034501.189.1-9
по запросу
17801930140025501.189.1-9
по запросу
17801930140025501.189.1-9
по запросу
17801980140026301.189.1-9
по запросу
Полный каталог
Название Длина, ммШирина, ммВысота, ммВес, кгНомер стандарта Цена
19301780298050001.189.1-12с
по запросу
19301780298050001.189.1-12с
по запросу
19301780121023001.189.1-12с
по запросу
1930178073014001.189.1-12с
по запросу
1930178073014001.189.1-12с
по запросу
1820197050028001.189.1-12с
по запросу
1820197050028001.189.1-12с
по запросу
1820197050045001.189.1-12с
по запросу
1820197050045001.189.1-12с
по запросу
1530169020013001.189.1-12с
по запросу
1530169020013001.189.1-12с
по запросу
1780193020017001.189.1-12с
по запросу
1930178020017001.189.1-12с
по запросу

ТД "Еврастрой" предлагает купить Блоки шахт лифтов ШЛН 12-40 с по выгодной цене. Наша компания осуществляет доставку продукции по всей территории России и странам СНГ.

В каталоге представлено около 170 тыс. позиций.

По наличию и ценам Мы можем проконсультировать Вас по телефону +7 (343) 300-90-87 или можете отправить запрос на почтовый ящик gbi@gbi22.ru.

Оплатить продукцию можно в рассрочку, для обсуждения вопросов оплаты так же можно обратиться к нашим менеджерам.

Продажа ЖБИ изделий производится с заводов в таких городах как:

  • Екатеринбург
  • Тюмень
  • Красноярск
  • Новосибирск
  • Иркутск
  • Ростов-на-дону
  • Нижний Новгород
  • Казань
  • Москва

Наши менеджеры помогут Вам подобрать оптимальное решения для ваших задач, сориентируют по наличию и ценам, расскажут про оптимальные варианты доставки и оплаты. Звоните +7 (343) 300-90-87

0 руб.
цена с НДС*
Наличие: нет
шт.
Перейти в корзину

Оформить заказ
Рассрочка
Рассказать друзьям: