В вашей корзине ещё нет товаров.
| Цена за 1м3, руб | 14 591 с НДС* |
|
|||||||||
| Количество в квадратом метре, шт | 0,18 | ||||||||
| Нормы погрузки на авто | 2 | ||||||||
| Нормы погрузки ЖД | 4 | ||||||||
| Ссылка на стандарт | https://disk.yandex.ru/d/K1id5oWYYq3J3g | ||||||||
| Расход стали, кг | 70 |
| Расход стали на 1м3 бетона, кг | 25,93 |
| Класс прочности | В15 |
| Марка бетона | М200 |
| Морозостойкость | F100-F200 |
| Водонепроницаемость | W4-W6 |
| Марка бетона по EN 206-1 | C12/15 |
| Геометрический объем | 16,850 |
| Объем бетона | 2,70 |
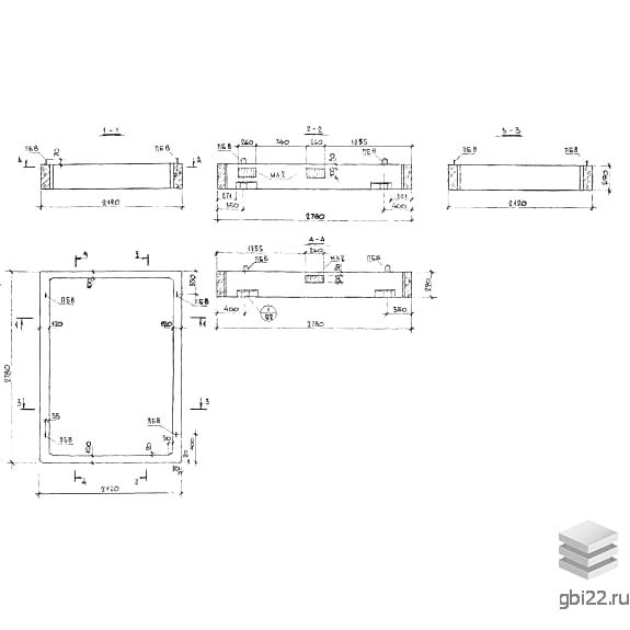
Объемные элементы лифтовых шахт ШЛГ 50сл-30 в1 – это пустотные бетонные конструкции с прямоугольными проемами на боковых поверхностях. Изделия производятся в двух вариантах: стандартные блоки и доборные элементы для монтажа. Маркировка расшифровывается следующим образом:
Буква "г" в маркировке указывает на грузопассажирский тип лифта. Изменение обозначений не допускается.
Железобетонные блоки ШЛГ 50сл-30 в1 используются при возведении многоэтажных зданий для быстрого монтажа лифтовых шахт. Монолитная конструкция ускоряет строительные работы и обеспечивает соблюдение сроков сдачи объектов.
Технические характеристики:
Изготовление блоков осуществляется по Альбому ИЖ 237 с соблюдением нормативов:
Армирование выполняется стальными сетками из проволоки BpI и стержней AI. Для строповочных петель используется сталь ВСт3пс2/ВСт3сп2 (ГОСТ 380-71). Закладные детали производятся из листового проката с анкерами класса AIII (СН 393-78).
Контроль качества включает:
Для сохранения эксплуатационных характеристик необходимо:
Каждая партия сопровождается сертификатами соответствия с результатами испытаний.
| Стандарт | альбом |
| Номер стандарта | ИЖ 237 |
| Статус | не действует |
| Год выпущенного стандарта | 1978 |
| Название стандарта | Объемные элементы шахты лифта. |
| Название | Длина, мм | Ширина, мм | Высота, мм | Вес, кг | Номер стандарта | Цена | |
|---|---|---|---|---|---|---|---|
| 2230 | 2020 | 890 | 1690 | ИЖ 237 |
11 703 руб. |
||
| 2230 | 2020 | 890 | 1690 | ИЖ 237 |
11 703 руб. |
||
| 1930 | 2920 | 2790 | 6250 | ИЖ 237 |
36 832 руб. |
||
| 2780 | 2120 | 890 | 1950 | ИЖ 237 |
13 037 руб. |
||
| 2780 | 2120 | 890 | 1950 | ИЖ 237 |
13 037 руб. |
||
| 2780 | 2120 | 890 | 2320 | ИЖ 237 |
13 222 руб. |
||
| 2780 | 2120 | 2990 | 7330 | ИЖ 237 |
42 479 руб. |
||
| 2780 | 2120 | 290 | 745 | ИЖ 237 |
11 764 руб. |
||
| 1930 | 2920 | 890 | 1820 | ИЖ 237 |
12 341 руб. |
||
| 1930 | 2920 | 890 | 1820 | ИЖ 237 |
12 341 руб. |
||
| 1930 | 2920 | 890 | 2210 | ИЖ 237 |
12 769 руб. |
||
| 1930 | 2920 | 1390 | 3000 | ИЖ 237 |
18 648 руб. |
||
| 1930 | 2920 | 1390 | 3450 | ИЖ 237 |
19 688 руб. |
||
| 2230 | 2020 | 890 | 1980 | ИЖ 237 |
11 552 руб. |
||
| 2230 | 2020 | 2990 | 6250 | ИЖ 237 |
37 327 руб. |
||
| 2230 | 2020 | 2990 | 6250 | ИЖ 237 |
37 166 руб. |
||
| 1930 | 1820 | 890 | 1560 | ИЖ 237 |
10 109 руб. |
||
| 1930 | 1820 | 890 | 1560 | ИЖ 237 |
10 109 руб. |
||
| 1930 | 1820 | 890 | 1730 | ИЖ 237 |
10 150 руб. |
||
| 1930 | 1820 | 2990 | 5380 | ИЖ 237 |
31 642 руб. |
||
| 1930 | 1820 | 2990 | 5380 | ИЖ 237 |
31 642 руб. |
||
| 1930 | 1820 | 2790 | 5000 | ИЖ 237 |
29 682 руб. |
||
| 1930 | 1820 | 2780 | 4960 | ИЖ 237 |
29 496 руб. |
||
| 1930 | 1820 | 1390 | 2100 | ИЖ 237 |
13 964 руб. |
||
| 1930 | 1820 | 1390 | 2700 | ИЖ 237 |
15 620 руб. |
| Название | Длина, мм | Ширина, мм | Высота, мм | Вес, кг | Номер стандарта | Цена | |
|---|---|---|---|---|---|---|---|
| 2230 | 2020 | 890 | 1690 | ИЖ 237 |
11 703 руб. |
||
| 2230 | 2020 | 890 | 1690 | ИЖ 237 |
11 703 руб. |
||
| 1930 | 2920 | 2790 | 6250 | ИЖ 237 |
36 832 руб. |
||
| 2780 | 2120 | 890 | 1950 | ИЖ 237 |
13 037 руб. |
||
| 2780 | 2120 | 890 | 1950 | ИЖ 237 |
13 037 руб. |
||
| 2780 | 2120 | 890 | 2320 | ИЖ 237 |
13 222 руб. |
||
| 2780 | 2120 | 2990 | 7330 | ИЖ 237 |
42 479 руб. |
||
| 2780 | 2120 | 290 | 745 | ИЖ 237 |
11 764 руб. |
||
| 1930 | 2920 | 890 | 1820 | ИЖ 237 |
12 341 руб. |
||
| 1930 | 2920 | 890 | 1820 | ИЖ 237 |
12 341 руб. |
||
| 1930 | 2920 | 890 | 2210 | ИЖ 237 |
12 769 руб. |
||
| 1930 | 2920 | 1390 | 3000 | ИЖ 237 |
18 648 руб. |
||
| 1930 | 2920 | 1390 | 3450 | ИЖ 237 |
19 688 руб. |
||
| 2230 | 2020 | 890 | 1980 | ИЖ 237 |
11 552 руб. |
||
| 2230 | 2020 | 2990 | 6250 | ИЖ 237 |
37 327 руб. |
||
| 2230 | 2020 | 2990 | 6250 | ИЖ 237 |
37 166 руб. |
||
| 1930 | 1820 | 890 | 1560 | ИЖ 237 |
10 109 руб. |
||
| 1930 | 1820 | 890 | 1560 | ИЖ 237 |
10 109 руб. |
||
| 1930 | 1820 | 890 | 1730 | ИЖ 237 |
10 150 руб. |
||
| 1930 | 1820 | 2990 | 5380 | ИЖ 237 |
31 642 руб. |
||
| 1930 | 1820 | 2990 | 5380 | ИЖ 237 |
31 642 руб. |
||
| 1930 | 1820 | 2790 | 5000 | ИЖ 237 |
29 682 руб. |
||
| 1930 | 1820 | 2780 | 4960 | ИЖ 237 |
29 496 руб. |
||
| 1930 | 1820 | 1390 | 2100 | ИЖ 237 |
13 964 руб. |
||
| 1930 | 1820 | 1390 | 2700 | ИЖ 237 |
15 620 руб. |
ТД "Еврастрой" предлагает купить Элементы шахты лифтов ШЛГ 50сл-30 в1 по выгодной цене. Наша компания осуществляет доставку продукции по всей территории России и странам СНГ.
В каталоге представлено около 170 тыс. позиций.
По наличию и ценам Мы можем проконсультировать Вас по телефону +7 (343) 300-90-87 или можете отправить запрос на почтовый ящик gbi@gbi22.ru.
Оплатить продукцию можно в рассрочку, для обсуждения вопросов оплаты так же можно обратиться к нашим менеджерам.
Продажа ЖБИ изделий производится с заводов в таких городах как:
Наши менеджеры помогут Вам подобрать оптимальное решения для ваших задач, сориентируют по наличию и ценам, расскажут про оптимальные варианты доставки и оплаты. Звоните +7 (343) 300-90-87
