В вашей корзине ещё нет товаров.
|
|||||||||
| Количество в квадратом метре, шт | 0,33 | ||||||||
| Нормы погрузки на авто | 8 | ||||||||
| Нормы погрузки ЖД | 30 | ||||||||
| Ссылка на стандарт | https://disk.yandex.ru/d/FweHr8yuHll1xg | ||||||||
| Расход стали, кг | 28,39 |
| Расход стали на 1м3 бетона, кг | 31,83 |
| Класс прочности | В22,5 |
| Марка бетона | М300 |
| Морозостойкость | F150-F300 |
| Водонепроницаемость | W6-W8 |
| Марка бетона по EN 206-1 | C18/22 |
| Геометрический объем | 0,900 |
| Объем бетона | 0,89 |
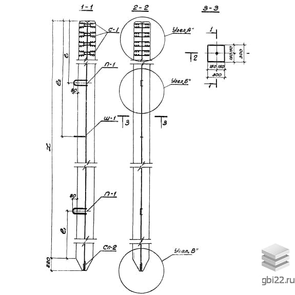
Свая квадратного сечения СЦт 10-30 (1.011-2) – это железобетонное изделие с простой прямоугольной формой и острием на конце. Она оснащена подъемными петлями, штырем для фиксации места строповки и фаской по всему периметру. Данная свая является предварительно напряженной и изготовлена из тяжелого бетона.
Каждая свая имеет уникальную буквенно-числовую маркировку, что позволяет легко ориентироваться в ассортименте продукции на складе. Рассмотрим марку СЦт 10-30 (1.011-2) подробнее:
С – свая;
Ц – с центральным армированием без поперечной арматуры;
т – арматура из термически упрочненной стали класса Ат-V;
10 – длина изделия в метрах;
30 – сторона поперечного сечения в сантиметрах.
Сваи находят применение в строительстве зданий различного назначения, включая промышленные, гражданские и сельскохозяйственные объекты. Допустимые грунты для установки изделий включают рыхлые и средние пески, пластичные и текучие супеси, а также тугопластичные суглинки и глины. Важно учитывать сейсмическую активность местности, где будет проводиться строительство – не более 6 баллов.
Длина: 10000 мм
Ширина: 300 мм
Высота: 300 мм
Вес: 2230 кг
Марка бетона: М300
Изделие должно быть выполнено из бетона марки не ниже М300, соответствующего классу В22,5. Плотность, устойчивость и прочность – ключевые характеристики таких бетонных растворов, которые передаются на изделие. Морозостойкость бетона должна быть не ниже F50.
Дополнительная прочность конструкции достигается за счет армирования. Армирование СЦт 10-30 (1.011-2) осуществляется с помощью продольной арматуры, расположенной в центре сечения. Поперечное армирование отсутствует. Для продольной арматуры используются следующие виды стали:
Внешняя поверхность готовой СЦт 10-30 (1.011-2) должна быть ровной. Допускаются небольшие отколы, раковины и наплывы бетона на торце. На боковых частях изделия возможны местные неровности и углубления не более 5 мм, а также наплывы высотой не более 1 см. Готовые сваи принимаются отделом технического контроля.
Длинномерные изделия перевозят и хранят в горизонтальном положении рядами, при этом все маркировки должны быть видимыми. Для безопасности СЦт 10-30 (1.011-2) прокладывают специальным инвентарем около петель. Перевозка осуществляется преимущественно железнодорожным и автомобильным транспортом. Погрузка, транспортировка и разгрузка должны проводиться с осторожностью, избегая свободного падения свай и перемещения по земле волоком.
| Стандарт | серия |
| Номер стандарта | 1.011-2 |
| Статус | не действует |
| Год выпущенного стандарта | 1972 |
| Название стандарта | Сваи забивные железобетонные предварительно напряженные сплошные квадратного сечения без поперечного армирования ствола. |
| Название | Длина, мм | Ширина, мм | Высота, мм | Вес, кг | Номер стандарта | Цена | |
|---|---|---|---|---|---|---|---|
| 9000 | 300 | 300 | 2050 | 19804-2012 |
15 023 руб. |
||
| 8000 | 300 | 300 | 1830 | 19804-2012 |
10 955 руб. |
||
| 7000 | 300 | 300 | 1600 | 19804-2012 |
9 687 руб. |
||
| 6000 | 300 | 300 | 1380 | 19804-2012 |
7 997 руб. |
||
| 6000 | 250 | 250 | 950 | 19804-2012 |
5 594 руб. |
||
| 5000 | 300 | 300 | 1150 | 19804-2012 |
6 578 руб. |
||
| 5000 | 250 | 250 | 800 | 19804-2012 |
4 620 руб. |
||
| 4000 | 300 | 300 | 930 | 19804-2012 |
5 060 руб. |
||
| 3000 | 300 | 300 | 700 | 19804-2012 |
3 904 руб. |
||
| 11000 | 300 | 300 | 2453 | 19804-2012 |
15 382 руб. |
||
| 9000 | 300 | 300 | 2050 | 19804-2012 |
15 023 руб. |
||
| 8000 | 300 | 300 | 1830 | 19804-2012 |
10 955 руб. |
||
| 7000 | 300 | 300 | 1600 | 19804-2012 |
9 687 руб. |
||
| 6000 | 300 | 300 | 1380 | 19804-2012 |
7 997 руб. |
||
| 6000 | 250 | 250 | 950 | 19804-2012 |
5 594 руб. |
||
| 5000 | 300 | 300 | 1150 | 19804-2012 |
6 578 руб. |
||
| 4000 | 300 | 300 | 930 | 19804-2012 |
5 060 руб. |
||
| 3000 | 300 | 300 | 700 | 19804-2012 |
3 904 руб. |
||
| 11000 | 300 | 300 | 2453 | 19804-2012 |
15 382 руб. |
||
| 9000 | 300 | 300 | 2050 | 19804-2012 |
15 023 руб. |
||
| 8000 | 300 | 300 | 1830 | 19804-2012 |
10 955 руб. |
||
| 7000 | 300 | 300 | 1600 | 19804-2012 |
9 687 руб. |
||
| 6000 | 300 | 300 | 1380 | 19804-2012 |
7 997 руб. |
||
| 6000 | 250 | 250 | 950 | 19804-2012 |
5 594 руб. |
||
| 5000 | 300 | 300 | 1150 | 19804-2012 |
6 578 руб. |
||
| 5000 | 250 | 250 | 800 | 19804-2012 |
4 620 руб. |
||
| 4000 | 300 | 300 | 930 | 19804-2012 |
5 060 руб. |
||
| 3000 | 300 | 300 | 700 | 19804-2012 |
3 904 руб. |
||
| 11000 | 300 | 300 | 2453 | 19804-2012 |
16 441 руб. |
||
| 9000 | 300 | 300 | 2050 | 1.011-6 |
11 807 руб. |
||
| 8000 | 300 | 300 | 1830 | 1.011-6 |
10 333 руб. |
||
| 7000 | 300 | 300 | 1600 | 1.011-6 |
9 141 руб. |
||
| 6000 | 300 | 300 | 1380 | 1.011-6 |
7 755 руб. |
||
| 6000 | 250 | 250 | 950 | 1.011-6 |
5 288 руб. |
||
| 5500 | 300 | 300 | 1280 | 1.011-6 |
7 247 руб. |
||
| 5500 | 250 | 250 | 880 | 1.011-6 |
4 931 руб. |
||
| 5000 | 300 | 300 | 1150 | 1.011-6 |
6 505 руб. |
||
| 5000 | 250 | 250 | 800 | 1.011-6 |
4 434 руб. |
||
| 4500 | 300 | 300 | 1050 | 1.011-6 |
5 754 руб. |
||
| 4500 | 250 | 250 | 730 | 1.011-6 |
3 941 руб. |
||
| 4000 | 300 | 300 | 930 | 1.011-6 |
5 086 руб. |
||
| 3500 | 300 | 300 | 830 | 1.011-6 |
4 596 руб. |
||
| 3000 | 300 | 300 | 700 | 1.011-6 |
3 965 руб. |
||
| 12000 | 300 | 300 | 2676 | 1.011-6 |
16 259 руб. |
||
| 11000 | 300 | 300 | 2453 | 1.011-6 |
14 593 руб. |
||
| 10000 | 300 | 300 | 2230 | 1.011-6 |
13 158 руб. |
||
| 9000 | 300 | 300 | 2050 | 1.011-6 |
11 679 руб. |
||
| 8000 | 300 | 300 | 1830 | 1.011-6 |
10 121 руб. |
||
| 7000 | 300 | 300 | 1600 | 1.011-6 |
8 957 руб. |
||
| 6000 | 300 | 300 | 1380 | 1.011-6 |
7 810 руб. |
| Название | Длина, мм | Ширина, мм | Высота, мм | Вес, кг | Номер стандарта | Цена | |
|---|---|---|---|---|---|---|---|
| 11000 | 300 | 300 | 2453 | 1.011-2 |
16 356 руб. |
||
| 12000 | 300 | 300 | 2676 | 1.011-2 |
16 193 руб. |
||
| 11000 | 300 | 300 | 2453 | 1.011-2 |
14 530 руб. |
||
| 10000 | 300 | 300 | 2230 | 1.011-2 |
13 119 руб. |
||
| 12000 | 300 | 300 | 2676 | 1.011-2 |
16 703 руб. |
||
| 11000 | 300 | 300 | 2453 | 1.011-2 |
14 333 руб. |
||
| 10000 | 300 | 300 | 2230 | 1.011-2 |
13 119 руб. |
||
| 12000 | 300 | 300 | 2676 | 1.011-2 |
20 356 руб. |
||
| 11000 | 300 | 300 | 2453 | 1.011-2 |
16 321 руб. |
||
| 10000 | 300 | 300 | 2230 | 1.011-2 |
14 349 руб. |
ТД "Еврастрой" предлагает купить Сваи СЦт 10-30 по выгодной цене. Наша компания осуществляет доставку продукции по всей территории России и странам СНГ.
В каталоге представлено около 170 тыс. позиций.
По наличию и ценам Мы можем проконсультировать Вас по телефону +7 (343) 300-90-87 или можете отправить запрос на почтовый ящик gbi@gbi22.ru.
Оплатить продукцию можно в рассрочку, для обсуждения вопросов оплаты так же можно обратиться к нашим менеджерам.
Продажа ЖБИ изделий производится с заводов в таких городах как:
Наши менеджеры помогут Вам подобрать оптимальное решения для ваших задач, сориентируют по наличию и ценам, расскажут про оптимальные варианты доставки и оплаты. Звоните +7 (343) 300-90-87
