В вашей корзине ещё нет товаров.
| Цена за 1м3, руб | 21 700 с НДС* |
|
|||||||||
| Количество в квадратом метре, шт | 0,21 | ||||||||
| Нормы погрузки на авто | 4 | ||||||||
| Нормы погрузки ЖД | 14 | ||||||||
| Ссылка на стандарт | https://disk.yandex.ru/d/Dk-hw94aUlJ8ew | ||||||||
| Расход стали, кг | 165 |
| Расход стали на 1м3 бетона, кг | 85,05 |
| Класс прочности | В25 |
| Марка бетона | М350 |
| Морозостойкость | F200-F300 |
| Водонепроницаемость | W8-W10 |
| Марка бетона по EN 206-1 | C20/25 |
| Геометрический объем | 1,920 |
| Объем бетона | 1,94 |
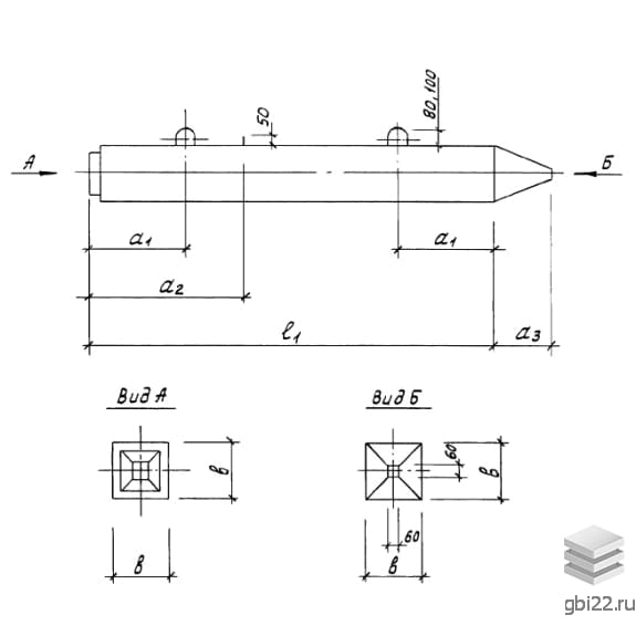
Сваи С 120-40 Нсв6 – это железобетонные элементы, используемые для создания фундаментных конструкций. Маркировка изделия расшифровывается следующим образом:
С – тип конструкции (свая);
120 – длина в миллиметрах;
40 – ширина сечения в миллиметрах;
Н – нижняя секция;
св – со сварным стыком;
6 – группа армирования.
Длина: 12000 мм
Ширина: 400 мм
Высота: 400 мм
Вес: 4850 кг
Марка бетона: М350
Объем бетона: 1,92 м?
Геометрический объем: 1,92 м?
Составные сваи предназначены для создания свайных фундаментов различных конструкций, включая железобетонные здания и опоры ЛЭП. Их оптимально устанавливать на вечномерзлых, песчаных и глинистых грунтах, так как они устойчивы к морозному пучению и высокому уровню грунтовых вод.
Изделие представляет собой прямоугольный стержень с заостренным концом для облегчения забивки в грунт. Нижняя секция соединяется с верхней сваркой, для чего предусмотрены арматурные выпуски и закладные детали. Укрепление сварного соединения осуществляется с помощью стальных пластин толщиной не менее 8 мм.
Сваи обеспечивают восприятие сосредоточенных нагрузок от вышерасположенных частей конструкции и передачу их на естественное основание. Они также используются для укрепления нестойких и слабых грунтов, предотвращая горизонтальные смещения и оползни.
Составные сваи могут применяться в любых климатических зонах России, включая регионы с сейсмической активностью до 9 баллов по шкале Рихтера.
Сваи изготавливаются методом вибропрессования с контролем качества и лабораторной проверкой прочностных характеристик. Используются высококачественные бетоны класса прочности В25, морозостойкость которых определяется в соответствии с ГОСТ 19804-91 и варьируется от F150 до F600.
Сваи транспортируются автомобильным, железнодорожным и речным транспортом. Для предотвращения повреждений изделия фиксируются стальной проволокой и прокладываются деревянными досками. Складирование осуществляется штабелями на складах с соблюдением техники безопасности.
| Стандарт | серия |
| Номер стандарта | 1.011.1-10 |
| Статус | не определен |
| Год выпущенного стандарта | 1989 |
| Название стандарта | Сваи забивные железобетонные. |
| Название | Длина, мм | Ширина, мм | Высота, мм | Вес, кг | Номер стандарта | Цена | |
|---|---|---|---|---|---|---|---|
| 8000 | 400 | 400 | 3200 | 1.011.1-7 |
24 842 руб. |
||
| 8000 | 400 | 400 | 3200 | 1.011.1-7 |
25 556 руб. |
||
| 8000 | 350 | 350 | 2500 | 1.011.1-7 |
19 809 руб. |
||
| 8000 | 350 | 350 | 2500 | 1.011.1-7 |
20 730 руб. |
||
| 8000 | 300 | 300 | 1800 | 1.011.1-7 |
15 145 руб. |
||
| 8000 | 300 | 300 | 1800 | 1.011.1-7 |
16 124 руб. |
||
| 14000 | 400 | 400 | 5600 | 1.011.1-7 |
46 770 руб. |
||
| 14000 | 400 | 400 | 5600 | 1.011.1-7 |
47 450 руб. |
||
| 12000 | 400 | 400 | 4800 | 1.011.1-7 |
38 616 руб. |
||
| 12000 | 400 | 400 | 4800 | 1.011.1-7 |
39 330 руб. |
||
| 12000 | 350 | 350 | 3700 | 1.011.1-7 |
30 071 руб. |
||
| 12000 | 350 | 350 | 3700 | 1.011.1-7 |
30 025 руб. |
||
| 12000 | 300 | 300 | 2700 | 1.011.1-7 |
23 218 руб. |
||
| 12000 | 300 | 300 | 2700 | 1.011.1-7 |
24 174 руб. |
||
| 8000 | 400 | 400 | 3250 | 1.011.1-10 |
28 628 руб. |
||
| 8000 | 400 | 400 | 3200 | 1.011.1-10 |
22 584 руб. |
||
| 8000 | 400 | 400 | 3200 | 1.011.1-10 |
25 222 руб. |
||
| 8000 | 350 | 350 | 2480 | 1.011.1-10 |
24 283 руб. |
||
| 8000 | 350 | 350 | 2480 | 1.011.1-10 |
18 488 руб. |
||
| 8000 | 350 | 350 | 2500 | 1.011.1-10 |
19 943 руб. |
||
| 8000 | 300 | 300 | 1820 | 1.011.1-10 |
20 599 руб. |
||
| 8000 | 300 | 300 | 1820 | 1.011.1-10 |
14 793 руб. |
||
| 8000 | 300 | 300 | 1800 | 1.011.1-10 |
15 251 руб. |
||
| 14000 | 400 | 400 | 5650 | 1.011.1-10 |
49 063 руб. |
||
| 14000 | 400 | 400 | 5600 | 1.011.1-10 |
45 830 руб. |
||
| 14000 | 400 | 400 | 5600 | 1.011.1-10 |
47 270 руб. |
||
| 14000 | 350 | 350 | 4300 | 1.011.1-10 |
40 573 руб. |
||
| 14000 | 350 | 350 | 4300 | 1.011.1-10 |
34 906 руб. |
||
| 14000 | 350 | 350 | 4300 | 1.011.1-10 |
36 277 руб. |
||
| 12000 | 400 | 400 | 4800 | 1.011.1-10 |
36 975 руб. |
||
| 12000 | 400 | 400 | 4800 | 1.011.1-10 |
39 083 руб. |
||
| 12000 | 350 | 350 | 3700 | 1.011.1-10 |
35 125 руб. |
||
| 12000 | 350 | 350 | 3700 | 1.011.1-10 |
28 213 руб. |
||
| 12000 | 350 | 350 | 3700 | 1.011.1-10 |
29 584 руб. |
||
| 12000 | 300 | 300 | 2720 | 1.011.1-10 |
29 837 руб. |
||
| 12000 | 300 | 300 | 2720 | 1.011.1-10 |
22 926 руб. |
||
| 12000 | 300 | 300 | 2700 | 1.011.1-10 |
23 372 руб. |
| Название | Длина, мм | Ширина, мм | Высота, мм | Вес, кг | Номер стандарта | Цена | |
|---|---|---|---|---|---|---|---|
| 6000 | 150 | 150 | 340 | 1.011.1-10 |
3 721 руб. |
||
| 5000 | 150 | 150 | 280 | 1.011.1-10 |
3 051 руб. |
||
| 4500 | 150 | 150 | 250 | 1.011.1-10 |
2 727 руб. |
||
| 4000 | 150 | 150 | 220 | 1.011.1-10 |
2 438 руб. |
||
| 3000 | 150 | 150 | 160 | 1.011.1-10 |
1 872 руб. |
||
| 9000 | 300 | 300 | 2050 | 1.011.1-10 |
11 787 руб. |
||
| 9000 | 300 | 300 | 2050 | 1.011.1-10 |
11 880 руб. |
||
| 9000 | 300 | 300 | 2050 | 1.011.1-10 |
11 822 руб. |
||
| 9000 | 300 | 300 | 2050 | 1.011.1-10 |
11 891 руб. |
||
| 9000 | 300 | 300 | 2050 | 1.011.1-10 |
12 283 руб. |
||
| 9000 | 300 | 300 | 2050 | 1.011.1-10 |
12 732 руб. |
||
| 9000 | 300 | 300 | 2050 | 1.011.1-10 |
11 891 руб. |
||
| 9000 | 300 | 300 | 2050 | 1.011.1-10 |
12 283 руб. |
||
| 9000 | 300 | 300 | 2050 | 1.011.1-10 |
12 732 руб. |
||
| 8000 | 300 | 300 | 1830 | 1.011.1-10 |
10 233 руб. |
||
| 8000 | 300 | 300 | 1830 | 1.011.1-10 |
10 314 руб. |
||
| 8000 | 300 | 300 | 1830 | 1.011.1-10 |
10 371 руб. |
||
| 8000 | 300 | 300 | 1830 | 1.011.1-10 |
10 394 руб. |
||
| 8000 | 300 | 300 | 1830 | 1.011.1-10 |
10 705 руб. |
||
| 8000 | 300 | 300 | 1830 | 1.011.1-10 |
11 051 руб. |
||
| 8000 | 300 | 300 | 1830 | 1.011.1-10 |
10 394 руб. |
||
| 8000 | 300 | 300 | 1830 | 1.011.1-10 |
10 705 руб. |
||
| 8000 | 300 | 300 | 1830 | 1.011.1-10 |
11 051 руб. |
||
| 7000 | 300 | 300 | 1600 | 1.011.1-10 |
9 057 руб. |
||
| 7000 | 300 | 300 | 1600 | 1.011.1-10 |
9 127 руб. |
||
| 7000 | 300 | 300 | 1600 | 1.011.1-10 |
9 184 руб. |
||
| 7000 | 300 | 300 | 1600 | 1.011.1-10 |
8 977 руб. |
||
| 7000 | 300 | 300 | 1600 | 1.011.1-10 |
9 196 руб. |
||
| 7000 | 300 | 300 | 1600 | 1.011.1-10 |
9 772 руб. |
||
| 7000 | 300 | 300 | 1600 | 1.011.1-10 |
8 977 руб. |
||
| 7000 | 300 | 300 | 1600 | 1.011.1-10 |
9 196 руб. |
||
| 7000 | 300 | 300 | 1600 | 1.011.1-10 |
9 772 руб. |
||
| 6000 | 300 | 300 | 1380 | 1.011.1-10 |
7 849 руб. |
||
| 6000 | 300 | 300 | 1380 | 1.011.1-10 |
7 906 руб. |
||
| 6000 | 300 | 300 | 1380 | 1.011.1-10 |
7 745 руб. |
||
| 6000 | 300 | 300 | 1380 | 1.011.1-10 |
7 780 руб. |
||
| 6000 | 300 | 300 | 1380 | 1.011.1-10 |
7 964 руб. |
||
| 6000 | 300 | 300 | 1380 | 1.011.1-10 |
8 194 руб. |
||
| 6000 | 300 | 300 | 1380 | 1.011.1-10 |
7 780 руб. |
||
| 6000 | 300 | 300 | 1380 | 1.011.1-10 |
7 964 руб. |
||
| 6000 | 300 | 300 | 1380 | 1.011.1-10 |
8 194 руб. |
||
| 6000 | 250 | 250 | 950 | 1.011.1-10 |
5 467 руб. |
||
| 6000 | 250 | 250 | 950 | 1.011.1-10 |
5 433 руб. |
||
| 6000 | 250 | 250 | 950 | 1.011.1-10 |
5 491 руб. |
||
| 6000 | 250 | 250 | 950 | 1.011.1-10 |
5 629 руб. |
||
| 6000 | 250 | 250 | 950 | 1.011.1-10 |
5 813 руб. |
||
| 6000 | 250 | 250 | 950 | 1.011.1-10 |
5 813 руб. |
||
| 6000 | 250 | 250 | 950 | 1.011.1-10 |
5 629 руб. |
||
| 6000 | 250 | 250 | 950 | 1.011.1-10 |
5 813 руб. |
||
| 6000 | 250 | 250 | 950 | 1.011.1-10 |
5 813 руб. |
ТД "Еврастрой" предлагает купить Сваи составные нижние С 120-40 Нсв6 по выгодной цене. Наша компания осуществляет доставку продукции по всей территории России и странам СНГ.
В каталоге представлено около 170 тыс. позиций.
По наличию и ценам Мы можем проконсультировать Вас по телефону +7 (343) 300-90-87 или можете отправить запрос на почтовый ящик gbi@gbi22.ru.
Оплатить продукцию можно в рассрочку, для обсуждения вопросов оплаты так же можно обратиться к нашим менеджерам.
Продажа ЖБИ изделий производится с заводов в таких городах как:
Наши менеджеры помогут Вам подобрать оптимальное решения для ваших задач, сориентируют по наличию и ценам, расскажут про оптимальные варианты доставки и оплаты. Звоните +7 (343) 300-90-87
