В вашей корзине ещё нет товаров.
|
|||||||||
| Количество в квадратом метре, шт | 0,67 | ||||||||
| Нормы погрузки на авто | 18 | ||||||||
| Нормы погрузки ЖД | 62 | ||||||||
| Ссылка на стандарт | https://disk.yandex.ru/d/w40VowFlXttTmA | ||||||||
| Расход стали, кг | 35,68 |
| Расход стали на 1м3 бетона, кг | 81,09 |
| Класс прочности | В22,5 |
| Марка бетона | М300 |
| Морозостойкость | F150-F300 |
| Водонепроницаемость | W6-W8 |
| Марка бетона по EN 206-1 | C18/22 |
| Геометрический объем | 0,450 |
| Объем бетона | 0,44 |
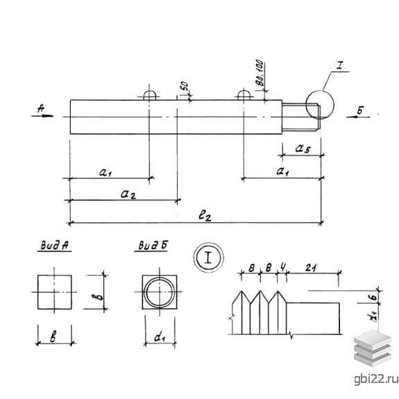
Составные сваи С 5-30 кв представляют собой промышленные конструкции с квадратным поперечным сечением. Их отличительные характеристики зависят от расположения в фундаменте, так как они делятся на верхние и нижние элементы. Нижние сваи оснащены острием, что облегчает их погружение в грунт, в то время как верхние сваи не имеют острия и соединяются с нижними, формируя необходимую длину фундамента.
Унифицированные составные сваи используются при возведении жилых зданий, общественных объектов и различных производственных сооружений. Они служат надежным основанием, способствуя уплотнению грунта на строительной площадке и обеспечивая равномерное распределение нагрузки от веса конструкции на почву.
Длина: 5000 мм
Ширина: 300 мм
Высота: 300 мм
Вес: 1100 кг
Марка бетона: М300
Правильная маркировка позволяет быстро идентифицировать строительный материал. Знаки отражают ключевые характеристики конструкций. Обозначение С 5-30 кв расшифровывается следующим образом:
С – тип конструкции (составная свая);
5 – индекс, указывающий длину элемента (в метрах);
30 – размер поперечного сечения (30х30 см);
к – принадлежность к Серии 1.011 КЖИ-10000;
в – положение сваи или тип соединения (н – нижняя; в – верхняя; с – сварное соединение).
Изготовление составных свай С 5-30 кв регламентируется Серией 1.011 КЖИ-10000. Для обеспечения высокого качества поверхностей и точности геометрических параметров конструкции производятся в металлических опалубках. Основным строительным материалом является бетон марки М300, а его физико-химические свойства, такие как водонепроницаемость и морозостойкость, подбираются в зависимости от климатических условий региона.
Армирование осуществляется с помощью пространственных каркасов и сеток, которые собираются в местах пересечения контактной точечной сваркой. Они изготавливаются из горячекатаной стали классов AI и AII, соответствующей ГОСТ 5781-75. Диаметр стержней варьируется в зависимости от длины сваи и составляет 12 или 14 мм. Также используется холоднотянутая проволока класса BI, соответствующая требованиям ГОСТ 6727-75. Закладные детали для приварки составных элементов производятся из профиля по ГОСТ 380-71 и стали класса AII. Обработка металлических частей противокоррозионными составами обязательна.
Складирование и транспортировка составных свай С 5-30 кв должны осуществляться с соблюдением норм безопасности и требований нормативных документов. Укладка должна производиться в горизонтальные штабеля с ориентированием торцов в одну сторону. Между рядами необходимо прокладывать подкладочный материал, чтобы исключить вероятность смещения. Важно защищать изделия от механических повреждений.
| Стандарт | серия |
| Номер стандарта | 1.011 КЖИ.10000 |
| Статус | не определен |
| Год выпущенного стандарта | 1984 |
| Название стандарта | Сваи составные. |
| Название | Длина, мм | Ширина, мм | Высота, мм | Вес, кг | Номер стандарта | Цена | |
|---|---|---|---|---|---|---|---|
| 28000 | 400 | 400 | 11150 | БСК 6 |
90 161 руб. |
||
| 28000 | 400 | 400 | 11150 | БСК 6 |
84 794 руб. |
||
| 28000 | 400 | 400 | 11150 | БСК 6 |
83 787 руб. |
||
| 28000 | 400 | 400 | 11150 | БСК 6 |
83 787 руб. |
||
| 28000 | 350 | 350 | 8530 | БСК 6 |
73 971 руб. |
||
| 28000 | 350 | 350 | 8530 | БСК 6 |
63 843 руб. |
||
| 28000 | 350 | 350 | 8530 | БСК 6 |
63 604 руб. |
||
| 28000 | 350 | 350 | 8530 | БСК 6 |
63 604 руб. |
||
| 27000 | 400 | 400 | 10750 | БСК 6 |
86 659 руб. |
||
| 27000 | 400 | 400 | 10750 | БСК 6 |
79 299 руб. |
||
| 27000 | 400 | 400 | 10750 | БСК 6 |
78 672 руб. |
||
| 27000 | 400 | 400 | 10750 | БСК 6 |
78 672 руб. |
||
| 27000 | 350 | 350 | 8220 | БСК 6 |
71 487 руб. |
||
| 27000 | 350 | 350 | 8220 | БСК 6 |
59 834 руб. |
||
| 27000 | 350 | 350 | 8220 | БСК 6 |
59 636 руб. |
||
| 27000 | 350 | 350 | 8220 | БСК 6 |
59 636 руб. |
||
| 26000 | 400 | 400 | 10350 | БСК 6 |
83 737 руб. |
||
| 26000 | 400 | 400 | 10350 | БСК 6 |
76 758 руб. |
||
| 26000 | 400 | 400 | 10350 | БСК 6 |
76 131 руб. |
||
| 26000 | 400 | 400 | 10350 | БСК 6 |
76 131 руб. |
||
| 26000 | 350 | 350 | 7920 | БСК 6 |
68 917 руб. |
||
| 26000 | 350 | 350 | 7920 | БСК 6 |
57 788 руб. |
||
| 26000 | 350 | 350 | 7920 | БСК 6 |
57 517 руб. |
||
| 26000 | 350 | 350 | 7920 | БСК 6 |
57 517 руб. |
||
| 25000 | 400 | 400 | 9950 | БСК 6 |
80 810 руб. |
||
| 25000 | 400 | 400 | 9950 | БСК 6 |
74 221 руб. |
||
| 25000 | 400 | 400 | 9950 | БСК 6 |
73 590 руб. |
||
| 25000 | 400 | 400 | 9950 | БСК 6 |
73 590 руб. |
||
| 25000 | 350 | 350 | 7620 | БСК 6 |
66 481 руб. |
||
| 25000 | 350 | 350 | 7620 | БСК 6 |
54 518 руб. |
||
| 25000 | 350 | 350 | 7620 | БСК 6 |
54 279 руб. |
||
| 25000 | 350 | 350 | 7620 | БСК 6 |
54 279 руб. |
||
| 24000 | 400 | 400 | 9550 | БСК 6 |
77 309 руб. |
||
| 24000 | 400 | 400 | 9550 | БСК 6 |
68 633 руб. |
||
| 24000 | 400 | 400 | 9550 | БСК 6 |
68 675 руб. |
||
| 24000 | 400 | 400 | 9550 | БСК 6 |
68 675 руб. |
||
| 24000 | 350 | 350 | 7320 | БСК 6 |
63 907 руб. |
||
| 24000 | 350 | 350 | 7320 | БСК 6 |
51 702 руб. |
||
| 24000 | 350 | 350 | 7320 | БСК 6 |
51 509 руб. |
||
| 24000 | 350 | 350 | 7320 | БСК 6 |
51 509 руб. |
||
| 24000 | 300 | 300 | 5400 | БСК 6 |
53 613 руб. |
||
| 24000 | 300 | 300 | 5400 | БСК 6 |
41 403 руб. |
||
| 24000 | 300 | 300 | 5400 | БСК 6 |
40 486 руб. |
||
| 24000 | 300 | 300 | 5400 | БСК 6 |
40 486 руб. |
||
| 23000 | 400 | 400 | 9150 | БСК 6 |
74 382 руб. |
||
| 23000 | 400 | 400 | 9150 | БСК 6 |
66 096 руб. |
||
| 23000 | 400 | 400 | 9150 | БСК 6 |
66 134 руб. |
||
| 23000 | 400 | 400 | 9150 | БСК 6 |
66 134 руб. |
||
| 23000 | 350 | 350 | 7020 | БСК 6 |
61 470 руб. |
||
| 23000 | 350 | 350 | 7020 | БСК 6 |
48 432 руб. |
| Название | Длина, мм | Ширина, мм | Высота, мм | Вес, кг | Номер стандарта | Цена | |
|---|---|---|---|---|---|---|---|
| 9000 | 300 | 300 | 2000 | 1.011 КЖИ.10000 |
15 525 руб. |
||
| 9000 | 300 | 300 | 2000 | 1.011 КЖИ.10000 |
15 617 руб. |
||
| 8000 | 300 | 300 | 1800 | 1.011 КЖИ.10000 |
14 060 руб. |
||
| 7000 | 300 | 300 | 1550 | 1.011 КЖИ.10000 |
12 587 руб. |
||
| 7000 | 300 | 300 | 1550 | 1.011 КЖИ.10000 |
12 421 руб. |
||
| 6000 | 300 | 300 | 1380 | 1.011 КЖИ.10000 |
11 069 руб. |
||
| 6000 | 300 | 300 | 1330 | 1.011 КЖИ.10000 |
11 092 руб. |
||
| 5000 | 300 | 300 | 1150 | 1.011 КЖИ.10000 |
9 857 руб. |
||
| 12000 | 300 | 300 | 2700 | 1.011 КЖИ.10000 |
22 178 руб. |
||
| 12000 | 300 | 300 | 2700 | 1.011 КЖИ.10000 |
22 285 руб. |
||
| 11000 | 300 | 300 | 2450 | 1.011 КЖИ.10000 |
20 335 руб. |
||
| 10000 | 300 | 300 | 2220 | 1.011 КЖИ.10000 |
17 715 руб. |
ТД "Еврастрой" предлагает купить Сваи составные верхние С 5-30 кв по выгодной цене. Наша компания осуществляет доставку продукции по всей территории России и странам СНГ.
В каталоге представлено около 170 тыс. позиций.
По наличию и ценам Мы можем проконсультировать Вас по телефону +7 (343) 300-90-87 или можете отправить запрос на почтовый ящик gbi@gbi22.ru.
Оплатить продукцию можно в рассрочку, для обсуждения вопросов оплаты так же можно обратиться к нашим менеджерам.
Продажа ЖБИ изделий производится с заводов в таких городах как:
Наши менеджеры помогут Вам подобрать оптимальное решения для ваших задач, сориентируют по наличию и ценам, расскажут про оптимальные варианты доставки и оплаты. Звоните +7 (343) 300-90-87
