Производство, продажа и
поставка ЖБИ по России и СНГ
Навигация
Код товара:
0 руб.
цена с НДС*

серия 3.016.1-11

Краткие характеристики
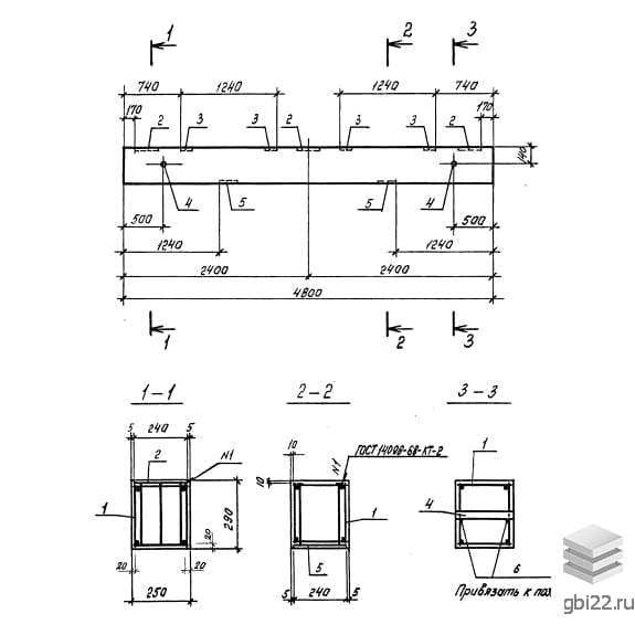
Длина, мм
4800
Ширина, мм
250
Высота, мм
290
Вес, кг
1500

Все характеристики
Длина, мм
4800
Ширина, мм
250
Высота, мм
290
Вес, кг
1500
Количество в квадратом метре, шт
0,83
Нормы погрузки на авто
13
Нормы погрузки ЖД
46
Ссылка на стандарт
https://disk.yandex.ru/d/-0woa8CL6e2xIg
Геометрический объем
0,348
Объем бетона
0,60
Траверсы Т 4-2-1 размеры: длина, мм.: 4800, ширина, мм.: 250, высота, мм.: 290, вес, кг.: 1500, марка бетона: . Изделия относятся к категории Траверсы железобетонные-Траверсы и изготавливаются по технической документации согласно серия 3.016.1-11
Стандарт
серия
Номер стандарта
3.016.1-11
Статус
не определен
Год выпущенного стандарта
1991
Название стандарта
Эстакады железобетонные комбинированные под технологические трубопроводы и кабели.
Название Длина, ммШирина, ммВысота, ммВес, кгНомер стандарта Цена
892040040017003.407-40/70
21 435 руб.
892040040017003.407-40/70
20 306 руб.
592040040012003.407-40/70
17 300 руб.
40004004008003.407-40/70
9 721 руб.
899030035021803.407.1-157
24 116 руб.
599030035014503.407.1-157
15 290 руб.
599030035014503.407.1-157
15 347 руб.
899030035021803.407.1-137
23 909 руб.
599030035014503.407.1-137
15 036 руб.
599030035014503.407.1-137
15 094 руб.
13003003002903.402-24
5 562 руб.
12003003002703.402-24
5 299 руб.
10003003002203.402-24
4 157 руб.
8003003001803.402-24
3 858 руб.
600030030013503.016.1-9
12 475 руб.
600030030013503.016.1-9
18 523 руб.
600030030013503.016.1-9
17 060 руб.
600030030013503.016.1-9
18 523 руб.
24002003003603.016.1-9
5 058 руб.
30002502905403.016.1-9
6 262 руб.
30002502905403.016.1-9
6 262 руб.
30002502905403.016.1-9
10 685 руб.
30002502905403.016.1-9
10 685 руб.
30002502905403.016.1-9
8 566 руб.
30002502905403.016.1-9
8 566 руб.
780025050024003.016.1-17.93
21 577 руб.
600025050019003.016.1-17.93
28 825 руб.
600025050019003.016.1-17.93
15 405 руб.
600030060027503.016.1-17.93
44 518 руб.
600030060027503.016.1-17.93
42 721 руб.
480025050015003.016.1-17.93
14 899 руб.
480025050015003.016.1-17.93
15 084 руб.
30002505009403.016.1-17.93
12 173 руб.
600025050019003.016.1-17.93
23 679 руб.
480025050015003.016.1-17.93
14 899 руб.
600030060027503.016.1-17.93
46 695 руб.
600025050019003.016.1-17.93
23 906 руб.
780030060019003.016.1-17.93
54 248 руб.
300025050035003.016.1-17.93
21 867 руб.
780025050024003.016.1-11
41 319 руб.
780025050024003.016.1-11
38 452 руб.
780025050024003.016.1-11
49 486 руб.
780025050024003.016.1-11
38 936 руб.
780025050024003.016.1-11
43 694 руб.
780025050024003.016.1-11
35 826 руб.
780025050024003.016.1-11
28 131 руб.
780025050024003.016.1-11
50 120 руб.
780025050024003.016.1-11
27 613 руб.
600025050019003.016.1-11
29 389 руб.
600025050019003.016.1-11
25 810 руб.
Полный каталог
Название Длина, ммШирина, ммВысота, ммВес, кгНомер стандарта Цена
780025050024003.016.1-11
41 319 руб.
780025050024003.016.1-11
38 452 руб.
780025050024003.016.1-11
49 486 руб.
780025050024003.016.1-11
38 936 руб.
780025050024003.016.1-11
43 694 руб.
780025050024003.016.1-11
35 826 руб.
780025050024003.016.1-11
28 131 руб.
780025050024003.016.1-11
50 120 руб.
780025050024003.016.1-11
27 613 руб.
600025050019003.016.1-11
29 389 руб.
600025050019003.016.1-11
25 810 руб.
600025050019003.016.1-11
26 521 руб.
600025050019003.016.1-11
22 804 руб.
600025050019003.016.1-11
25 672 руб.
600025050019003.016.1-11
25 499 руб.
600025050019003.016.1-11
17 597 руб.
600025050019003.016.1-11
18 012 руб.
600025050019003.016.1-11
18 184 руб.
600025050019003.016.1-11
27 561 руб.
600025050019003.016.1-11
38 904 руб.
600025050019003.016.1-11
45 603 руб.
600025050019003.016.1-11
29 965 руб.
600025050019003.016.1-11
29 700 руб.
480025050015003.016.1-11
28 429 руб.
480025050015003.016.1-11
23 591 руб.
480025050015003.016.1-11
22 560 руб.
480025050015003.016.1-11
21 765 руб.
480025050015003.016.1-11
18 228 руб.
480025050015003.016.1-11
19 346 руб.
480025050015003.016.1-11
13 966 руб.
480025050015003.016.1-11
14 784 руб.
420025050013003.016.1-11
25 369 руб.
420025050013003.016.1-11
22 841 руб.
420025050013003.016.1-11
20 445 руб.
420025050013003.016.1-11
17 381 руб.
420025050013003.016.1-11
12 301 руб.
360025050011003.016.1-11
15 635 руб.
360025050011003.016.1-11
13 077 руб.
360025050011003.016.1-11
10 578 руб.
30002505009403.016.1-11
14 201 руб.
3000210045070003.016.1-11
40 187 руб.
2700240060068753.016.1-11
38 523 руб.
2400210060057503.016.1-11
31 850 руб.
2400180060052503.016.1-11
28 688 руб.
1200900195042503.016.1-11
28 148 руб.
1200900135025003.016.1-11
18 596 руб.
1200900105017503.016.1-11
14 274 руб.
1200900240052503.016.1-11
38 791 руб.
1200900180037503.016.1-11
25 827 руб.
1200900120021253.016.1-11
16 856 руб.

ТД "Еврастрой" предлагает купить Траверсы Т 4-2-1 по выгодной цене. Наша компания осуществляет доставку продукции по всей территории России и странам СНГ.

В каталоге представлено около 170 тыс. позиций.

По наличию и ценам Мы можем проконсультировать Вас по телефону +7 (343) 300-90-87 или можете отправить запрос на почтовый ящик gbi@gbi22.ru.

Оплатить продукцию можно в рассрочку, для обсуждения вопросов оплаты так же можно обратиться к нашим менеджерам.

Продажа ЖБИ изделий производится с заводов в таких городах как:

  • Екатеринбург
  • Тюмень
  • Красноярск
  • Новосибирск
  • Иркутск
  • Ростов-на-дону
  • Нижний Новгород
  • Казань
  • Москва

Наши менеджеры помогут Вам подобрать оптимальное решения для ваших задач, сориентируют по наличию и ценам, расскажут про оптимальные варианты доставки и оплаты. Звоните +7 (343) 300-90-87

0 руб.
цена с НДС*
Наличие: нет
шт.
Перейти в корзину

Оформить заказ
Рассрочка
Рассказать друзьям: