В вашей корзине ещё нет товаров.
| Цена за 1м3, руб | 20 303 с НДС* |
|
|||||||||
| Количество в квадратом метре, шт | 0,23 | ||||||||
| Нормы погрузки на авто | 3 | ||||||||
| Нормы погрузки ЖД | 6 | ||||||||
| Ссылка на стандарт | https://disk.yandex.ru/d/oIwmgbde3R4w3Q | ||||||||
| Расход стали, кг | 64,3 |
| Расход стали на 1м3 бетона, кг | 40,19 |
| Класс прочности | В25 |
| Марка бетона | М350 |
| Морозостойкость | F200-F300 |
| Водонепроницаемость | W8-W10 |
| Марка бетона по EN 206-1 | C20/25 |
| Геометрический объем | 5,285 |
| Объем бетона | 1,60 |
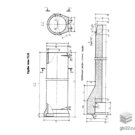
Цилиндрические раструбные трубы ТСП 100-35-2 – это универсальные бетонные изделия, предназначенные для работы без давления. Их применение охватывает практически все сферы, включая транспортировку различных жидкостей, воздуха и других веществ самотеком. Специальный раструб обеспечивает надежное соединение труб, а герметизация стыков достигается с помощью герметика.
ТСП – обозначение типа изделия (трубы цилиндрические раструбные);
100 – условный диаметр в сантиметрах;
35 – полезная длина в дециметрах;
2 – несущая способность.
Длина: 3670 мм
Ширина: 1200 мм
Высота: 1200 мм
Вес: 4000 кг
Марка бетона: М350
Трубы ТСП 100-35-2 находят применение в различных отраслях, включая дорожное, гражданское, сельское, промышленное и железнодорожное строительство. Они идеально подходят для транспортировки сточных вод, бытовых жидкостей, а также для создания мелиорационных систем, ливневых водостоков и бытовой канализации. Жидкость отводится самотеком, что делает их удобными для подземной прокладки.
Изделия изготавливаются в соответствии с ГОСТ 6482-88. Основной материал – бетон, который должен соответствовать классу прочности на сжатие не менее В25 и водонепроницаемости W4. Трубы обладают высокой стойкостью к коррозии, гниению и обрастанию биологическими массами, что делает их универсальными для различных условий эксплуатации. Заявленный срок службы составляет не менее 80 лет.
Для обеспечения прочности трубы с раструбами подлежат обязательному армированию. Арматура из углеродной стали классов AI и AIII используется для укрепления раструба и цилиндрической части. Диаметр прутков составляет 6 мм, и они обрабатываются антикоррозионными составами. Транспортировка осуществляется специализированным транспортом, с использованием деревянных подкладок и надежным креплением.
Хранение труб производится в штабелях, высота которых не превышает 4 трубы. Между слоями прокладываются деревянные доски с шагоМ350 мм от каждого края. Для удобства элементы сортируются по видам и маркам.
| Стандарт | ГОСТ |
| Номер стандарта | 6482-88 |
| Статус | заменен ГОСТ 6482-2011 |
| Год выпущенного стандарта | 1990 |
| Название стандарта | Трубы железобетонные безнапорные. Технические условия. |
| Название | Длина, мм | Ширина, мм | Высота, мм | Вес, кг | Номер стандарта | Цена | |
|---|---|---|---|---|---|---|---|
| 2610 | 1780 | 1780 | 4900 | 6482-2011 |
по запросу |
||
| 2160 | 720 | 720 | 420 | 6482-2011 |
по запросу |
||
| 2160 | 720 | 720 | 420 | 6482-2011 |
по запросу |
||
| 2110 | 1270 | 1270 | 1641 | 20054-2016 |
по запросу |
||
| 2110 | 1330 | 1330 | 1929 | 20054-2016 |
по запросу |
||
| 2110 | 1270 | 1270 | 1641 | 20054-2016 |
по запросу |
||
| 2110 | 1330 | 1330 | 1929 | 20054-2016 |
по запросу |
||
| 2110 | 1230 | 1230 | 1459 | 20054-2016 |
по запросу |
||
| 2100 | 990 | 990 | 984 | 20054-2016 |
по запросу |
||
| 2100 | 1030 | 1030 | 1137 | 20054-2016 |
по запросу |
||
| 2100 | 950 | 950 | 852 | 20054-2016 |
по запросу |
||
| 2100 | 990 | 990 | 984 | 20054-2016 |
по запросу |
||
| 2100 | 1030 | 1030 | 1137 | 20054-2016 |
по запросу |
||
| 2100 | 850 | 850 | 727 | 20054-2016 |
по запросу |
||
| 2100 | 890 | 890 | 857 | 20054-2016 |
по запросу |
||
| 2100 | 810 | 810 | 622 | 20054-2016 |
по запросу |
||
| 2100 | 850 | 850 | 727 | 20054-2016 |
по запросу |
||
| 2100 | 890 | 890 | 857 | 20054-2016 |
по запросу |
||
| 1600 | 710 | 710 | 398 | 20054-2016 |
по запросу |
||
| 1600 | 750 | 750 | 466 | 20054-2016 |
по запросу |
||
| 1600 | 670 | 670 | 331 | 20054-2016 |
по запросу |
||
| 1600 | 710 | 710 | 398 | 20054-2016 |
по запросу |
||
| 1600 | 750 | 750 | 466 | 20054-2016 |
по запросу |
||
| 1580 | 540 | 540 | 226 | 20054-2016 |
по запросу |
||
| 1580 | 520 | 520 | 199 | 20054-2016 |
по запросу |
||
| 1580 | 560 | 560 | 252 | 20054-2016 |
по запросу |
||
| 1580 | 540 | 540 | 226 | 20054-2016 |
по запросу |
||
| 1580 | 520 | 520 | 199 | 20054-2016 |
по запросу |
||
| 1580 | 560 | 560 | 252 | 20054-2016 |
по запросу |
||
| 1550 | 360 | 360 | 86 | 20054-2016 |
по запросу |
||
| 1550 | 380 | 380 | 103 | 20054-2016 |
по запросу |
||
| 1550 | 400 | 400 | 120 | 20054-2016 |
по запросу |
||
| 1050 | 290 | 290 | 38 | 20054-2016 |
по запросу |
||
| 1050 | 310 | 310 | 46 | 20054-2016 |
по запросу |
||
| 1050 | 330 | 330 | 56 | 20054-2016 |
по запросу |
||
| 2110 | 1630 | 1630 | 2932 | 20054-2016 |
по запросу |
||
| 2145 | 1550 | 1550 | 2457 | 20054-2016 |
по запросу |
||
| 2110 | 1510 | 1510 | 2217 | 20054-2016 |
по запросу |
||
| 2110 | 1550 | 1500 | 2457 | 20054-2016 |
по запросу |
||
| 2110 | 1630 | 1630 | 2932 | 20054-2016 |
по запросу |
||
| 2110 | 1470 | 1470 | 2000 | 20054-2016 |
по запросу |
||
| 1050 | 220 | 220 | 22 | 20054-2016 |
по запросу |
||
| 1050 | 240 | 240 | 29 | 20054-2016 |
по запросу |
||
| 5190 | 1840 | 1840 | 10500 | 6482-88 |
133 490 руб. |
||
| 5190 | 1840 | 1840 | 10500 | 6482-88 |
111 575 руб. |
||
| 5190 | 1840 | 1840 | 10500 | 6482-88 |
98 786 руб. |
||
| 3690 | 1840 | 1840 | 7500 | 6482-88 |
95 336 руб. |
||
| 3690 | 1840 | 1840 | 7500 | 6482-88 |
80 226 руб. |
||
| 3690 | 1840 | 1840 | 7500 | 6482-88 |
70 974 руб. |
||
| 5190 | 1620 | 1620 | 9000 | 6482-88 |
107 799 руб. |
| Название | Длина, мм | Ширина, мм | Высота, мм | Вес, кг | Номер стандарта | Цена | |
|---|---|---|---|---|---|---|---|
| 3110 | 2700 | 2700 | 11000 | 6482-88 |
140 360 руб. |
||
| 3110 | 2700 | 2700 | 11000 | 6482-88 |
126 963 руб. |
||
| 4590 | 2260 | 2260 | 11800 | 6482-88 |
147 146 руб. |
||
| 4590 | 2260 | 2260 | 11800 | 6482-88 |
130 975 руб. |
||
| 5090 | 1840 | 1840 | 10000 | 6482-88 |
127 793 руб. |
||
| 5090 | 1840 | 1840 | 10000 | 6482-88 |
105 370 руб. |
||
| 5090 | 1840 | 1840 | 10000 | 6482-88 |
93 274 руб. |
||
| 5090 | 1620 | 1620 | 8500 | 6482-88 |
102 201 руб. |
||
| 5090 | 1620 | 1620 | 8500 | 6482-88 |
87 615 руб. |
||
| 5090 | 1620 | 1620 | 8500 | 6482-88 |
76 382 руб. |
||
| 5090 | 1420 | 1420 | 6800 | 6482-88 |
77 392 руб. |
||
| 5090 | 1420 | 1420 | 6800 | 6482-88 |
65 240 руб. |
||
| 5090 | 1420 | 1420 | 6800 | 6482-88 |
57 713 руб. |
||
| 5070 | 1200 | 1200 | 5300 | 6482-88 |
47 669 руб. |
||
| 5070 | 1200 | 1200 | 5300 | 6482-88 |
42 902 руб. |
||
| 5190 | 1840 | 1840 | 10500 | 6482-88 |
133 490 руб. |
||
| 5190 | 1840 | 1840 | 10500 | 6482-88 |
111 575 руб. |
||
| 5190 | 1840 | 1840 | 10500 | 6482-88 |
98 786 руб. |
||
| 3690 | 1840 | 1840 | 7500 | 6482-88 |
95 336 руб. |
||
| 3690 | 1840 | 1840 | 7500 | 6482-88 |
80 226 руб. |
||
| 3690 | 1840 | 1840 | 7500 | 6482-88 |
70 974 руб. |
||
| 5190 | 1620 | 1620 | 9000 | 6482-88 |
107 799 руб. |
||
| 5190 | 1620 | 1620 | 9000 | 6482-88 |
93 524 руб. |
||
| 5190 | 1620 | 1620 | 9000 | 6482-88 |
81 683 руб. |
||
| 3690 | 1620 | 1620 | 6300 | 6482-88 |
76 449 руб. |
||
| 3690 | 1620 | 1620 | 6300 | 6482-88 |
66 603 руб. |
||
| 3690 | 1620 | 1620 | 6300 | 6482-88 |
58 058 руб. |
||
| 5175 | 1420 | 1420 | 7000 | 6482-88 |
81 094 руб. |
||
| 5175 | 1420 | 1420 | 7000 | 6482-88 |
69 196 руб. |
||
| 5175 | 1420 | 1420 | 7000 | 6482-88 |
61 090 руб. |
||
| 3675 | 1420 | 1420 | 5000 | 6482-88 |
58 280 руб. |
||
| 3675 | 1420 | 1420 | 5000 | 6482-88 |
50 103 руб. |
||
| 3675 | 1420 | 1420 | 5000 | 6482-88 |
44 175 руб. |
||
| 5170 | 1200 | 1200 | 5500 | 6482-88 |
50 112 руб. |
||
| 5170 | 1200 | 1200 | 5500 | 6482-88 |
44 821 руб. |
||
| 3670 | 1200 | 1200 | 4000 | 6482-88 |
37 225 руб. |
||
| 5160 | 960 | 960 | 3000 | 6482-88 |
38 831 руб. |
||
| 5160 | 960 | 960 | 3000 | 6482-88 |
35 626 руб. |
||
| 3660 | 960 | 960 | 2200 | 6482-88 |
28 166 руб. |
||
| 3660 | 960 | 960 | 2200 | 6482-88 |
25 888 руб. |
||
| 5160 | 720 | 720 | 1700 | 6482-88 |
21 095 руб. |
||
| 5160 | 720 | 720 | 1700 | 6482-88 |
19 799 руб. |
||
| 2660 | 720 | 720 | 920 | 6482-88 |
11 250 руб. |
||
| 2660 | 720 | 720 | 920 | 6482-88 |
10 583 руб. |
||
| 5160 | 620 | 620 | 1500 | 6482-88 |
17 470 руб. |
||
| 5160 | 620 | 620 | 1500 | 6482-88 |
16 470 руб. |
||
| 2660 | 620 | 620 | 780 | 6482-88 |
9 104 руб. |
||
| 2660 | 620 | 620 | 780 | 6482-88 |
8 604 руб. |
||
| 5145 | 500 | 500 | 950 | 6482-88 |
11 980 руб. |
||
| 5145 | 500 | 500 | 950 | 6482-88 |
10 961 руб. |
ТД "Еврастрой" предлагает купить Трубы безнапорные ТСП 100-35-2 по выгодной цене. Наша компания осуществляет доставку продукции по всей территории России и странам СНГ.
В каталоге представлено около 170 тыс. позиций.
По наличию и ценам Мы можем проконсультировать Вас по телефону +7 (343) 300-90-87 или можете отправить запрос на почтовый ящик gbi@gbi22.ru.
Оплатить продукцию можно в рассрочку, для обсуждения вопросов оплаты так же можно обратиться к нашим менеджерам.
Продажа ЖБИ изделий производится с заводов в таких городах как:
Наши менеджеры помогут Вам подобрать оптимальное решения для ваших задач, сориентируют по наличию и ценам, расскажут про оптимальные варианты доставки и оплаты. Звоните +7 (343) 300-90-87
