В вашей корзине ещё нет товаров.
|
|||||||||
| Количество в квадратом метре, шт | 0,22 | ||||||||
| Нормы погрузки на авто | 3 | ||||||||
| Нормы погрузки ЖД | 7 | ||||||||
| Ссылка на стандарт | https://disk.yandex.ru/d/OYxNjVA7YSql_A | ||||||||
| Геометрический объем | 7,751 |
| Объем бетона | 2,56 |
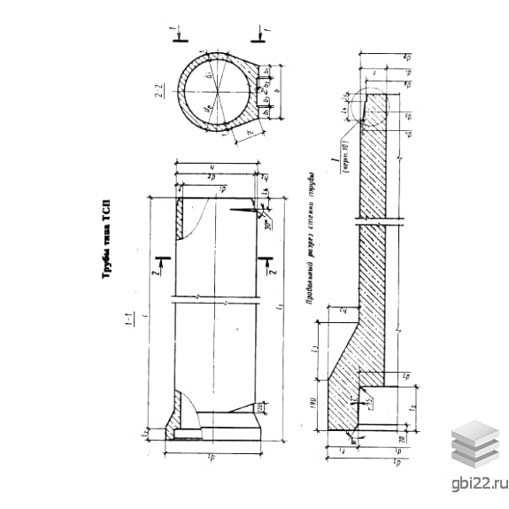
Цилиндрические раструбные трубы ТСП 140-25-3 – это универсальные бетонные изделия, предназначенные для работы без давления. Они находят применение в различных областях, включая транспортировку жидкостей, воздуха и других веществ самотеком.
Маркировка труб ТСП 140-25-3 расшифровывается следующим образом:
ТСП – тип конструкции (трубы цилиндрические раструбные);
140 – условный диаметр в сантиметрах;
25 – полезная длина в дециметрах;
3 – несущая способность.
Длина: 2620 мм
Ширина: 1720 мм
Высота: 1720 мм
Вес: 6400 кг
Марка бетона: не менее
Трубы ТСП 140-25-3 используются в различных сферах, включая дорожное, гражданское, сельское, промышленное и железнодорожное строительство. Они подходят для транспортировки сточных вод, бытовых жидкостей, а также для создания мелиорационных систем и ливневых водостоков. Жидкость отводится самотеком, что делает их идеальными для подземной прокладки.
Эти трубы обладают высокой стойкостью к коррозии, гниению и обрастанию биологическими массами, что делает их универсальными для различных условий эксплуатации. Они также выдерживают широкий диапазон температур и имеют заявленный срок службы не менее 80 лет.
Для обеспечения прочности трубы с раструбами армируются с использованием углеродной стали классов AI и AIII. Арматурные каркасы изготавливаются методом контактно-точечной сварки и обрабатываются антикоррозионными составами. Транспортировка труб осуществляется специализированным транспортом с использованием деревянных подкладок и стальных лент для надежного крепления.
Хранение труб производится в штабелях, высота которых не превышает 4 трубы. Между слоями укладываются деревянные доски с шаго мм от каждого края для предотвращения повреждений.
| Стандарт | ГОСТ |
| Номер стандарта | 6482-2011 |
| Статус | действует |
| Год выпущенного стандарта | 2013 |
| Название стандарта | Трубы железобетонные безнапорные. Технические условия. |
| Название | Длина, мм | Ширина, мм | Высота, мм | Вес, кг | Номер стандарта | Цена | |
|---|---|---|---|---|---|---|---|
| 2610 | 1780 | 1780 | 4900 | 6482-2011 |
по запросу |
||
| 2160 | 720 | 720 | 420 | 6482-2011 |
по запросу |
||
| 2160 | 720 | 720 | 420 | 6482-2011 |
по запросу |
||
| 2110 | 1270 | 1270 | 1641 | 20054-2016 |
по запросу |
||
| 2110 | 1330 | 1330 | 1929 | 20054-2016 |
по запросу |
||
| 2110 | 1270 | 1270 | 1641 | 20054-2016 |
по запросу |
||
| 2110 | 1330 | 1330 | 1929 | 20054-2016 |
по запросу |
||
| 2110 | 1230 | 1230 | 1459 | 20054-2016 |
по запросу |
||
| 2100 | 990 | 990 | 984 | 20054-2016 |
по запросу |
||
| 2100 | 1030 | 1030 | 1137 | 20054-2016 |
по запросу |
||
| 2100 | 950 | 950 | 852 | 20054-2016 |
по запросу |
||
| 2100 | 990 | 990 | 984 | 20054-2016 |
по запросу |
||
| 2100 | 1030 | 1030 | 1137 | 20054-2016 |
по запросу |
||
| 2100 | 850 | 850 | 727 | 20054-2016 |
по запросу |
||
| 2100 | 890 | 890 | 857 | 20054-2016 |
по запросу |
||
| 2100 | 810 | 810 | 622 | 20054-2016 |
по запросу |
||
| 2100 | 850 | 850 | 727 | 20054-2016 |
по запросу |
||
| 2100 | 890 | 890 | 857 | 20054-2016 |
по запросу |
||
| 1600 | 710 | 710 | 398 | 20054-2016 |
по запросу |
||
| 1600 | 750 | 750 | 466 | 20054-2016 |
по запросу |
||
| 1600 | 670 | 670 | 331 | 20054-2016 |
по запросу |
||
| 1600 | 710 | 710 | 398 | 20054-2016 |
по запросу |
||
| 1600 | 750 | 750 | 466 | 20054-2016 |
по запросу |
||
| 1580 | 540 | 540 | 226 | 20054-2016 |
по запросу |
||
| 1580 | 520 | 520 | 199 | 20054-2016 |
по запросу |
||
| 1580 | 560 | 560 | 252 | 20054-2016 |
по запросу |
||
| 1580 | 540 | 540 | 226 | 20054-2016 |
по запросу |
||
| 1580 | 520 | 520 | 199 | 20054-2016 |
по запросу |
||
| 1580 | 560 | 560 | 252 | 20054-2016 |
по запросу |
||
| 1550 | 360 | 360 | 86 | 20054-2016 |
по запросу |
||
| 1550 | 380 | 380 | 103 | 20054-2016 |
по запросу |
||
| 1550 | 400 | 400 | 120 | 20054-2016 |
по запросу |
||
| 1050 | 290 | 290 | 38 | 20054-2016 |
по запросу |
||
| 1050 | 310 | 310 | 46 | 20054-2016 |
по запросу |
||
| 1050 | 330 | 330 | 56 | 20054-2016 |
по запросу |
||
| 2110 | 1630 | 1630 | 2932 | 20054-2016 |
по запросу |
||
| 2145 | 1550 | 1550 | 2457 | 20054-2016 |
по запросу |
||
| 2110 | 1510 | 1510 | 2217 | 20054-2016 |
по запросу |
||
| 2110 | 1550 | 1500 | 2457 | 20054-2016 |
по запросу |
||
| 2110 | 1630 | 1630 | 2932 | 20054-2016 |
по запросу |
||
| 2110 | 1470 | 1470 | 2000 | 20054-2016 |
по запросу |
||
| 1050 | 220 | 220 | 22 | 20054-2016 |
по запросу |
||
| 1050 | 240 | 240 | 29 | 20054-2016 |
по запросу |
||
| 5190 | 1840 | 1840 | 10500 | 6482-88 |
133 490 руб. |
||
| 5190 | 1840 | 1840 | 10500 | 6482-88 |
111 575 руб. |
||
| 5190 | 1840 | 1840 | 10500 | 6482-88 |
98 786 руб. |
||
| 3690 | 1840 | 1840 | 7500 | 6482-88 |
95 336 руб. |
||
| 3690 | 1840 | 1840 | 7500 | 6482-88 |
80 226 руб. |
||
| 3690 | 1840 | 1840 | 7500 | 6482-88 |
70 974 руб. |
||
| 5190 | 1620 | 1620 | 9000 | 6482-88 |
107 799 руб. |
| Название | Длина, мм | Ширина, мм | Высота, мм | Вес, кг | Номер стандарта | Цена | |
|---|---|---|---|---|---|---|---|
| 2610 | 1780 | 1780 | 4900 | 6482-2011 |
по запросу |
||
| 2160 | 720 | 720 | 420 | 6482-2011 |
по запросу |
||
| 2160 | 720 | 720 | 420 | 6482-2011 |
по запросу |
||
| 5070 | 960 | 960 | 2900 | 6482-2011 |
по запросу |
||
| 5070 | 960 | 960 | 2900 | 6482-2011 |
по запросу |
||
| 3110 | 960 | 960 | 1780 | 6482-2011 |
по запросу |
||
| 3110 | 960 | 960 | 1780 | 6482-2011 |
по запросу |
||
| 2610 | 960 | 960 | 1500 | 6482-2011 |
по запросу |
||
| 2610 | 960 | 960 | 1500 | 6482-2011 |
по запросу |
||
| 2160 | 3340 | 3340 | 15000 | 6482-2011 |
по запросу |
||
| 2160 | 3340 | 3340 | 15000 | 6482-2011 |
по запросу |
||
| 2160 | 2700 | 2700 | 9800 | 6482-2011 |
по запросу |
||
| 2160 | 2700 | 2700 | 9800 | 6482-2011 |
по запросу |
||
| 2160 | 2700 | 2700 | 9800 | 6482-2011 |
по запросу |
||
| 2160 | 2700 | 2700 | 9800 | 6482-2011 |
по запросу |
||
| 2610 | 2260 | 2260 | 8300 | 6482-2011 |
по запросу |
||
| 2610 | 2260 | 2260 | 8300 | 6482-2011 |
по запросу |
||
| 2610 | 2050 | 2050 | 6850 | 6482-2011 |
по запросу |
||
| 2610 | 2050 | 2050 | 6850 | 6482-2011 |
по запросу |
||
| 5090 | 1840 | 1840 | 10000 | 6482-2011 |
127 793 руб. |
||
| 5090 | 1840 | 1840 | 10000 | 6482-2011 |
105 370 руб. |
||
| 5090 | 1840 | 1840 | 10000 | 6482-2011 |
93 274 руб. |
||
| 3110 | 1840 | 1840 | 6575 | 6482-2011 |
по запросу |
||
| 3110 | 1840 | 1840 | 6575 | 6482-2011 |
по запросу |
||
| 3110 | 1840 | 1840 | 6575 | 6482-2011 |
по запросу |
||
| 2610 | 1840 | 1840 | 5500 | 6482-2011 |
по запросу |
||
| 2610 | 1840 | 1840 | 5500 | 6482-2011 |
по запросу |
||
| 2610 | 1840 | 1840 | 5500 | 6482-2011 |
по запросу |
||
| 5090 | 1620 | 1620 | 8500 | 6482-2011 |
102 201 руб. |
||
| 5090 | 1620 | 1620 | 8500 | 6482-2011 |
87 615 руб. |
||
| 5090 | 1620 | 1620 | 8500 | 6482-2011 |
76 382 руб. |
||
| 3110 | 1620 | 1620 | 5100 | 6482-2011 |
по запросу |
||
| 3110 | 1620 | 1620 | 5100 | 6482-2011 |
по запросу |
||
| 3110 | 1620 | 1620 | 5100 | 6482-2011 |
по запросу |
||
| 2610 | 1620 | 1620 | 4275 | 6482-2011 |
по запросу |
||
| 2610 | 1620 | 1620 | 4275 | 6482-2011 |
по запросу |
||
| 2610 | 1620 | 1620 | 4275 | 6482-2011 |
по запросу |
||
| 5090 | 1420 | 1420 | 6800 | 6482-2011 |
77 392 руб. |
||
| 5090 | 1420 | 1420 | 6800 | 6482-2011 |
65 240 руб. |
||
| 5090 | 1420 | 1420 | 6800 | 6482-2011 |
57 713 руб. |
||
| 3110 | 1420 | 1420 | 3900 | 6482-2011 |
по запросу |
||
| 3110 | 1420 | 1420 | 3900 | 6482-2011 |
по запросу |
||
| 3110 | 1420 | 1420 | 3900 | 6482-2011 |
по запросу |
||
| 2610 | 1420 | 1420 | 3287 | 6482-2011 |
по запросу |
||
| 2610 | 1420 | 1420 | 3287 | 6482-2011 |
по запросу |
||
| 2610 | 1420 | 1420 | 3287 | 6482-2011 |
по запросу |
||
| 5070 | 1200 | 1200 | 5300 | 6482-2011 |
47 669 руб. |
||
| 5070 | 1200 | 1200 | 5300 | 6482-2011 |
42 902 руб. |
||
| 3110 | 1200 | 1200 | 2700 | 6482-2011 |
по запросу |
||
| 3110 | 1200 | 1200 | 2700 | 6482-2011 |
по запросу |
ТД "Еврастрой" предлагает купить Трубы безнапорные ТСП 140-25-3 по выгодной цене. Наша компания осуществляет доставку продукции по всей территории России и странам СНГ.
В каталоге представлено около 170 тыс. позиций.
По наличию и ценам Мы можем проконсультировать Вас по телефону +7 (343) 300-90-87 или можете отправить запрос на почтовый ящик gbi@gbi22.ru.
Оплатить продукцию можно в рассрочку, для обсуждения вопросов оплаты так же можно обратиться к нашим менеджерам.
Продажа ЖБИ изделий производится с заводов в таких городах как:
Наши менеджеры помогут Вам подобрать оптимальное решения для ваших задач, сориентируют по наличию и ценам, расскажут про оптимальные варианты доставки и оплаты. Звоните +7 (343) 300-90-87
