Производство, продажа и
поставка ЖБИ по России и СНГ
Навигация
Код товара:
5 704 руб.
цена с НДС*

серия 0-221-84

Краткие характеристики
Длина, мм
4250
Ширина, мм
300
Высота, мм
300
Вес, кг
750

Все характеристики
Длина, мм
4250
Ширина, мм
300
Высота, мм
300
Вес, кг
750
Количество в квадратом метре, шт
0,78
Нормы погрузки на авто
26
Нормы погрузки ЖД
92
Ссылка на стандарт
https://disk.yandex.ru/d/t6dUx_wYkCAdeA
Расход стали, кг
19,3
Расход стали на 1м3 бетона, кг
64,33
Класс прочности
В15
Марка бетона
М200
Морозостойкость
F100-F200
Водонепроницаемость
W4-W6
Марка бетона по EN 206-1
C12/15
Геометрический объем
0,383
Объем бетона
0,30

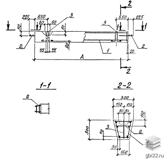
Фундаментные балки БФ 1 (0-221-84)

Фундаментные балки БФ 1 (0-221-84) – это вытянутые прямоугольные конструкции с трапециевидным поперечным сечением. В торцевых частях изделий расположены арматурные выпуски, которые необходимы для соединения с соседними элементами. Эти выпуски являются частью плоского каркаса.

Основные характеристики

Длина: 4250 мм

Ширина: 300 мм

Высота: 300 мм

Вес: 750 кг

Марка бетона: М200

Применение

Эти высокопрочные железобетонные балки используются при возведении фундаментов под колонны в промышленных зданиях. Рекомендуется опирать балки на верхний обрез фундамента, а также допускается укладка на самонесущие панели или кирпичную кладку стен.

Особенности конструкции

Изделия предназначены для применения в крайних пролетах, в зонах температурных швов и совместно с блоками шириной 1 м. Балки устанавливаются на специальные блоки-стаканы, которые разрабатываются индивидуально в зависимости от требований типового проекта.

Расчет и маркировка

Расчет балок выполнен с учетом рекомендаций СНиП II-6-74 и СНиП II-15-74, что обеспечивает прочность и долговечность конструкций. Для упрощения поиска и сортировки готовых изделий разработаны маркировочные обозначения, которые содержат ключевые характеристики. Маркировка наносится несмываемой краской, устойчива к истиранию и атмосферным воздействиям.

Расшифровка маркировки

БФ – тип конструкции (фундаментная балка);

1 – порядковый номер типоразмера элемента.

Материалы и армирование

Для производства балок БФ 1 (0-221-84) используется тяжелый бетон марки М200 по прочности на сжатие. Выбор марок бетона по морозостойкости и водонепроницаемости осуществляется в зависимости от климатических условий и требований проекта. Армирование выполняется с помощью пространственных каркасов из горячекатаной стали классов AI и AII по ГОСТ 5781-82, а также высокопрочной проволоки класса B-I по ГОСТ 6727-80.

Контроль качества

Все металлические элементы проходят антикоррозионную обработку в соответствии с СНиП II-28-73. Контрольные испытания проводятся по методам, изложенным в ГОСТ 13015-75. Не допускаются дефекты поверхностей и несоответствия геометрических пропорций, указанных в рабочих чертежах Серии 0-221-84. Результаты контрольных проверок должны быть отражены в паспорте качества, который поставляется с продукцией.

Укладка и транспортировка

Укладка балок БФ 1 (0-221-84) осуществляется в горизонтальные штабеля, сортированные по маркировочным обозначениям. Выступающие части конструкций должны быть защищены от механических повреждений. Подкладочный изолирующий материал располагается вблизи строповочных петель, высота прокладок должна превышать величину петель. Количество рядов в штабеле согласовывается с требованиями техники безопасности (СНиП III-4-80). Транспортировка элементов должна производиться в жестко зафиксированном состоянии с использованием траверс для равномерного распределения нагрузок.

Стандарт
серия
Номер стандарта
0-221-84
Статус
не действует
Год выпущенного стандарта
1984
Название стандарта
Унифицированные сборные фундаменты под колонны промышленных зданий.
Название Длина, ммШирина, ммВысота, ммВес, кгНомер стандарта Цена
388030045014101.110.1-1п
12 976 руб.
285040030086027Н-83
6 449 руб.
285040030086027Н-83
6 449 руб.
285040030086027Н-83
5 806 руб.
285040030086027Н-83
5 806 руб.
119604006005700КЭ 01-53
59 319 руб.
119603004003200КЭ 01-53
23 242 руб.
102004006004900КЭ 01-53
46 148 руб.
107004006005100КЭ 01-53
48 075 руб.
102003004002800КЭ 01-53
19 398 руб.
107003004002900КЭ 01-53
20 085 руб.
44505204001420КЭ 01-23
13 272 руб.
49505204001600КЭ 01-23
14 799 руб.
44505204001420КЭ 01-23
11 084 руб.
49505204001600КЭ 01-23
12 380 руб.
44505204001420КЭ 01-23
10 162 руб.
49505204001600КЭ 01-23
11 343 руб.
44504004001130КЭ 01-23
9 622 руб.
49504004001250КЭ 01-23
10 640 руб.
44504004001130КЭ 01-23
8 701 руб.
49504004001250КЭ 01-23
9 603 руб.
44504004001130КЭ 01-23
8 240 руб.
49504004001250КЭ 01-23
9 143 руб.
44503004001030КЭ 01-23
7 546 руб.
49503004001180КЭ 01-23
8 587 руб.
44503004001030КЭ 01-23
7 085 руб.
49503004001180КЭ 01-23
8 011 руб.
59503004501740КЭ 01-15
11 647 руб.
59504004502440КЭ 01-15
21 002 руб.
59504004502440КЭ 01-15
17 431 руб.
59503004501675КЭ 01-15
17 566 руб.
59503004501740КЭ 01-15
14 643 руб.
50503004501480КЭ 01-15
20 004 руб.
59504004502300КЭ 01-15
23 578 руб.
50503004501480КЭ 01-15
10 674 руб.
50504004502080КЭ 01-15
22 837 руб.
50504004502080КЭ 01-15
14 889 руб.
53503004501560КЭ 01-15
19 345 руб.
53503004501560КЭ 01-15
10 130 руб.
53504004502180КЭ 01-15
28 147 руб.
53504004502180КЭ 01-15
14 785 руб.
53504004502180КЭ 01-15
23 309 руб.
53503004501560КЭ 01-15
11 282 руб.
53504004502180КЭ 01-15
31 833 руб.
59504004502440КЭ 01-15
19 735 руб.
53504004502180КЭ 01-15
16 282 руб.
53503004501560КЭ 01-15
14 959 руб.
53503004501560КЭ 01-15
10 006 руб.
53504004502180КЭ 01-15
20 947 руб.
53503004501560КЭ 01-15
15 765 руб.
Полный каталог
Название Длина, ммШирина, ммВысота, ммВес, кгНомер стандарта Цена
30005400900179800-221-84
156 594 руб.
30005400900179800-221-84
156 594 руб.
30005400900179800-221-84
156 594 руб.
30005400900179800-221-84
146 111 руб.
30005400900179800-221-84
146 111 руб.
30005400900179800-221-84
146 111 руб.
30005400900179800-221-84
137 564 руб.
30005400900179800-221-84
137 564 руб.
30005400900179800-221-84
137 564 руб.
30005400900179800-221-84
114 882 руб.
30005400900179800-221-84
114 882 руб.
30005400900179800-221-84
114 882 руб.
27005100900169300-221-84
145 360 руб.
27005100900169300-221-84
145 360 руб.
27005100900169300-221-84
145 360 руб.
27005100900169300-221-84
132 667 руб.
27005100900169300-221-84
132 667 руб.
27005100900169300-221-84
132 667 руб.
27005100900169300-221-84
107 520 руб.
27005100900169300-221-84
107 520 руб.
27005100900169300-221-84
107 520 руб.
27005100900169300-221-84
98 915 руб.
27005100900169300-221-84
98 915 руб.
27005100900169300-221-84
98 915 руб.
21004500800119500-221-84
103 901 руб.
21004500800119500-221-84
103 901 руб.
21004500800119500-221-84
103 901 руб.
21004500800119500-221-84
96 304 руб.
21004500800119500-221-84
96 304 руб.
21004500800119500-221-84
96 304 руб.
21004500800119500-221-84
85 660 руб.
21004500800119500-221-84
85 660 руб.
21004500800119500-221-84
85 660 руб.
21004500800119500-221-84
73 668 руб.
21004500800119500-221-84
73 668 руб.
21004500800119500-221-84
73 668 руб.
21004500800119500-221-84
97 738 руб.
21004500800119500-221-84
97 738 руб.
21004500800119500-221-84
97 738 руб.
21004500800119500-221-84
89 692 руб.
21004500800119500-221-84
89 692 руб.
21004500800119500-221-84
89 692 руб.
21004500800119500-221-84
88 701 руб.
21004500800119500-221-84
81 790 руб.
21004500800119500-221-84
81 905 руб.
21004500800119500-221-84
71 238 руб.
21004500800119500-221-84
75 846 руб.
21004500800119500-221-84
75 846 руб.
1800420070089500-221-84
70 664 руб.
1800420070089500-221-84
70 664 руб.

ТД "Еврастрой" предлагает купить Балка фундаментная БФ 1 по выгодной цене. Наша компания осуществляет доставку продукции по всей территории России и странам СНГ.

В каталоге представлено около 170 тыс. позиций.

По наличию и ценам Мы можем проконсультировать Вас по телефону +7 (343) 300-90-87 или можете отправить запрос на почтовый ящик gbi@gbi22.ru.

Оплатить продукцию можно в рассрочку, для обсуждения вопросов оплаты так же можно обратиться к нашим менеджерам.

Продажа ЖБИ изделий производится с заводов в таких городах как:

  • Екатеринбург
  • Тюмень
  • Красноярск
  • Новосибирск
  • Иркутск
  • Ростов-на-дону
  • Нижний Новгород
  • Казань
  • Москва

Наши менеджеры помогут Вам подобрать оптимальное решения для ваших задач, сориентируют по наличию и ценам, расскажут про оптимальные варианты доставки и оплаты. Звоните +7 (343) 300-90-87

5 704 руб.
цена с НДС*
Наличие: нет
шт.
Перейти в корзину

Оформить заказ
Рассрочка
Рассказать друзьям: