Производство, продажа и
поставка ЖБИ по России и СНГ
Навигация
Код товара:
5 959 руб.
цена с НДС*

серия 0-221-84

Краткие характеристики
Длина, мм
4550
Ширина, мм
300
Высота, мм
300
Вес, кг
780

Все характеристики
Длина, мм
4550
Ширина, мм
300
Высота, мм
300
Вес, кг
780
Количество в квадратом метре, шт
0,73
Нормы погрузки на авто
25
Нормы погрузки ЖД
88
Ссылка на стандарт
https://disk.yandex.ru/d/t6dUx_wYkCAdeA
Расход стали, кг
20,3
Расход стали на 1м3 бетона, кг
65,06
Класс прочности
В15
Марка бетона
М200
Морозостойкость
F100-F200
Водонепроницаемость
W4-W6
Марка бетона по EN 206-1
C12/15
Геометрический объем
0,410
Объем бетона
0,31

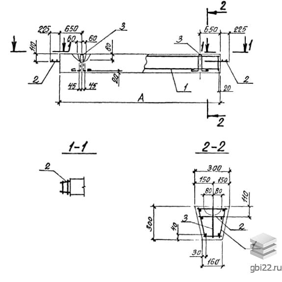
Фундаментные балки БФ 2 (0-221-84)

Фундаментные балки БФ 2 (0-221-84) представляют собой вытянутые прямоугольные изделия с трапециевидным поперечным сечением. В торцевых частях конструкции расположены выпуски арматуры, которые необходимы для соединения с соседними элементами. Эти выпуски являются частью плоского каркаса.

Основные характеристики

Длина: 4550 мм

Ширина: 300 мм

Высота: 300 мм

Вес: 780 кг

Марка бетона: М200

Применение

Эти высокопрочные железобетонные балки используются при возведении фундаментов под колонны в процессе строительства промышленных объектов. Рекомендуется опирать балки на верхний обрез фундамента, а также допускается укладка на конструкции самонесущих панелей или кирпичной кладки стен.

Особенности конструкции

Изделия специально разработаны для применения в крайних пролетах, в зонах температурных швов и для эксплуатации с блоками шириной 1 м. Балки устанавливаются на блоки-стаканы, проектирование которых осуществляется индивидуально в зависимости от требований типового проекта.

Расчет и маркировка

Расчет изделий выполнен с учетом рекомендаций СНиП II-6-74 и СНиП II-15-74, что обеспечивает прочность, надежность и долговечность конструкций для промышленных предприятий. Для упрощения поиска и сортировки готовых изделий разработаны маркировочные обозначения, которые содержат ключевые характеристики. Марки наносятся несмываемой краской, устойчивой к истиранию, перепадам температур и воздействию атмосферных осадков.

Расшифровка маркировки

БФ – тип конструкции (фундаментная балка);

2 – порядковый номер типоразмера элемента.

Материалы и армирование

В качестве основного материала для производства фундаментных балок БФ 2 (0-221-84) используется тяжелый бетон марки М200 по прочности на сжатие. В зависимости от условий типового проекта выбираются марки бетона по морозостойкости и водонепроницаемости, учитывая климатические и эксплуатационные условия.

Для армирования изделий применяются пространственные каркасы из стержневой горячекатаной стали класса AI и AII по ГОСТ 5781-82, а также высокопрочная проволока класса B-I по ГОСТ 6727-80. Для удобства погрузочно-разгрузочных и монтажных работ в теле элемента предусмотрены две строповочные петли из гладкой круглой стали класса AI диаметром 10 мм. Сварные элементы должны соответствовать строительным нормам СН 393-78, а все металлические части проходят антикоррозионную обработку в соответствии с требованиями СНиП II-28-73.

Контроль качества

Контрольные испытания проводятся по методам, изложенным в ГОСТ 13015-75. Не допускается наличие дефектов на поверхностях и несоответствие геометрических пропорций, указанных в рабочих чертежах Серии 0-221-84. В паспорте качества, который поставляется с продукцией, должны быть отражены результаты контрольных проверок.

Укладка и транспортировка

Укладка фундаментных балок БФ 2 (0-221-84) осуществляется в горизонтальные штабеля в рассортированном по маркировочным обозначениям состоянии. Выступающие части конструкций должны быть защищены от механических повреждений. Подкладочный изолирующий материал следует размещать вблизи строповочных петель, при этом высота прокладок должна превышать величину петель. Количество рядов в штабеле согласовывается с условиями техники безопасности в строительстве (СНиП III-4-80).

Транспортировка элементов должна осуществляться в жестко зафиксированном состоянии. Погрузку и разгрузку необходимо производить с использованием траверс, которые обеспечивают проектное положение конструкций и равномерное распределение нагрузок.

Стандарт
серия
Номер стандарта
0-221-84
Статус
не действует
Год выпущенного стандарта
1984
Название стандарта
Унифицированные сборные фундаменты под колонны промышленных зданий.
Название Длина, ммШирина, ммВысота, ммВес, кгНомер стандарта Цена
388030045014101.110.1-1п
12 976 руб.
285040030086027Н-83
6 449 руб.
285040030086027Н-83
6 449 руб.
285040030086027Н-83
5 806 руб.
285040030086027Н-83
5 806 руб.
119604006005700КЭ 01-53
59 319 руб.
119603004003200КЭ 01-53
23 242 руб.
102004006004900КЭ 01-53
46 148 руб.
107004006005100КЭ 01-53
48 075 руб.
102003004002800КЭ 01-53
19 398 руб.
107003004002900КЭ 01-53
20 085 руб.
44505204001420КЭ 01-23
13 272 руб.
49505204001600КЭ 01-23
14 799 руб.
44505204001420КЭ 01-23
11 084 руб.
49505204001600КЭ 01-23
12 380 руб.
44505204001420КЭ 01-23
10 162 руб.
49505204001600КЭ 01-23
11 343 руб.
44504004001130КЭ 01-23
9 622 руб.
49504004001250КЭ 01-23
10 640 руб.
44504004001130КЭ 01-23
8 701 руб.
49504004001250КЭ 01-23
9 603 руб.
44504004001130КЭ 01-23
8 240 руб.
49504004001250КЭ 01-23
9 143 руб.
44503004001030КЭ 01-23
7 546 руб.
49503004001180КЭ 01-23
8 587 руб.
44503004001030КЭ 01-23
7 085 руб.
49503004001180КЭ 01-23
8 011 руб.
59503004501740КЭ 01-15
11 647 руб.
59504004502440КЭ 01-15
21 002 руб.
59504004502440КЭ 01-15
17 431 руб.
59503004501675КЭ 01-15
17 566 руб.
59503004501740КЭ 01-15
14 643 руб.
50503004501480КЭ 01-15
20 004 руб.
59504004502300КЭ 01-15
23 578 руб.
50503004501480КЭ 01-15
10 674 руб.
50504004502080КЭ 01-15
22 837 руб.
50504004502080КЭ 01-15
14 889 руб.
53503004501560КЭ 01-15
19 345 руб.
53503004501560КЭ 01-15
10 130 руб.
53504004502180КЭ 01-15
28 147 руб.
53504004502180КЭ 01-15
14 785 руб.
53504004502180КЭ 01-15
23 309 руб.
53503004501560КЭ 01-15
11 282 руб.
53504004502180КЭ 01-15
31 833 руб.
59504004502440КЭ 01-15
19 735 руб.
53504004502180КЭ 01-15
16 282 руб.
53503004501560КЭ 01-15
14 959 руб.
53503004501560КЭ 01-15
10 006 руб.
53504004502180КЭ 01-15
20 947 руб.
53503004501560КЭ 01-15
15 765 руб.
Полный каталог
Название Длина, ммШирина, ммВысота, ммВес, кгНомер стандарта Цена
30005400900179800-221-84
156 594 руб.
30005400900179800-221-84
156 594 руб.
30005400900179800-221-84
156 594 руб.
30005400900179800-221-84
146 111 руб.
30005400900179800-221-84
146 111 руб.
30005400900179800-221-84
146 111 руб.
30005400900179800-221-84
137 564 руб.
30005400900179800-221-84
137 564 руб.
30005400900179800-221-84
137 564 руб.
30005400900179800-221-84
114 882 руб.
30005400900179800-221-84
114 882 руб.
30005400900179800-221-84
114 882 руб.
27005100900169300-221-84
145 360 руб.
27005100900169300-221-84
145 360 руб.
27005100900169300-221-84
145 360 руб.
27005100900169300-221-84
132 667 руб.
27005100900169300-221-84
132 667 руб.
27005100900169300-221-84
132 667 руб.
27005100900169300-221-84
107 520 руб.
27005100900169300-221-84
107 520 руб.
27005100900169300-221-84
107 520 руб.
27005100900169300-221-84
98 915 руб.
27005100900169300-221-84
98 915 руб.
27005100900169300-221-84
98 915 руб.
21004500800119500-221-84
103 901 руб.
21004500800119500-221-84
103 901 руб.
21004500800119500-221-84
103 901 руб.
21004500800119500-221-84
96 304 руб.
21004500800119500-221-84
96 304 руб.
21004500800119500-221-84
96 304 руб.
21004500800119500-221-84
85 660 руб.
21004500800119500-221-84
85 660 руб.
21004500800119500-221-84
85 660 руб.
21004500800119500-221-84
73 668 руб.
21004500800119500-221-84
73 668 руб.
21004500800119500-221-84
73 668 руб.
21004500800119500-221-84
97 738 руб.
21004500800119500-221-84
97 738 руб.
21004500800119500-221-84
97 738 руб.
21004500800119500-221-84
89 692 руб.
21004500800119500-221-84
89 692 руб.
21004500800119500-221-84
89 692 руб.
21004500800119500-221-84
88 701 руб.
21004500800119500-221-84
81 790 руб.
21004500800119500-221-84
81 905 руб.
21004500800119500-221-84
71 238 руб.
21004500800119500-221-84
75 846 руб.
21004500800119500-221-84
75 846 руб.
1800420070089500-221-84
70 664 руб.
1800420070089500-221-84
70 664 руб.

ТД "Еврастрой" предлагает купить Балка фундаментная БФ 2 по выгодной цене. Наша компания осуществляет доставку продукции по всей территории России и странам СНГ.

В каталоге представлено около 170 тыс. позиций.

По наличию и ценам Мы можем проконсультировать Вас по телефону +7 (343) 300-90-87 или можете отправить запрос на почтовый ящик gbi@gbi22.ru.

Оплатить продукцию можно в рассрочку, для обсуждения вопросов оплаты так же можно обратиться к нашим менеджерам.

Продажа ЖБИ изделий производится с заводов в таких городах как:

  • Екатеринбург
  • Тюмень
  • Красноярск
  • Новосибирск
  • Иркутск
  • Ростов-на-дону
  • Нижний Новгород
  • Казань
  • Москва

Наши менеджеры помогут Вам подобрать оптимальное решения для ваших задач, сориентируют по наличию и ценам, расскажут про оптимальные варианты доставки и оплаты. Звоните +7 (343) 300-90-87

5 959 руб.
цена с НДС*
Наличие: нет
шт.
Перейти в корзину

Оформить заказ
Рассрочка
Рассказать друзьям: