В вашей корзине ещё нет товаров.
|
|||||||||
| Количество в квадратом метре, шт | 1,00 | ||||||||
| Нормы погрузки на авто | 153 | ||||||||
| Нормы погрузки ЖД | 408 | ||||||||
| Ссылка на стандарт | https://disk.yandex.ru/d/leca7OOba4DPqw | ||||||||
| Расход стали, кг | 12,18 |
| Расход стали на 1м3 бетона, кг | 234,23 |
| Класс прочности | В15 |
| Марка бетона | М200 |
| Морозостойкость | F100-F200 |
| Водонепроницаемость | W4-W6 |
| Марка бетона по EN 206-1 | C12/15 |
| Геометрический объем | 0,080 |
| Объем бетона | 0,05 |
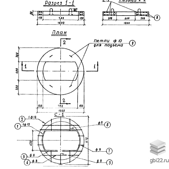
Плиты перекрытия П 10-40 – это прочные железобетонные конструкции, предназначенные для обустройства смотровых и технических колодцев. Они обеспечивают безопасность эксплуатации подземных коммуникаций, предотвращают попадание мусора и несанкционированный доступ.
Изделия имеют стандартное обозначение, включающее:
Дополнительно на поверхность наносят данные о партии, дате изготовления и производителе в соответствии с требованиями Альбома 819.
Плиты производятся с отверстием под люк, которое может располагаться:
Чугунная крышка устанавливается заподлицо с покрытием, что исключает помехи для транспорта и пешеходов.
Изготовление осуществляется методом вибропрессования с применением:
Готовая продукция выдерживается на складе в течение 7 суток для набора прочности.
При складировании и перевозке соблюдают требования ГОСТ 8020-90:
Погрузочно-разгрузочные работы выполняются аккуратно, без сбрасывания изделий.
| Стандарт | альбом |
| Номер стандарта | 819 |
| Статус | не определен |
| Год выпущенного стандарта | 1971 |
| Название стандарта | Альбом водоотводных устройств на железных и автомобильных дорогах общей сети Союза ССР |
| Название | Длина, мм | Ширина, мм | Высота, мм | Вес, кг | Номер стандарта | Цена | |
|---|---|---|---|---|---|---|---|
| 960 | 960 | 150 | 130 | 8020-90 |
2 043 руб. |
||
| 2200 | 2200 | 160 | 1250 | 8020-90 |
7 979 руб. |
||
| 2200 | 2200 | 160 | 1250 | 8020-90 |
7 161 руб. |
||
| 1160 | 1160 | 120 | 225 | 8020-90 |
2 363 руб. |
||
| 1680 | 1680 | 150 | 680 | 8020-90 |
7 514 руб. |
||
| 1680 | 1680 | 150 | 680 | 8020-90 |
7 538 руб. |
||
| 1160 | 1680 | 150 | 250 | 8020-90 |
3 417 руб. |
||
| 1160 | 1680 | 150 | 250 | 8020-90 |
3 781 руб. |
||
| 1000 | 1000 | 170 | 335 | 8020-90 |
3 650 руб. |
||
| 2200 | 2200 | 160 | 1280 | 8020-90 |
14 887 руб. |
||
| 2200 | 2200 | 160 | 1280 | 8020-90 |
11 661 руб. |
||
| 1680 | 1680 | 150 | 680 | 8020-90 |
6 867 руб. |
||
| 1680 | 1680 | 150 | 680 | 8020-90 |
6 612 руб. |
||
| 1160 | 1160 | 150 | 250 | 8020-90 |
3 078 руб. |
||
| 1160 | 1160 | 150 | 250 | 8020-90 |
2 125 руб. |
||
| 1900 | 310 | 170 | 250 | 905-7 |
2 505 руб. |
||
| 1900 | 310 | 170 | 250 | 905-7 |
2 494 руб. |
||
| 1900 | 310 | 170 | 250 | 905-7 |
2 194 руб. |
||
| 2600 | 1100 | 220 | 1360 | 905-7 |
14 035 руб. |
||
| 2600 | 1100 | 220 | 1360 | 905-7 |
13 344 руб. |
||
| 1900 | 1100 | 170 | 720 | 905-7 |
8 122 руб. |
||
| 1900 | 1100 | 170 | 720 | 905-7 |
7 811 руб. |
||
| 1900 | 1100 | 170 | 720 | 905-7 |
8 295 руб. |
||
| 1900 | 1100 | 170 | 720 | 905-7 |
7 972 руб. |
||
| 1900 | 1100 | 170 | 720 | 905-7 |
7 661 руб. |
||
| 1900 | 1100 | 170 | 720 | 905-7 |
7 661 руб. |
||
| 2250 | 2250 | 170 | 1360 | 905-7 |
14 703 руб. |
||
| 2250 | 2250 | 170 | 1360 | 905-7 |
14 058 руб. |
||
| 1700 | 1700 | 144 | 670 | 905-7 |
8 105 руб. |
||
| 1700 | 1700 | 144 | 670 | 905-7 |
7 471 руб. |
||
| 1160 | 1160 | 144 | 250 | 905-7 |
3 496 руб. |
||
| 2400 | 500 | 180 | 556 | 902-9-1 |
7 022 руб. |
||
| 2400 | 500 | 180 | 547 | 902-9-1 |
5 834 руб. |
||
| 2400 | 1500 | 220 | 1795 | 902-9-1 |
21 950 руб. |
||
| 2400 | 1500 | 220 | 1811 | 902-9-1 |
20 107 руб. |
||
| 2200 | 2200 | 150 | 1300 | 902-9-1 |
14 993 руб. |
||
| 1800 | 500 | 160 | 368 | 902-9-1 |
4 355 руб. |
||
| 1800 | 500 | 160 | 364 | 902-9-1 |
3 795 руб. |
||
| 1800 | 1500 | 180 | 1094 | 902-9-1 |
15 621 руб. |
||
| 1800 | 1500 | 180 | 1055 | 902-9-1 |
11 269 руб. |
||
| 1680 | 1680 | 150 | 525 | 902-9-1 |
7 913 руб. |
||
| 1400 | 500 | 120 | 214 | 902-9-1 |
2 409 руб. |
||
| 1400 | 500 | 120 | 212 | 902-9-1 |
2 187 руб. |
||
| 1400 | 1500 | 160 | 726 | 902-9-1 |
11 233 руб. |
||
| 1400 | 1500 | 160 | 726 | 902-9-1 |
7 917 руб. |
||
| 1410 | 1410 | 150 | 325 | 902-9-1 |
4 527 руб. |
||
| 1680 | 1680 | 150 | 680 | 902-2-356 |
4 009 руб. |
||
| 1300 | 1300 | 120 | 275 | 902-09-46.88 |
4 510 руб. |
||
| 1160 | 1160 | 120 | 225 | 902-09-46.88 |
3 801 руб. |
||
| 1000 | 1000 | 120 | 148 | 902-09-46.88 |
2 724 руб. |
| Название | Длина, мм | Ширина, мм | Высота, мм | Вес, кг | Номер стандарта | Цена | |
|---|---|---|---|---|---|---|---|
| 880 | 500 | 100 | 93 | 819 |
1 173 руб. |
||
| 800 | 510 | 250 | 212 | 819 |
1 075 руб. |
||
| 1000 | 620 | 120 | 157 | 819 |
1 097 руб. |
||
| 850 | 490 | 80 | 77 | 819 |
890 руб. |
||
| 1200 | 1200 | 80 | 163 | 819 |
2 352 руб. |
||
| 1000 | 600 | 60 | 79 | 819 |
1 106 руб. |
||
| 1000 | 400 | 60 | 53 | 819 |
767 руб. |
||
| 1000 | 1000 | 60 | 132 | 819 |
768 руб. |
||
| 1050 | 690 | 80 | 135 | 819 |
645 руб. |
||
| 2000 | 800 | 1150 | 1660 | 819 |
13 534 руб. |
||
| 1000 | 800 | 1150 | 830 | 819 |
6 721 руб. |
||
| 2000 | 740 | 870 | 1100 | 819 |
8 884 руб. |
||
| 1000 | 740 | 870 | 580 | 819 |
4 535 руб. |
||
| 2000 | 680 | 590 | 700 | 819 |
5 651 руб. |
||
| 1000 | 680 | 590 | 350 | 819 |
2 801 руб. |
||
| 1000 | 1300 | 400 | 333 | 819 |
2 813 руб. |
||
| 2950 | 1120 | 560 | 730 | 819 |
5 549 руб. |
||
| 2950 | 920 | 460 | 600 | 819 |
4 597 руб. |
||
| 840 | 840 | 894 | 350 | 819 |
2 258 руб. |
||
| 1160 | 1160 | 894 | 575 | 819 |
3 395 руб. |
||
| 1200 | 1200 | 80 | 225 | 819 |
2 116 руб. |
||
| 900 | 900 | 80 | 125 | 819 |
1 029 руб. |
||
| 490 | 490 | 80 | 42 | 819 |
696 руб. |
||
| 1000 | 450 | 180 | 190 | 819 |
897 руб. |
||
| 1000 | 500 | 200 | 239 | 819 |
1 284 руб. |
||
| 540 | 520 | 250 | 53 | 819 |
1 265 руб. |
||
| 500 | 375 | 220 | 91 | 819 |
1 079 руб. |
||
| 500 | 375 | 200 | 82 | 819 |
976 руб. |
||
| 500 | 250 | 200 | 55 | 819 |
669 руб. |
||
| 1500 | 888 | 400 | 313 | 819 |
2 954 руб. |
||
| 1000 | 750 | 220 | 390 | 819 |
2 009 руб. |
||
| 1000 | 750 | 200 | 355 | 819 |
1 841 руб. |
ТД "Еврастрой" предлагает купить Плиты перекрытия колодцев П 10-40 по выгодной цене. Наша компания осуществляет доставку продукции по всей территории России и странам СНГ.
В каталоге представлено около 170 тыс. позиций.
По наличию и ценам Мы можем проконсультировать Вас по телефону +7 (343) 300-90-87 или можете отправить запрос на почтовый ящик gbi@gbi22.ru.
Оплатить продукцию можно в рассрочку, для обсуждения вопросов оплаты так же можно обратиться к нашим менеджерам.
Продажа ЖБИ изделий производится с заводов в таких городах как:
Наши менеджеры помогут Вам подобрать оптимальное решения для ваших задач, сориентируют по наличию и ценам, расскажут про оптимальные варианты доставки и оплаты. Звоните +7 (343) 300-90-87
