Производство, продажа и
поставка ЖБИ по России и СНГ
Навигация
Код товара:
45 478 руб.
цена с НДС*
Цена за 1м3, руб
25 378 с НДС*

ИНВ 12981тм-т1

Краткие характеристики
Длина, мм
2400
Ширина, мм
2400
Высота, мм
3200
Вес, кг
4480

Все характеристики
Длина, мм
2400
Ширина, мм
2400
Высота, мм
3200
Вес, кг
4480
Количество в квадратом метре, шт
0,17
Нормы погрузки на авто
4
Нормы погрузки ЖД
5
Ссылка на стандарт
https://disk.yandex.ru/d/tu11y2xHMeoxZw
Расход стали, кг
136,3
Расход стали на 1м3 бетона, кг
76,06
Класс прочности
В25
Марка бетона
М350
Морозостойкость
F200-F300
Водонепроницаемость
W8-W10
Марка бетона по EN 206-1
C20/25
Геометрический объем
18,432
Объем бетона
1,79

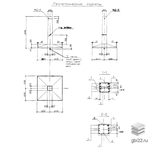
Фундамент АФ 5 (ИНВ 12981тм-т1)

Фундамент АФ 5 (ИНВ 12981тм-т1) представляет собой высокопрочный специализированный строительный элемент. Он состоит из двух частей:

Первая часть – плита основания прямоугольной формы с трапециевидным поперечным сечением.

Вторая часть – вытянутая прямоугольная стойка, расположенная в центре плиты основания.

Эти унифицированные фундаменты применяются для установки оттяжек опор высоковольтных линий 500 кВ. Они стали популярными благодаря своим конструктивным особенностям, которые делают их экономически выгодными.

Преимущества конструкции

Фундаменты позволяют увеличить срок службы узлов оттяжек, так как они поднимаются над землей, что снижает негативное воздействие атмосферных осадков и грунтовых вод. Это также облегчает мониторинг коррозионного износа узла и выполнение необходимых защитных мероприятий.

Допустимые параметры заглубления

Фундаменты могут быть заглублены на 2,5 и 3 метра. При проектировании учитывались требования и рекомендации Серии 3.407-115.

Маркировка и расшифровка

Маркировка АФ 5 (ИНВ 12981тм-т1) имеет следующую расшифровку:

А – буквенный индекс, указывающий на принадлежность к нормативному документу ИНВ 12981тм;

Ф – тип конструкции, обозначающий анкерный фундамент;

5 – порядковый номер типоразмера изделия.

Буквенный индекс «А» в конце маркировки указывает на использование конструкции под анкерно-угловые опоры. Корректировать маркировку не допускается.

Производственные особенности

Подробное описание процесса производства фундаментов АФ 5 (ИНВ 12981тм-т1) можно найти в нормативном документе ИНВ 12981тм, где указаны требования к материалам и рабочие чертежи конструкций. Основным сырьем для изготовления является бетон класса В25.

Физико-химические характеристики

Показатели, такие как водонепроницаемость и морозостойкость, подбираются индивидуально в зависимости от климатических условий региона строительства. Конструкции армируются сварными сетками и отдельными стержнями, для чего используется сталь класса AIII марки 35ГС и AI марок СТ3сп и СТ3пс.

Дополнительные детали

Закладная деталь в верхней части фундамента изготавливается из полосовой стали марки С255. Приварка осуществляется электродами марки 346А. Для упрощения подъема и монтажа в конструкции предусмотрена строповочная петля из гладкой стали класса AI диаметром 20 мм.

Защита и контроль качества

Металлические элементы должны быть защищены специальными противокоррозионными составами для продления их срока службы. После достижения отпускной прочности необходимо провести контрольные испытания, результаты которых фиксируются в документации, предоставляемой заказчику.

Транспортировка и укладка

Складирование и транспортировка фундаментов АФ 5 (ИНВ 12981тм-т1) должны осуществляться с соблюдением правил техники безопасности и требований СНиП III-B.3-62. Укладка производится по специальным схемам, чтобы избежать механических повреждений. Для погрузочно-разгрузочных работ следует использовать специализированную технику с захватными механизмами.

Основные характеристики

Длина: 2400 мм

Ширина: 2400 мм

Высота: 3200 мм

Вес: 4480 кг

Марка бетона: М350

Стандарт
ИНВ
Номер стандарта
12981тм-т1
Статус
не определен
Год выпущенного стандарта
2002
Название стандарта
Разработка анкерующих устройств для оттяжек опор ВЛ 500 кВ с узлом крепления над поверхностью грунта (замена анкерных плит и U-образных болтов на специальные анкерные фундаменты).
Название Длина, ммШирина, ммВысота, ммВес, кгНомер стандарта Цена
450027003200700012981тм-т1
65 132 руб.
350027003200600012981тм-т1
55 498 руб.
270027003200560012981тм-т1
44 067 руб.
180018003200300012981тм-т1
26 781 руб.
Полный каталог
Название Длина, ммШирина, ммВысота, ммВес, кгНомер стандарта Цена
450027003200700012981тм-т1
65 132 руб.
350027003200600012981тм-т1
55 498 руб.
270027003200560012981тм-т1
44 067 руб.
180018003200300012981тм-т1
26 781 руб.

ТД "Еврастрой" предлагает купить Фундаменты анкерные АФ 5 по выгодной цене. Наша компания осуществляет доставку продукции по всей территории России и странам СНГ.

В каталоге представлено около 170 тыс. позиций.

По наличию и ценам Мы можем проконсультировать Вас по телефону +7 (343) 300-90-87 или можете отправить запрос на почтовый ящик gbi@gbi22.ru.

Оплатить продукцию можно в рассрочку, для обсуждения вопросов оплаты так же можно обратиться к нашим менеджерам.

Продажа ЖБИ изделий производится с заводов в таких городах как:

  • Екатеринбург
  • Тюмень
  • Красноярск
  • Новосибирск
  • Иркутск
  • Ростов-на-дону
  • Нижний Новгород
  • Казань
  • Москва

Наши менеджеры помогут Вам подобрать оптимальное решения для ваших задач, сориентируют по наличию и ценам, расскажут про оптимальные варианты доставки и оплаты. Звоните +7 (343) 300-90-87

45 478 руб.
цена с НДС*
Наличие: нет
шт.
Перейти в корзину

Оформить заказ
Рассрочка
Рассказать друзьям: