В вашей корзине ещё нет товаров.
| Цена за 1м3, руб | 20 294 с НДС* |
|
|||||||||
| Количество в квадратом метре, шт | 0,20 | ||||||||
| Нормы погрузки на авто | СПЕЦАВТО | ||||||||
| Нормы погрузки ЖД | СПЕЦВАГОН | ||||||||
| Ссылка на стандарт | https://disk.yandex.ru/d/Dk-hw94aUlJ8ew | ||||||||
| Расход стали, кг | 125,3 |
| Расход стали на 1м3 бетона, кг | 72,85 |
| Класс прочности | В25 |
| Марка бетона | М350 |
| Морозостойкость | F200-F300 |
| Водонепроницаемость | W8-W10 |
| Марка бетона по EN 206-1 | C20/25 |
| Геометрический объем | 1,715 |
| Объем бетона | 1,72 |
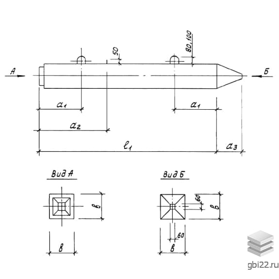
Составные нижние сваи С 140-35 Нсв4 – это железобетонные элементы, используемые для создания фундаментных конструкций. Маркировка изделия расшифровывается следующим образом:
С – тип конструкции (свая);
140 – длина в миллиметрах;
35 – поперечное сечение в миллиметрах;
Н – нижняя секция;
св – со сварным стыком;
4 – группа армирования.
Длина: 14000 мм
Ширина: 350 мм
Высота: 350 мм
Вес: 4300 кг
Марка бетона: М350
Составные сваи С 140-35 Нсв4 предназначены для строительства свайных фундаментов различных конструкций, включая железобетонные здания и опоры ЛЭП. Их оптимально устанавливать на вечномерзлотных, песчаных и глинистых грунтах, так как они устойчивы к морозному пучению и высокому уровню грунтовых вод.
Изделие представляет собой прямоугольный стержень с заостренным концом для облегчения забивки в грунт. Нижняя секция соединяется с верхней сваркой, что обеспечивает прочность соединения. Сварной стык не является слабым местом, так как сваи располагаются вертикально друг над другом, что позволяет сохранить опорное давление даже при разрушении стальных элементов.
Составные сваи могут использоваться в любых климатических условиях России, включая регионы с сейсмической активностью до 9 баллов по шкале Рихтера.
Сваи С 140-35 Нсв4 изготавливаются методом вибропрессования с контролем качества и лабораторной проверкой прочностных характеристик. Используются бетоны класса прочности В25 с морозостойкостью от F150 до F600 и водонепроницаемостью не ниже W6.
Сваи транспортируются автомобильным, железнодорожным и речным транспортом. Для предотвращения повреждений изделия фиксируются стальной проволокой и прокладываются деревянными досками. Складирование осуществляется штабелями на складах с соблюдением техники безопасности.
| Стандарт | серия |
| Номер стандарта | 1.011.1-10 |
| Статус | не определен |
| Год выпущенного стандарта | 1989 |
| Название стандарта | Сваи забивные железобетонные. |
| Название | Длина, мм | Ширина, мм | Высота, мм | Вес, кг | Номер стандарта | Цена | |
|---|---|---|---|---|---|---|---|
| 8000 | 400 | 400 | 3200 | 1.011.1-7 |
24 842 руб. |
||
| 8000 | 400 | 400 | 3200 | 1.011.1-7 |
25 556 руб. |
||
| 8000 | 350 | 350 | 2500 | 1.011.1-7 |
19 809 руб. |
||
| 8000 | 350 | 350 | 2500 | 1.011.1-7 |
20 730 руб. |
||
| 8000 | 300 | 300 | 1800 | 1.011.1-7 |
15 145 руб. |
||
| 8000 | 300 | 300 | 1800 | 1.011.1-7 |
16 124 руб. |
||
| 14000 | 400 | 400 | 5600 | 1.011.1-7 |
46 770 руб. |
||
| 14000 | 400 | 400 | 5600 | 1.011.1-7 |
47 450 руб. |
||
| 12000 | 400 | 400 | 4800 | 1.011.1-7 |
38 616 руб. |
||
| 12000 | 400 | 400 | 4800 | 1.011.1-7 |
39 330 руб. |
||
| 12000 | 350 | 350 | 3700 | 1.011.1-7 |
30 071 руб. |
||
| 12000 | 350 | 350 | 3700 | 1.011.1-7 |
30 025 руб. |
||
| 12000 | 300 | 300 | 2700 | 1.011.1-7 |
23 218 руб. |
||
| 12000 | 300 | 300 | 2700 | 1.011.1-7 |
24 174 руб. |
||
| 8000 | 400 | 400 | 3250 | 1.011.1-10 |
28 628 руб. |
||
| 8000 | 400 | 400 | 3200 | 1.011.1-10 |
22 584 руб. |
||
| 8000 | 400 | 400 | 3200 | 1.011.1-10 |
25 222 руб. |
||
| 8000 | 350 | 350 | 2480 | 1.011.1-10 |
24 283 руб. |
||
| 8000 | 350 | 350 | 2480 | 1.011.1-10 |
18 488 руб. |
||
| 8000 | 350 | 350 | 2500 | 1.011.1-10 |
19 943 руб. |
||
| 8000 | 300 | 300 | 1820 | 1.011.1-10 |
20 599 руб. |
||
| 8000 | 300 | 300 | 1820 | 1.011.1-10 |
14 793 руб. |
||
| 8000 | 300 | 300 | 1800 | 1.011.1-10 |
15 251 руб. |
||
| 14000 | 400 | 400 | 5650 | 1.011.1-10 |
49 063 руб. |
||
| 14000 | 400 | 400 | 5600 | 1.011.1-10 |
45 830 руб. |
||
| 14000 | 400 | 400 | 5600 | 1.011.1-10 |
47 270 руб. |
||
| 14000 | 350 | 350 | 4300 | 1.011.1-10 |
40 573 руб. |
||
| 14000 | 350 | 350 | 4300 | 1.011.1-10 |
36 277 руб. |
||
| 12000 | 400 | 400 | 4850 | 1.011.1-10 |
42 098 руб. |
||
| 12000 | 400 | 400 | 4800 | 1.011.1-10 |
36 975 руб. |
||
| 12000 | 400 | 400 | 4800 | 1.011.1-10 |
39 083 руб. |
||
| 12000 | 350 | 350 | 3700 | 1.011.1-10 |
35 125 руб. |
||
| 12000 | 350 | 350 | 3700 | 1.011.1-10 |
28 213 руб. |
||
| 12000 | 350 | 350 | 3700 | 1.011.1-10 |
29 584 руб. |
||
| 12000 | 300 | 300 | 2720 | 1.011.1-10 |
29 837 руб. |
||
| 12000 | 300 | 300 | 2720 | 1.011.1-10 |
22 926 руб. |
||
| 12000 | 300 | 300 | 2700 | 1.011.1-10 |
23 372 руб. |
| Название | Длина, мм | Ширина, мм | Высота, мм | Вес, кг | Номер стандарта | Цена | |
|---|---|---|---|---|---|---|---|
| 6000 | 150 | 150 | 340 | 1.011.1-10 |
3 721 руб. |
||
| 5000 | 150 | 150 | 280 | 1.011.1-10 |
3 051 руб. |
||
| 4500 | 150 | 150 | 250 | 1.011.1-10 |
2 727 руб. |
||
| 4000 | 150 | 150 | 220 | 1.011.1-10 |
2 438 руб. |
||
| 3000 | 150 | 150 | 160 | 1.011.1-10 |
1 872 руб. |
||
| 9000 | 300 | 300 | 2050 | 1.011.1-10 |
11 787 руб. |
||
| 9000 | 300 | 300 | 2050 | 1.011.1-10 |
11 880 руб. |
||
| 9000 | 300 | 300 | 2050 | 1.011.1-10 |
11 822 руб. |
||
| 9000 | 300 | 300 | 2050 | 1.011.1-10 |
11 891 руб. |
||
| 9000 | 300 | 300 | 2050 | 1.011.1-10 |
12 283 руб. |
||
| 9000 | 300 | 300 | 2050 | 1.011.1-10 |
12 732 руб. |
||
| 9000 | 300 | 300 | 2050 | 1.011.1-10 |
11 891 руб. |
||
| 9000 | 300 | 300 | 2050 | 1.011.1-10 |
12 283 руб. |
||
| 9000 | 300 | 300 | 2050 | 1.011.1-10 |
12 732 руб. |
||
| 8000 | 300 | 300 | 1830 | 1.011.1-10 |
10 233 руб. |
||
| 8000 | 300 | 300 | 1830 | 1.011.1-10 |
10 314 руб. |
||
| 8000 | 300 | 300 | 1830 | 1.011.1-10 |
10 371 руб. |
||
| 8000 | 300 | 300 | 1830 | 1.011.1-10 |
10 394 руб. |
||
| 8000 | 300 | 300 | 1830 | 1.011.1-10 |
10 705 руб. |
||
| 8000 | 300 | 300 | 1830 | 1.011.1-10 |
11 051 руб. |
||
| 8000 | 300 | 300 | 1830 | 1.011.1-10 |
10 394 руб. |
||
| 8000 | 300 | 300 | 1830 | 1.011.1-10 |
10 705 руб. |
||
| 8000 | 300 | 300 | 1830 | 1.011.1-10 |
11 051 руб. |
||
| 7000 | 300 | 300 | 1600 | 1.011.1-10 |
9 057 руб. |
||
| 7000 | 300 | 300 | 1600 | 1.011.1-10 |
9 127 руб. |
||
| 7000 | 300 | 300 | 1600 | 1.011.1-10 |
9 184 руб. |
||
| 7000 | 300 | 300 | 1600 | 1.011.1-10 |
8 977 руб. |
||
| 7000 | 300 | 300 | 1600 | 1.011.1-10 |
9 196 руб. |
||
| 7000 | 300 | 300 | 1600 | 1.011.1-10 |
9 772 руб. |
||
| 7000 | 300 | 300 | 1600 | 1.011.1-10 |
8 977 руб. |
||
| 7000 | 300 | 300 | 1600 | 1.011.1-10 |
9 196 руб. |
||
| 7000 | 300 | 300 | 1600 | 1.011.1-10 |
9 772 руб. |
||
| 6000 | 300 | 300 | 1380 | 1.011.1-10 |
7 849 руб. |
||
| 6000 | 300 | 300 | 1380 | 1.011.1-10 |
7 906 руб. |
||
| 6000 | 300 | 300 | 1380 | 1.011.1-10 |
7 745 руб. |
||
| 6000 | 300 | 300 | 1380 | 1.011.1-10 |
7 780 руб. |
||
| 6000 | 300 | 300 | 1380 | 1.011.1-10 |
7 964 руб. |
||
| 6000 | 300 | 300 | 1380 | 1.011.1-10 |
8 194 руб. |
||
| 6000 | 300 | 300 | 1380 | 1.011.1-10 |
7 780 руб. |
||
| 6000 | 300 | 300 | 1380 | 1.011.1-10 |
7 964 руб. |
||
| 6000 | 300 | 300 | 1380 | 1.011.1-10 |
8 194 руб. |
||
| 6000 | 250 | 250 | 950 | 1.011.1-10 |
5 467 руб. |
||
| 6000 | 250 | 250 | 950 | 1.011.1-10 |
5 433 руб. |
||
| 6000 | 250 | 250 | 950 | 1.011.1-10 |
5 491 руб. |
||
| 6000 | 250 | 250 | 950 | 1.011.1-10 |
5 629 руб. |
||
| 6000 | 250 | 250 | 950 | 1.011.1-10 |
5 813 руб. |
||
| 6000 | 250 | 250 | 950 | 1.011.1-10 |
5 813 руб. |
||
| 6000 | 250 | 250 | 950 | 1.011.1-10 |
5 629 руб. |
||
| 6000 | 250 | 250 | 950 | 1.011.1-10 |
5 813 руб. |
||
| 6000 | 250 | 250 | 950 | 1.011.1-10 |
5 813 руб. |
ТД "Еврастрой" предлагает купить Сваи составные нижние С 140-35 Нсв4 по выгодной цене. Наша компания осуществляет доставку продукции по всей территории России и странам СНГ.
В каталоге представлено около 170 тыс. позиций.
По наличию и ценам Мы можем проконсультировать Вас по телефону +7 (343) 300-90-87 или можете отправить запрос на почтовый ящик gbi@gbi22.ru.
Оплатить продукцию можно в рассрочку, для обсуждения вопросов оплаты так же можно обратиться к нашим менеджерам.
Продажа ЖБИ изделий производится с заводов в таких городах как:
Наши менеджеры помогут Вам подобрать оптимальное решения для ваших задач, сориентируют по наличию и ценам, расскажут про оптимальные варианты доставки и оплаты. Звоните +7 (343) 300-90-87
