В вашей корзине ещё нет товаров.
|
|||||||||
| Количество в квадратом метре, шт | 0,17 | ||||||||
| Нормы погрузки на авто | 20 | ||||||||
| Нормы погрузки ЖД | 36 | ||||||||
| Ссылка на стандарт | https://disk.yandex.ru/d/gi6a7HGVQm5pig | ||||||||
| Расход стали, кг | 20,44 |
| Расход стали на 1м3 бетона, кг | 68,13 |
| Класс прочности | В22,5 |
| Марка бетона | М300 |
| Морозостойкость | F150-F300 |
| Водонепроницаемость | W6-W8 |
| Марка бетона по EN 206-1 | C18/22 |
| Геометрический объем | 0,996 |
| Объем бетона | 0,30 |
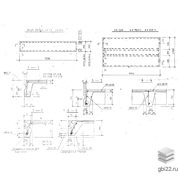
Ребристые панели БК 104 – стандартизированные железобетонные изделия прямоугольной формы с П-образным сечением. В зависимости от модификации могут оснащаться дополнительными продольными рёбрами жесткости.
Обозначение БК 104 (Альбом ВИ 37-76) расшифровывается следующим образом:
Дополнительные символы в маркировке могут обозначать конструктивные особенности. Изменять обозначения запрещено.
Габариты и вес:
Материалы и производство:
Изготовление осуществляется в стальных формах с использованием тяжелого бетона марки М300. Параметры морозостойкости и водонепроницаемости подбираются индивидуально для каждого проекта.
Армирование:
Каркасы производятся из стальных стержней классов ATV, AIV, AI (ГОСТ 5781-82) и проволоки В1 (ГОСТ 6727-53). Соединение элементов выполняется точечной сваркой.
Панели используются в гражданском и промышленном строительстве для:
Перевозка и складирование требуют соблюдения мер безопасности. Погрузка выполняется специализированной техникой с равномерным распределением нагрузки.
Подробные технические требования содержатся в Альбоме ВИ 37-76.
| Стандарт | альбом |
| Номер стандарта | ВИ 37-76 |
| Статус | действует |
| Год выпущенного стандарта | 1976 |
| Название стандарта | Панели перекрытий и кровли. Унифицированные арматурные изделия. |
| Название | Длина, мм | Ширина, мм | Высота, мм | Вес, кг | Номер стандарта | Цена | |
|---|---|---|---|---|---|---|---|
| 5970 | 2980 | 170 | 1965 | ВИ 37-76 |
19 278 руб. |
||
| 5970 | 2980 | 170 | 1965 | ВИ 37-76 |
21 948 руб. |
||
| 5970 | 2980 | 170 | 1965 | ВИ 37-76 |
17 226 руб. |
||
| 5920 | 1190 | 170 | 855 | ВИ 37-76 |
8 015 руб. |
||
| 5920 | 1190 | 170 | 855 | ВИ 37-76 |
6 751 руб. |
||
| 5920 | 990 | 170 | 750 | ВИ 37-76 |
7 022 руб. |
| Название | Длина, мм | Ширина, мм | Высота, мм | Вес, кг | Номер стандарта | Цена | |
|---|---|---|---|---|---|---|---|
| 4000 | 1190 | 160 | 1810 | ВИ 37-76 |
11 197 руб. |
||
| 4000 | 990 | 160 | 1580 | ВИ 37-76 |
9 771 руб. |
||
| 1600 | 1190 | 100 | 480 | ВИ 37-76 |
2 850 руб. |
||
| 8960 | 1180 | 400 | 3080 | ВИ 37-76 |
25 076 руб. |
||
| 8960 | 1480 | 400 | 3430 | ВИ 37-76 |
27 971 руб. |
||
| 8960 | 1480 | 400 | 3480 | ВИ 37-76 |
27 813 руб. |
||
| 5860 | 1980 | 220 | 2170 | ВИ 37-76 |
16 788 руб. |
||
| 5860 | 1190 | 220 | 1210 | ВИ 37-76 |
9 566 руб. |
||
| 5860 | 990 | 220 | 1010 | ВИ 37-76 |
8 375 руб. |
||
| 5860 | 990 | 220 | 1080 | ВИ 37-76 |
8 800 руб. |
||
| 5970 | 2980 | 170 | 1965 | ВИ 37-76 |
19 278 руб. |
||
| 5970 | 2980 | 170 | 1965 | ВИ 37-76 |
21 948 руб. |
||
| 5970 | 2980 | 170 | 1965 | ВИ 37-76 |
17 226 руб. |
||
| 5920 | 1190 | 170 | 855 | ВИ 37-76 |
8 015 руб. |
||
| 5920 | 1190 | 170 | 855 | ВИ 37-76 |
6 751 руб. |
||
| 5920 | 990 | 170 | 750 | ВИ 37-76 |
7 022 руб. |
ТД "Еврастрой" предлагает купить Панели кровли ребристые БК 104 по выгодной цене. Наша компания осуществляет доставку продукции по всей территории России и странам СНГ.
В каталоге представлено около 170 тыс. позиций.
По наличию и ценам Мы можем проконсультировать Вас по телефону +7 (343) 300-90-87 или можете отправить запрос на почтовый ящик gbi@gbi22.ru.
Оплатить продукцию можно в рассрочку, для обсуждения вопросов оплаты так же можно обратиться к нашим менеджерам.
Продажа ЖБИ изделий производится с заводов в таких городах как:
Наши менеджеры помогут Вам подобрать оптимальное решения для ваших задач, сориентируют по наличию и ценам, расскажут про оптимальные варианты доставки и оплаты. Звоните +7 (343) 300-90-87
