Производство, продажа и
поставка ЖБИ по России и СНГ
Навигация
Код товара:
7 022 руб.
цена с НДС*

альбом ВИ 37-76

Краткие характеристики
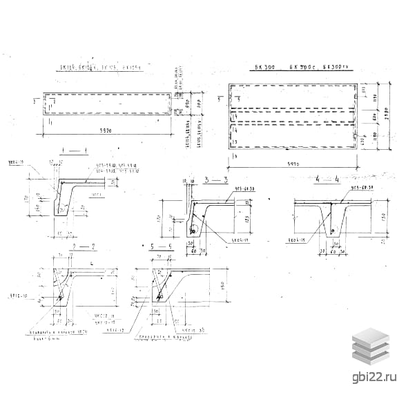
Длина, мм
5920
Ширина, мм
990
Высота, мм
170
Вес, кг
750

Все характеристики
Длина, мм
5920
Ширина, мм
990
Высота, мм
170
Вес, кг
750
Количество в квадратом метре, шт
0,17
Нормы погрузки на авто
20
Нормы погрузки ЖД
36
Ссылка на стандарт
https://disk.yandex.ru/d/gi6a7HGVQm5pig
Расход стали, кг
30,22
Расход стали на 1м3 бетона, кг
100,73
Класс прочности
В22,5
Марка бетона
М300
Морозостойкость
F150-F300
Водонепроницаемость
W6-W8
Марка бетона по EN 206-1
C18/22
Геометрический объем
0,996
Объем бетона
0,30

Ребристые кровельные панели БК 104 у (Альбом ВИ 37-76)

Маркировка изделий:

  • БК – ребристая кровельная панель;
  • 104 – типоразмер, обозначающий ширину в сантиметрах;
  • Альбом ВИ 37-76 – нормативный документ, регламентирующий производство.

Дополнительные буквенные индексы в маркировке указывают на конструктивные особенности. Изменять обозначения запрещено.

Основные характеристики

Ребристые панели БК 104 у – это прямоугольные железобетонные конструкции с П-образным сечением. Некоторые модели оснащены продольными ребрами жесткости.

Применение:

Используются в гражданском и промышленном строительстве в качестве несущих элементов кровельных перекрытий. Отличаются повышенной прочностью, долговечностью и устойчивостью к снеговым нагрузкам.

Производство:

Изготавливаются в стальных опалубках по нормам Альбома ВИ 37-76. Основной материал – тяжелый бетон марки М300 с индивидуальными показателями морозостойкости и водонепроницаемости.

Армирование и защита

Каркас выполняется из стальных стержней классов ATV, AIV и AI (ГОСТ 5781-82) и проволоки В1 (ГОСТ 6727-53). Соединение элементов – точечная сварка. Закладные детали производятся из проката Вст3кп2.

Для защиты от коррозии металлические компоненты обрабатываются специальными составами, а также соблюдается толщина защитного бетонного слоя.

Контроль качества и транспортировка

Перед отгрузкой каждая партия проходит испытания на соответствие физико-механическим параметрам. Перевозка и складирование осуществляются с соблюдением мер безопасности с применением спецтехники.

Технические параметры

  • Длина: 5920 мм
  • Ширина: 990 мм
  • Высота: 170 мм
  • Вес: 750 кг
  • Марка бетона: М300
Стандарт
альбом
Номер стандарта
ВИ 37-76
Статус
действует
Год выпущенного стандарта
1976
Название стандарта
Панели перекрытий и кровли. Унифицированные арматурные изделия.
Полный каталог
Название Длина, ммШирина, ммВысота, ммВес, кгНомер стандарта Цена
400011901601810ВИ 37-76
11 197 руб.
40009901601580ВИ 37-76
9 771 руб.
16001190100480ВИ 37-76
2 850 руб.
896011804003080ВИ 37-76
25 076 руб.
896014804003430ВИ 37-76
27 971 руб.
896014804003480ВИ 37-76
27 813 руб.
586019802202170ВИ 37-76
16 788 руб.
586011902201210ВИ 37-76
9 566 руб.
58609902201010ВИ 37-76
8 375 руб.
58609902201080ВИ 37-76
8 800 руб.
597029801701965ВИ 37-76
19 278 руб.
597029801701965ВИ 37-76
21 948 руб.
597029801701965ВИ 37-76
17 226 руб.
59201190170855ВИ 37-76
8 015 руб.
59201190170855ВИ 37-76
6 751 руб.
5920990170750ВИ 37-76
5 895 руб.

ТД "Еврастрой" предлагает купить Панели кровли ребристые БК 104 у по выгодной цене. Наша компания осуществляет доставку продукции по всей территории России и странам СНГ.

В каталоге представлено около 170 тыс. позиций.

По наличию и ценам Мы можем проконсультировать Вас по телефону +7 (343) 300-90-87 или можете отправить запрос на почтовый ящик gbi@gbi22.ru.

Оплатить продукцию можно в рассрочку, для обсуждения вопросов оплаты так же можно обратиться к нашим менеджерам.

Продажа ЖБИ изделий производится с заводов в таких городах как:

  • Екатеринбург
  • Тюмень
  • Красноярск
  • Новосибирск
  • Иркутск
  • Ростов-на-дону
  • Нижний Новгород
  • Казань
  • Москва

Наши менеджеры помогут Вам подобрать оптимальное решения для ваших задач, сориентируют по наличию и ценам, расскажут про оптимальные варианты доставки и оплаты. Звоните +7 (343) 300-90-87

7 022 руб.
цена с НДС*
Наличие: нет
шт.
Перейти в корзину

Оформить заказ
Рассрочка
Рассказать друзьям: