В вашей корзине ещё нет товаров.
|
|||||||||
| Количество в квадратом метре, шт | 0,14 | ||||||||
| Нормы погрузки на авто | 10 | ||||||||
| Нормы погрузки ЖД | 36 | ||||||||
| Ссылка на стандарт | https://disk.yandex.ru/d/gi6a7HGVQm5pig | ||||||||
| Расход стали, кг | 23,56 |
| Расход стали на 1м3 бетона, кг | 68,89 |
| Класс прочности | В22,5 |
| Марка бетона | М300 |
| Морозостойкость | F150-F300 |
| Водонепроницаемость | W6-W8 |
| Марка бетона по EN 206-1 | C18/22 |
| Геометрический объем | 1,198 |
| Объем бетона | 0,34 |
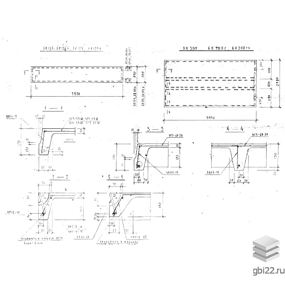
Маркировка изделий:
Дополнительные обозначения могут указывать на конструктивные особенности. Изменять маркировку запрещено. Допускается нанесение данных о массе, дате изготовления и отметок ОТК.
Ребристые панели БК 105 – унифицированные железобетонные конструкции с П-образным сечением. В зависимости от модификации могут иметь дополнительные продольные рёбра жёсткости.
Область применения:
Изделия служат основным несущим элементом кровельных перекрытий, отличаются повышенной прочностью и долговечностью. Рассчитаны на значительные снеговые и ветровые нагрузки. Производство регламентировано СНиП II-2.1-60.
Панели изготавливаются в стальных опалубках для соблюдения точных геометрических параметров. Основной материал – тяжёлый бетон марки М300. Показатели морозостойкости и водонепроницаемости подбираются индивидуально для каждого проекта.
Армирование выполняется стальными каркасами из стержней классов ATV, AIV, AI (ГОСТ 5781-82) и проволоки В1 (ГОСТ 6727-53). Соединение элементов – контактная точечная сварка. Закладные детали производятся из проката Вст3кп2 с антикоррозионной обработкой.
Готовая продукция проходит обязательные приёмочные испытания. Складирование и перевозка осуществляются с соблюдением мер безопасности с применением спецтехники. Погрузка – только специализированными захватами для равномерного распределения нагрузки.
| Стандарт | альбом |
| Номер стандарта | ВИ 37-76 |
| Статус | действует |
| Год выпущенного стандарта | 1976 |
| Название стандарта | Панели перекрытий и кровли. Унифицированные арматурные изделия. |
| Название | Длина, мм | Ширина, мм | Высота, мм | Вес, кг | Номер стандарта | Цена | |
|---|---|---|---|---|---|---|---|
| 5970 | 2980 | 170 | 1965 | ВИ 37-76 |
19 278 руб. |
||
| 5970 | 2980 | 170 | 1965 | ВИ 37-76 |
21 948 руб. |
||
| 5970 | 2980 | 170 | 1965 | ВИ 37-76 |
17 226 руб. |
||
| 5920 | 1190 | 170 | 855 | ВИ 37-76 |
8 015 руб. |
||
| 5920 | 990 | 170 | 750 | ВИ 37-76 |
7 022 руб. |
||
| 5920 | 990 | 170 | 750 | ВИ 37-76 |
5 895 руб. |
| Название | Длина, мм | Ширина, мм | Высота, мм | Вес, кг | Номер стандарта | Цена | |
|---|---|---|---|---|---|---|---|
| 4000 | 1190 | 160 | 1810 | ВИ 37-76 |
11 197 руб. |
||
| 4000 | 990 | 160 | 1580 | ВИ 37-76 |
9 771 руб. |
||
| 1600 | 1190 | 100 | 480 | ВИ 37-76 |
2 850 руб. |
||
| 8960 | 1180 | 400 | 3080 | ВИ 37-76 |
25 076 руб. |
||
| 8960 | 1480 | 400 | 3430 | ВИ 37-76 |
27 971 руб. |
||
| 8960 | 1480 | 400 | 3480 | ВИ 37-76 |
27 813 руб. |
||
| 5860 | 1980 | 220 | 2170 | ВИ 37-76 |
16 788 руб. |
||
| 5860 | 1190 | 220 | 1210 | ВИ 37-76 |
9 566 руб. |
||
| 5860 | 990 | 220 | 1010 | ВИ 37-76 |
8 375 руб. |
||
| 5860 | 990 | 220 | 1080 | ВИ 37-76 |
8 800 руб. |
||
| 5970 | 2980 | 170 | 1965 | ВИ 37-76 |
19 278 руб. |
||
| 5970 | 2980 | 170 | 1965 | ВИ 37-76 |
21 948 руб. |
||
| 5970 | 2980 | 170 | 1965 | ВИ 37-76 |
17 226 руб. |
||
| 5920 | 1190 | 170 | 855 | ВИ 37-76 |
8 015 руб. |
||
| 5920 | 990 | 170 | 750 | ВИ 37-76 |
7 022 руб. |
||
| 5920 | 990 | 170 | 750 | ВИ 37-76 |
5 895 руб. |
ТД "Еврастрой" предлагает купить Панели кровли ребристые БК 105 по выгодной цене. Наша компания осуществляет доставку продукции по всей территории России и странам СНГ.
В каталоге представлено около 170 тыс. позиций.
По наличию и ценам Мы можем проконсультировать Вас по телефону +7 (343) 300-90-87 или можете отправить запрос на почтовый ящик gbi@gbi22.ru.
Оплатить продукцию можно в рассрочку, для обсуждения вопросов оплаты так же можно обратиться к нашим менеджерам.
Продажа ЖБИ изделий производится с заводов в таких городах как:
Наши менеджеры помогут Вам подобрать оптимальное решения для ваших задач, сориентируют по наличию и ценам, расскажут про оптимальные варианты доставки и оплаты. Звоните +7 (343) 300-90-87
