В вашей корзине ещё нет товаров.
| Цена за 1м3, руб | 20 227 с НДС* |
|
|||||||||
| Количество в квадратом метре, шт | 1,11 | ||||||||
| Нормы погрузки на авто | 1 | ||||||||
| Нормы погрузки ЖД | 6 | ||||||||
| Ссылка на стандарт | https://disk.yandex.ru/d/t6dUx_wYkCAdeA | ||||||||
| Расход стали, кг | 293,98 |
| Расход стали на 1м3 бетона, кг | 73,13 |
| Класс прочности | В22,5 |
| Марка бетона | М300 |
| Морозостойкость | F150-F300 |
| Водонепроницаемость | W6-W8 |
| Марка бетона по EN 206-1 | C18/22 |
| Геометрический объем | 5,391 |
| Объем бетона | 4,02 |
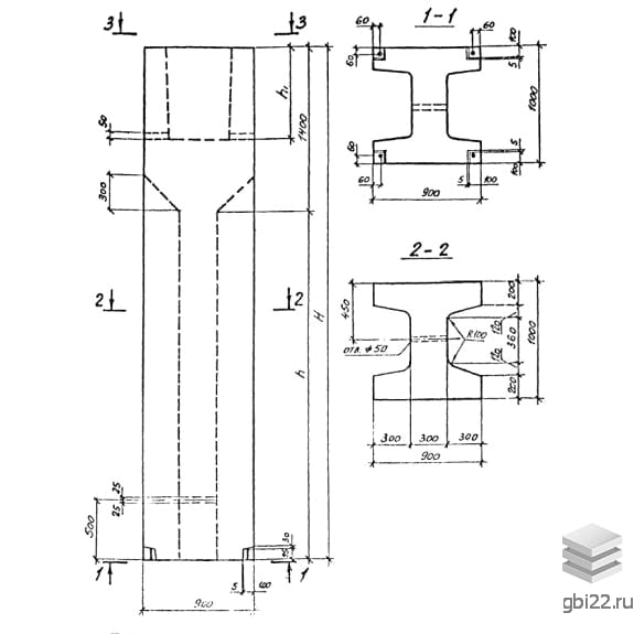
Блоки-стаканы верхние ВБ 9-10-60-3 – это прямоугольные изделия с двутавровым поперечным сечением, предназначенные для установки колонн. В верхней части конструкций предусмотрено отверстие для последующей установки колонны.
ВБ – тип конструкции (блок-стакан верхний);
9 – длина в сантиметрах;
10 – ширина в сантиметрах;
60 – высота в сантиметрах;
3 – типоразмер сечения колонны, заделываемой в стакан.
При наличии буквы «с» в маркировке изделие предназначено для опирания стальных колонн, а буква «к» указывает на наличие консолей для опирания ригелей и фундаментных балок.
Длина: 900 мм
Ширина: 1000 мм
Высота: 5990 мм
Вес: 10050 кг
Марка бетона: М300
Унифицированные блоки-стаканы верхние активно используются в современном строительстве для возведения промышленных и общественных зданий. Они служат фундаментами под колонны в сочетании с другими железобетонными конструкциями, запроектированными в Серии 0-221-84.
Эти изделия отличаются высокой устойчивостью к агрессивным условиям, надежностью и длительным сроком службы. Прочные элементы позволяют использовать конструкции в качестве опор для ригелей и сборно-монолитных перекрытий. Они предназначены для эксплуатации в грунтах с расчетным давлением 0,7 МПа (7 кгс/см?) и спроектированы для обычных инженерно-геологических условий.
Изготовление блоков-стаканов ВБ 9-10-60-3 осуществляется по стендовой технологии с использованием тяжелого бетона марки М300. Для производства бетона применяются естественные заполнители из твердых горных пород. Водонепроницаемость и морозостойкость бетона подбираются индивидуально для каждого проекта.
Армирование конструкций выполняется из горячекатаной стали классов AI и AIII по ГОСТ 5781-82, с использованием пространственных каркасов, состоящих из сеток и отдельных стержней. В условиях агрессивной среды с грунтовыми водами рекомендуется обеспечить защиту от коррозии согласно СНиП II-28-73.
После достижения отпускной прочности блоки проходят контрольные испытания, включая оценку прочности и проверку качества бетонных поверхностей. Наличие дефектов недопустимо, и конструкции, прошедшие приемо-сдаточные испытания, получают соответствующую документацию.
Складирование и транспортировка блоков-стаканов должны осуществляться в горизонтальном положении, с использованием деревянных подкладок, размещаемых на расстоянии 500 мм от торцов. При укладке на боковую сторону подкладки размещаются на расстоянии 1000 мм от торцов. Важно избегать механических повреждений изделий, подъем конструкций следует производить с помощью траверс и захватов за два отверстия на боковых гранях.
| Стандарт | серия |
| Номер стандарта | 0-221-84 |
| Статус | не действует |
| Год выпущенного стандарта | 1984 |
| Название стандарта | Унифицированные сборные фундаменты под колонны промышленных зданий. |
| Название | Длина, мм | Ширина, мм | Высота, мм | Вес, кг | Номер стандарта | Цена | |
|---|---|---|---|---|---|---|---|
| 900 | 1400 | 5990 | 12300 | 0-221-84 |
99 308 руб. |
||
| 900 | 1400 | 5990 | 12300 | 0-221-84 |
99 308 руб. |
||
| 900 | 1400 | 5690 | 11740 | 0-221-84 |
95 021 руб. |
||
| 900 | 1400 | 5690 | 11740 | 0-221-84 |
95 021 руб. |
||
| 900 | 1400 | 5390 | 11200 | 0-221-84 |
90 841 руб. |
||
| 900 | 1400 | 5390 | 11200 | 0-221-84 |
90 841 руб. |
||
| 900 | 1400 | 5090 | 10640 | 0-221-84 |
86 554 руб. |
||
| 900 | 1400 | 5090 | 10640 | 0-221-84 |
86 554 руб. |
||
| 900 | 1400 | 4790 | 10070 | 0-221-84 |
82 220 руб. |
||
| 900 | 1400 | 4790 | 10070 | 0-221-84 |
82 220 руб. |
||
| 900 | 1400 | 4490 | 9540 | 0-221-84 |
78 064 руб. |
||
| 900 | 1400 | 4490 | 9540 | 0-221-84 |
78 064 руб. |
||
| 900 | 1400 | 4190 | 8970 | 0-221-84 |
73 728 руб. |
||
| 900 | 1400 | 4190 | 8970 | 0-221-84 |
73 728 руб. |
||
| 900 | 1400 | 3890 | 8410 | 0-221-84 |
69 432 руб. |
||
| 900 | 1400 | 3890 | 8410 | 0-221-84 |
69 432 руб. |
||
| 900 | 1400 | 3590 | 7850 | 0-221-84 |
65 134 руб. |
||
| 900 | 1400 | 3590 | 7850 | 0-221-84 |
65 134 руб. |
||
| 900 | 1400 | 3290 | 7310 | 0-221-84 |
60 953 руб. |
||
| 900 | 1400 | 3290 | 7310 | 0-221-84 |
60 953 руб. |
||
| 900 | 1400 | 2990 | 6750 | 0-221-84 |
54 628 руб. |
||
| 900 | 1400 | 2990 | 6750 | 0-221-84 |
54 628 руб. |
||
| 900 | 1400 | 2690 | 6190 | 0-221-84 |
50 549 руб. |
||
| 900 | 1400 | 2690 | 6190 | 0-221-84 |
50 549 руб. |
||
| 900 | 1400 | 2390 | 5650 | 0-221-84 |
46 553 руб. |
||
| 900 | 1400 | 2390 | 5650 | 0-221-84 |
46 553 руб. |
||
| 900 | 1400 | 2090 | 5090 | 0-221-84 |
42 462 руб. |
||
| 900 | 1400 | 2090 | 5090 | 0-221-84 |
42 462 руб. |
||
| 900 | 1400 | 1790 | 4520 | 0-221-84 |
38 347 руб. |
||
| 900 | 1400 | 1790 | 4520 | 0-221-84 |
38 347 руб. |
||
| 900 | 1200 | 5990 | 11220 | 0-221-84 |
89 878 руб. |
||
| 900 | 1200 | 5990 | 11220 | 0-221-84 |
89 878 руб. |
||
| 900 | 1200 | 5990 | 11220 | 0-221-84 |
89 878 руб. |
||
| 900 | 1200 | 5690 | 10710 | 0-221-84 |
86 000 руб. |
||
| 900 | 1200 | 5690 | 10710 | 0-221-84 |
86 000 руб. |
||
| 900 | 1200 | 5690 | 10710 | 0-221-84 |
86 000 руб. |
||
| 900 | 1200 | 5390 | 10200 | 0-221-84 |
82 157 руб. |
||
| 900 | 1200 | 5390 | 10200 | 0-221-84 |
82 157 руб. |
||
| 900 | 1200 | 5390 | 10200 | 0-221-84 |
82 157 руб. |
||
| 900 | 1200 | 5090 | 9710 | 0-221-84 |
78 431 руб. |
||
| 900 | 1200 | 5090 | 9710 | 0-221-84 |
78 431 руб. |
||
| 900 | 1200 | 5090 | 9710 | 0-221-84 |
78 431 руб. |
||
| 900 | 1200 | 4790 | 9200 | 0-221-84 |
74 473 руб. |
||
| 900 | 1200 | 4790 | 9200 | 0-221-84 |
74 473 руб. |
||
| 900 | 1200 | 4790 | 9200 | 0-221-84 |
74 473 руб. |
||
| 900 | 1200 | 4490 | 8690 | 0-221-84 |
70 607 руб. |
||
| 900 | 1200 | 4490 | 8690 | 0-221-84 |
70 607 руб. |
||
| 900 | 1200 | 4490 | 8690 | 0-221-84 |
70 607 руб. |
||
| 900 | 1200 | 4190 | 8170 | 0-221-84 |
66 682 руб. |
||
| 900 | 1200 | 4190 | 8170 | 0-221-84 |
66 682 руб. |
| Название | Длина, мм | Ширина, мм | Высота, мм | Вес, кг | Номер стандарта | Цена | |
|---|---|---|---|---|---|---|---|
| 3000 | 5400 | 900 | 17980 | 0-221-84 |
156 594 руб. |
||
| 3000 | 5400 | 900 | 17980 | 0-221-84 |
156 594 руб. |
||
| 3000 | 5400 | 900 | 17980 | 0-221-84 |
156 594 руб. |
||
| 3000 | 5400 | 900 | 17980 | 0-221-84 |
146 111 руб. |
||
| 3000 | 5400 | 900 | 17980 | 0-221-84 |
146 111 руб. |
||
| 3000 | 5400 | 900 | 17980 | 0-221-84 |
146 111 руб. |
||
| 3000 | 5400 | 900 | 17980 | 0-221-84 |
137 564 руб. |
||
| 3000 | 5400 | 900 | 17980 | 0-221-84 |
137 564 руб. |
||
| 3000 | 5400 | 900 | 17980 | 0-221-84 |
137 564 руб. |
||
| 3000 | 5400 | 900 | 17980 | 0-221-84 |
114 882 руб. |
||
| 3000 | 5400 | 900 | 17980 | 0-221-84 |
114 882 руб. |
||
| 3000 | 5400 | 900 | 17980 | 0-221-84 |
114 882 руб. |
||
| 2700 | 5100 | 900 | 16930 | 0-221-84 |
145 360 руб. |
||
| 2700 | 5100 | 900 | 16930 | 0-221-84 |
145 360 руб. |
||
| 2700 | 5100 | 900 | 16930 | 0-221-84 |
145 360 руб. |
||
| 2700 | 5100 | 900 | 16930 | 0-221-84 |
132 667 руб. |
||
| 2700 | 5100 | 900 | 16930 | 0-221-84 |
132 667 руб. |
||
| 2700 | 5100 | 900 | 16930 | 0-221-84 |
132 667 руб. |
||
| 2700 | 5100 | 900 | 16930 | 0-221-84 |
107 520 руб. |
||
| 2700 | 5100 | 900 | 16930 | 0-221-84 |
107 520 руб. |
||
| 2700 | 5100 | 900 | 16930 | 0-221-84 |
107 520 руб. |
||
| 2700 | 5100 | 900 | 16930 | 0-221-84 |
98 915 руб. |
||
| 2700 | 5100 | 900 | 16930 | 0-221-84 |
98 915 руб. |
||
| 2700 | 5100 | 900 | 16930 | 0-221-84 |
98 915 руб. |
||
| 2100 | 4500 | 800 | 11950 | 0-221-84 |
103 901 руб. |
||
| 2100 | 4500 | 800 | 11950 | 0-221-84 |
103 901 руб. |
||
| 2100 | 4500 | 800 | 11950 | 0-221-84 |
103 901 руб. |
||
| 2100 | 4500 | 800 | 11950 | 0-221-84 |
96 304 руб. |
||
| 2100 | 4500 | 800 | 11950 | 0-221-84 |
96 304 руб. |
||
| 2100 | 4500 | 800 | 11950 | 0-221-84 |
96 304 руб. |
||
| 2100 | 4500 | 800 | 11950 | 0-221-84 |
85 660 руб. |
||
| 2100 | 4500 | 800 | 11950 | 0-221-84 |
85 660 руб. |
||
| 2100 | 4500 | 800 | 11950 | 0-221-84 |
85 660 руб. |
||
| 2100 | 4500 | 800 | 11950 | 0-221-84 |
73 668 руб. |
||
| 2100 | 4500 | 800 | 11950 | 0-221-84 |
73 668 руб. |
||
| 2100 | 4500 | 800 | 11950 | 0-221-84 |
73 668 руб. |
||
| 2100 | 4500 | 800 | 11950 | 0-221-84 |
97 738 руб. |
||
| 2100 | 4500 | 800 | 11950 | 0-221-84 |
97 738 руб. |
||
| 2100 | 4500 | 800 | 11950 | 0-221-84 |
97 738 руб. |
||
| 2100 | 4500 | 800 | 11950 | 0-221-84 |
89 692 руб. |
||
| 2100 | 4500 | 800 | 11950 | 0-221-84 |
89 692 руб. |
||
| 2100 | 4500 | 800 | 11950 | 0-221-84 |
89 692 руб. |
||
| 2100 | 4500 | 800 | 11950 | 0-221-84 |
88 701 руб. |
||
| 2100 | 4500 | 800 | 11950 | 0-221-84 |
81 790 руб. |
||
| 2100 | 4500 | 800 | 11950 | 0-221-84 |
81 905 руб. |
||
| 2100 | 4500 | 800 | 11950 | 0-221-84 |
71 238 руб. |
||
| 2100 | 4500 | 800 | 11950 | 0-221-84 |
75 846 руб. |
||
| 2100 | 4500 | 800 | 11950 | 0-221-84 |
75 846 руб. |
||
| 1800 | 4200 | 700 | 8950 | 0-221-84 |
70 664 руб. |
||
| 1800 | 4200 | 700 | 8950 | 0-221-84 |
70 664 руб. |
ТД "Еврастрой" предлагает купить Верхний блок-стаканов ВБ 9-10-60-3 по выгодной цене. Наша компания осуществляет доставку продукции по всей территории России и странам СНГ.
В каталоге представлено около 170 тыс. позиций.
По наличию и ценам Мы можем проконсультировать Вас по телефону +7 (343) 300-90-87 или можете отправить запрос на почтовый ящик gbi@gbi22.ru.
Оплатить продукцию можно в рассрочку, для обсуждения вопросов оплаты так же можно обратиться к нашим менеджерам.
Продажа ЖБИ изделий производится с заводов в таких городах как:
Наши менеджеры помогут Вам подобрать оптимальное решения для ваших задач, сориентируют по наличию и ценам, расскажут про оптимальные варианты доставки и оплаты. Звоните +7 (343) 300-90-87
