В вашей корзине ещё нет товаров.
| Цена за 1м3, руб | 17 833 с НДС* |
|
|||||||||
| Количество в квадратом метре, шт | 0,24 | ||||||||
| Нормы погрузки на авто | 5 | ||||||||
| Нормы погрузки ЖД | 19 | ||||||||
| Ссылка на стандарт | https://disk.yandex.ru/d/z50mCUGgAn4_Tw | ||||||||
| Расход стали, кг | 75,8 |
| Расход стали на 1м3 бетона, кг | 52,35 |
| Класс прочности | В22,5 |
| Марка бетона | М300 |
| Морозостойкость | F150-F300 |
| Водонепроницаемость | W6-W8 |
| Марка бетона по EN 206-1 | C18/22 |
| Геометрический объем | 1,470 |
| Объем бетона | 1,45 |
Свая составная верхняя С 12-35 вк – это надежное железобетонное изделие прямоугольной формы. Оно является одним из двух компонентов конструкции (сваи). При соединении с другим элементом формируется изделие, напоминающее стержень. Основное назначение всех типов свай, включая составные, заключается в укреплении будущих зданий и сооружений, как жилого, так и промышленного назначения.
Изделие проникает в грунт своим острием, погружается в него и надежно фиксируется, что делает фундамент здания прочным и устойчивым. Сваи типа С 12-35 вк применяются в районах с мелкими и пылеватыми песками, тугопластичной и текучей глиной, илом и биогенными грунтами.
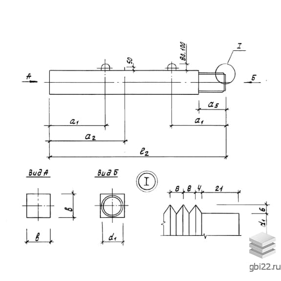
Составная свая маркируется в соответствии с установленными нормами. В первой подгруппе указывается тип изделия и длина, во второй - сторона сечения, в третьей - тип соединения звеньев сваи (стаканный или коробчатый). Расшифровка С 12-35 вк выглядит следующим образом:
Маркировочные надписи и символы рекомендуется наносить несмываемыми красящими веществами, устойчивыми к ультрафиолету, на боковые поверхности сваи на расстоянии 5 сантиметров от торца или на торце изделия.
Формирование составной верхней сваи С 12-35 вк должно происходить в соответствии со спецификацией и рабочими чертежами из Серии 1.011.1-7. Изделие изготавливается из тяжелого бетона марки по прочности на сжатие не менее М300. Параметры морозостойкости и водонепроницаемости бетонной массы определяются индивидуально и указываются в проекте.
Для повышения прочности и устойчивости к различным воздействиям применяется метод армирования бетона. В качестве продольных металлических звеньев используются горячекатаная сталь класса A-III. Поперечное армирование сваи состоит из спиралей, изготовленных из проволоки диаметром 5 мм класса Вр-I. Для петель применяется горячекатаная арматурная сталь класса A-I.
Поскольку использование свай происходит преимущественно в грунте, они должны быть защищены от коррозии. Защита стальных закладных деталей включает в себя последовательные действия: покрытие цинком, обмазка битумом и покрытие внешней части закладных слоем рубероида. Нижний конец верхнего звена на длине 260 мм изготавливается рифленым, высота зубца составляет 6 мм. Размер рифленого сечения должен превышать внутренний размер «короба» на 8 мм для обеспечения надежного соединения.
Качество готовой верхней составной сваи С 12-35 вк должно соответствовать специальному регламенту - ГОСТ 13015.3. Длинномерные изделия перевозят и хранят в рабочем положении (горизонтальном) рядами, при этом сваи укладываются так, чтобы все маркировки были видимыми. Для безопасности С 12-35 вк прокладывают специальным инвентарем, непосредственно около петель. Перевозка осуществляется преимущественно железнодорожным и автомобильным транспортом, загрузка в транспортное средство происходит с помощью монтажных петель.
Погрузку, транспортировку и разгрузку необходимо производить с осторожностью, соблюдая меры предосторожности: не допускать свободного падения свай, не перемещать конструкции по земле волоком.
Длина: 12000 мм
Ширина: 350 мм
Высота: 350 мм
Вес: 3620 кг
Марка бетона: М300
| Стандарт | серия |
| Номер стандарта | 1.011.1-7 |
| Статус | не действует |
| Год выпущенного стандарта | 1982 |
| Название стандарта | Сваи забивные железобетонные составные квадратного сечения. Рабочие чертежи. |
| Название | Длина, мм | Ширина, мм | Высота, мм | Вес, кг | Номер стандарта | Цена | |
|---|---|---|---|---|---|---|---|
| 9000 | 400 | 400 | 3550 | 1.011.1-7 |
24 282 руб. |
||
| 9000 | 400 | 400 | 3550 | 1.011.1-7 |
23 752 руб. |
||
| 9000 | 350 | 350 | 2700 | 1.011.1-7 |
18 403 руб. |
||
| 9000 | 350 | 350 | 2700 | 1.011.1-7 |
17 989 руб. |
||
| 8000 | 400 | 400 | 3150 | 1.011.1-7 |
20 459 руб. |
||
| 8000 | 400 | 400 | 3150 | 1.011.1-7 |
19 814 руб. |
||
| 8000 | 350 | 350 | 2400 | 1.011.1-7 |
16 468 руб. |
||
| 8000 | 350 | 350 | 2400 | 1.011.1-7 |
16 157 руб. |
||
| 8000 | 300 | 300 | 1780 | 1.011.1-7 |
13 011 руб. |
||
| 8000 | 300 | 300 | 1780 | 1.011.1-7 |
12 908 руб. |
||
| 7000 | 400 | 400 | 2750 | 1.011.1-7 |
17 937 руб. |
||
| 7000 | 400 | 400 | 2750 | 1.011.1-7 |
17 280 руб. |
||
| 7000 | 350 | 350 | 2100 | 1.011.1-7 |
14 419 руб. |
||
| 7000 | 350 | 350 | 2100 | 1.011.1-7 |
14 096 руб. |
||
| 7000 | 300 | 300 | 1550 | 1.011.1-7 |
11 592 руб. |
||
| 7000 | 300 | 300 | 1550 | 1.011.1-7 |
11 315 руб. |
||
| 6000 | 400 | 400 | 2350 | 1.011.1-7 |
15 530 руб. |
||
| 6000 | 400 | 400 | 2350 | 1.011.1-7 |
15 057 руб. |
||
| 6000 | 350 | 350 | 1800 | 1.011.1-7 |
12 484 руб. |
||
| 6000 | 350 | 350 | 1800 | 1.011.1-7 |
12 173 руб. |
||
| 6000 | 300 | 300 | 1330 | 1.011.1-7 |
9 965 руб. |
||
| 6000 | 300 | 300 | 1330 | 1.011.1-7 |
9 712 руб. |
||
| 5000 | 300 | 300 | 1100 | 1.011.1-7 |
8 384 руб. |
||
| 5000 | 300 | 300 | 1100 | 1.011.1-7 |
8 142 руб. |
||
| 4000 | 300 | 300 | 900 | 1.011.1-7 |
6 956 руб. |
||
| 4000 | 300 | 300 | 900 | 1.011.1-7 |
6 714 руб. |
||
| 14000 | 400 | 400 | 5550 | 1.011.1-7 |
42 733 руб. |
||
| 14000 | 400 | 400 | 5550 | 1.011.1-7 |
41 996 руб. |
||
| 13000 | 400 | 400 | 5150 | 1.011.1-7 |
37 170 руб. |
||
| 13000 | 400 | 400 | 5150 | 1.011.1-7 |
36 536 руб. |
||
| 12000 | 400 | 400 | 4750 | 1.011.1-7 |
34 463 руб. |
||
| 12000 | 400 | 400 | 4750 | 1.011.1-7 |
33 841 руб. |
||
| 12000 | 350 | 350 | 3620 | 1.011.1-7 |
24 336 руб. |
||
| 11000 | 400 | 400 | 4350 | 1.011.1-7 |
31 515 руб. |
||
| 11000 | 400 | 400 | 4350 | 1.011.1-7 |
30 893 руб. |
||
| 11000 | 350 | 350 | 3320 | 1.011.1-7 |
22 586 руб. |
||
| 11000 | 350 | 350 | 3320 | 1.011.1-7 |
23 761 руб. |
||
| 10000 | 400 | 400 | 3950 | 1.011.1-7 |
26 977 руб. |
||
| 10000 | 400 | 400 | 3950 | 1.011.1-7 |
26 332 руб. |
||
| 10000 | 350 | 350 | 3000 | 1.011.1-7 |
20 430 руб. |
||
| 10000 | 350 | 350 | 3000 | 1.011.1-7 |
20 131 руб. |
||
| 9000 | 400 | 400 | 3550 | 1.011.1-10 |
31 289 руб. |
||
| 9000 | 400 | 400 | 3600 | 1.011.1-10 |
26 366 руб. |
||
| 9000 | 400 | 400 | 3550 | 1.011.1-10 |
24 976 руб. |
||
| 9000 | 350 | 350 | 2700 | 1.011.1-10 |
26 424 руб. |
||
| 9000 | 350 | 350 | 2750 | 1.011.1-10 |
20 166 руб. |
||
| 9000 | 350 | 350 | 2700 | 1.011.1-10 |
18 695 руб. |
||
| 9000 | 300 | 300 | 2020 | 1.011.1-10 |
22 726 руб. |
||
| 9000 | 300 | 300 | 2020 | 1.011.1-10 |
16 229 руб. |
||
| 9000 | 300 | 300 | 2000 | 1.011.1-10 |
14 971 руб. |
| Название | Длина, мм | Ширина, мм | Высота, мм | Вес, кг | Номер стандарта | Цена | |
|---|---|---|---|---|---|---|---|
| 9000 | 400 | 400 | 3550 | 1.011.1-7 |
24 282 руб. |
||
| 9000 | 400 | 400 | 3550 | 1.011.1-7 |
23 752 руб. |
||
| 9000 | 350 | 350 | 2700 | 1.011.1-7 |
18 403 руб. |
||
| 9000 | 350 | 350 | 2700 | 1.011.1-7 |
17 989 руб. |
||
| 8000 | 400 | 400 | 3200 | 1.011.1-7 |
24 842 руб. |
||
| 8000 | 400 | 400 | 3200 | 1.011.1-7 |
25 556 руб. |
||
| 8000 | 400 | 400 | 3150 | 1.011.1-7 |
20 459 руб. |
||
| 8000 | 400 | 400 | 3150 | 1.011.1-7 |
19 814 руб. |
||
| 8000 | 350 | 350 | 2500 | 1.011.1-7 |
19 809 руб. |
||
| 8000 | 350 | 350 | 2500 | 1.011.1-7 |
20 730 руб. |
||
| 8000 | 350 | 350 | 2400 | 1.011.1-7 |
16 468 руб. |
||
| 8000 | 350 | 350 | 2400 | 1.011.1-7 |
16 157 руб. |
||
| 8000 | 300 | 300 | 1800 | 1.011.1-7 |
15 145 руб. |
||
| 8000 | 300 | 300 | 1800 | 1.011.1-7 |
16 124 руб. |
||
| 8000 | 300 | 300 | 1780 | 1.011.1-7 |
13 011 руб. |
||
| 8000 | 300 | 300 | 1780 | 1.011.1-7 |
12 908 руб. |
||
| 7000 | 400 | 400 | 2750 | 1.011.1-7 |
17 937 руб. |
||
| 7000 | 400 | 400 | 2750 | 1.011.1-7 |
17 280 руб. |
||
| 7000 | 350 | 350 | 2100 | 1.011.1-7 |
14 419 руб. |
||
| 7000 | 350 | 350 | 2100 | 1.011.1-7 |
14 096 руб. |
||
| 7000 | 300 | 300 | 1550 | 1.011.1-7 |
11 592 руб. |
||
| 7000 | 300 | 300 | 1550 | 1.011.1-7 |
11 315 руб. |
||
| 6000 | 400 | 400 | 2350 | 1.011.1-7 |
15 530 руб. |
||
| 6000 | 400 | 400 | 2350 | 1.011.1-7 |
15 057 руб. |
||
| 6000 | 350 | 350 | 1800 | 1.011.1-7 |
12 484 руб. |
||
| 6000 | 350 | 350 | 1800 | 1.011.1-7 |
12 173 руб. |
||
| 6000 | 300 | 300 | 1330 | 1.011.1-7 |
9 965 руб. |
||
| 6000 | 300 | 300 | 1330 | 1.011.1-7 |
9 712 руб. |
||
| 5000 | 300 | 300 | 1100 | 1.011.1-7 |
8 384 руб. |
||
| 5000 | 300 | 300 | 1100 | 1.011.1-7 |
8 142 руб. |
||
| 4000 | 300 | 300 | 900 | 1.011.1-7 |
6 956 руб. |
||
| 4000 | 300 | 300 | 900 | 1.011.1-7 |
6 714 руб. |
||
| 28000 | 400 | 400 | 11150 | 1.011.1-7 |
89 503 руб. |
||
| 28000 | 400 | 400 | 11150 | 1.011.1-7 |
89 446 руб. |
||
| 27000 | 400 | 400 | 10750 | 1.011.1-7 |
83 940 руб. |
||
| 27000 | 400 | 400 | 10750 | 1.011.1-7 |
83 986 руб. |
||
| 26000 | 400 | 400 | 10350 | 1.011.1-7 |
81 234 руб. |
||
| 26000 | 400 | 400 | 10350 | 1.011.1-7 |
81 291 руб. |
||
| 25000 | 400 | 400 | 9950 | 1.011.1-7 |
78 285 руб. |
||
| 25000 | 400 | 400 | 9950 | 1.011.1-7 |
78 343 руб. |
||
| 24000 | 400 | 400 | 9550 | 1.011.1-7 |
73 079 руб. |
||
| 24000 | 400 | 400 | 9550 | 1.011.1-7 |
73 172 руб. |
||
| 24000 | 350 | 350 | 7320 | 1.011.1-7 |
54 407 руб. |
||
| 24000 | 350 | 350 | 7320 | 1.011.1-7 |
55 847 руб. |
||
| 23000 | 400 | 400 | 9150 | 1.011.1-7 |
70 131 руб. |
||
| 23000 | 400 | 400 | 9150 | 1.011.1-7 |
70 223 руб. |
||
| 23000 | 350 | 350 | 7020 | 1.011.1-7 |
52 657 руб. |
||
| 23000 | 350 | 350 | 7020 | 1.011.1-7 |
53 785 руб. |
||
| 22000 | 400 | 400 | 8750 | 1.011.1-7 |
65 593 руб. |
||
| 22000 | 400 | 400 | 8750 | 1.011.1-7 |
65 662 руб. |
ТД "Еврастрой" предлагает купить Сваи составные верхние С 12-35 вк по выгодной цене. Наша компания осуществляет доставку продукции по всей территории России и странам СНГ.
В каталоге представлено около 170 тыс. позиций.
По наличию и ценам Мы можем проконсультировать Вас по телефону +7 (343) 300-90-87 или можете отправить запрос на почтовый ящик gbi@gbi22.ru.
Оплатить продукцию можно в рассрочку, для обсуждения вопросов оплаты так же можно обратиться к нашим менеджерам.
Продажа ЖБИ изделий производится с заводов в таких городах как:
Наши менеджеры помогут Вам подобрать оптимальное решения для ваших задач, сориентируют по наличию и ценам, расскажут про оптимальные варианты доставки и оплаты. Звоните +7 (343) 300-90-87
