В вашей корзине ещё нет товаров.
|
|||||||||
| Количество в квадратом метре, шт | 3,70 | ||||||||
| Нормы погрузки на авто | 9 | ||||||||
| Нормы погрузки ЖД | 32 | ||||||||
| Ссылка на стандарт | https://disk.yandex.ru/d/6TgiaBnxMd4cUQ | ||||||||
| Расход стали, кг | 116,2 |
| Расход стали на 1м3 бетона, кг | 138,33 |
| Класс прочности | В25 |
| Марка бетона | М350 |
| Морозостойкость | F200-F300 |
| Водонепроницаемость | W8-W10 |
| Марка бетона по EN 206-1 | C20/25 |
| Геометрический объем | 1,215 |
| Объем бетона | 0,84 |
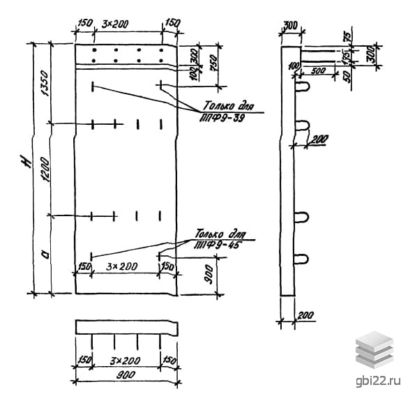
Фундаментные плиты ППФ 9-45 – это железобетонные конструкции прямоугольной формы, которые в поперечном сечении напоминают букву «Г». Основной особенностью этих изделий является наличие вертикальных арматурных выпусков, которые выступают из расширенной части и необходимы для надежного соединения с бетонным раствором.
ППФ – обозначение типа конструкции (плоская плита фундамента);
9 – ширина плиты в миллиметрах;
45 – высота плиты в сантиметрах.
Высота: от 3,9 до 8,7 м
Ширина: 900, 1200 и 1500 мм
Вес: 2100 кг
Марка бетона: М350
Эти плиты предназначены для использования в сочетании с типовыми стальными колоннами при строительстве производственных зданий и инженерных сооружений с глубокими техническими подвалами, таких как объекты черной металлургии, тяжелое машиностроение и энергетика.
Во время установки плоские плиты располагаются по рабочим сторонам фундамента и служат опалубкой для двух сторон подколонника. На нерабочих сторонах монтируются индустриальные щиты, после чего осуществляется заливка бетона. Благодаря разнообразию высот и ширин, плиты подходят для различных нагрузок от стальных колонн, что позволяет использовать их при реконструкции подземных пространств городов.
Согласно Серии 1.012.1-3.97, маркировка на плоских плитах должна быть четкой и нанесенной на боковую грань. При хранении изделия необходимо сортировать по маркировочным обозначениям, а краска должна быть влагостойкой.
Для изготовления плит используется бетон класса В25, а марки по водонепроницаемости и морозостойкости выбираются в соответствии с СНиП 2.03.01-84, учитывая климатические условия. Формовка осуществляется лицевой стороной вниз, а внутренняя поверхность не заглаживается для улучшения сцепления при монтаже.
Арматурные каркасы изготавливаются из стали классов AI и AIII по ГОСТ 5781-82. Крепление каркаса должно производиться с использованием бетонных фиксаторов, а защитный слой составляет 20 мм.
Плиты хранятся в штабелях на ровной поверхности. При укладке нового слоя необходимо оставлять отступ от уширенной части на 30 см для защиты арматурных штырей. Высота штабеля не должна превышать 1,5 м (до 4 плит). Для погрузки и разгрузки необходимо использовать строповочный трос, закрепленный на крайних петлях.
| Стандарт | серия |
| Номер стандарта | 1.012.1-3.97 |
| Статус | не определен |
| Год выпущенного стандарта | 1998 |
| Название стандарта | Фундаменты сборно-монолитные под стальные колонны производственных зданий и инженерных сооружений. |
| Название | Длина, мм | Ширина, мм | Высота, мм | Вес, кг | Номер стандарта | Цена | |
|---|---|---|---|---|---|---|---|
| 900 | 300 | 8700 | 4050 | 1.012.1-3.97 |
44 763 руб. |
||
| 900 | 300 | 8100 | 3750 | 1.012.1-3.97 |
41 035 руб. |
||
| 900 | 300 | 7500 | 3480 | 1.012.1-3.97 |
38 616 руб. |
||
| 900 | 300 | 6900 | 3200 | 1.012.1-3.97 |
34 984 руб. |
||
| 900 | 300 | 6300 | 2920 | 1.012.1-3.97 |
32 517 руб. |
||
| 900 | 300 | 5700 | 2650 | 1.012.1-3.97 |
28 933 руб. |
||
| 900 | 300 | 5100 | 2380 | 1.012.1-3.97 |
26 511 руб. |
||
| 900 | 300 | 3900 | 1820 | 1.012.1-3.97 |
20 917 руб. |
||
| 1500 | 300 | 8700 | 6650 | 1.012.1-3.97 |
75 600 руб. |
||
| 1500 | 300 | 8100 | 6200 | 1.012.1-3.97 |
69 554 руб. |
||
| 1500 | 300 | 7500 | 5750 | 1.012.1-3.97 |
65 506 руб. |
||
| 1500 | 300 | 6900 | 5300 | 1.012.1-3.97 |
58 480 руб. |
||
| 1500 | 300 | 6300 | 4850 | 1.012.1-3.97 |
54 463 руб. |
||
| 1500 | 300 | 5700 | 4400 | 1.012.1-3.97 |
48 416 руб. |
||
| 1500 | 300 | 5100 | 3950 | 1.012.1-3.97 |
44 394 руб. |
||
| 1500 | 300 | 4500 | 3500 | 1.012.1-3.97 |
38 852 руб. |
||
| 1500 | 300 | 3900 | 3050 | 1.012.1-3.97 |
34 717 руб. |
||
| 1200 | 300 | 8700 | 5350 | 1.012.1-3.97 |
58 494 руб. |
||
| 1200 | 300 | 8100 | 4950 | 1.012.1-3.97 |
53 504 руб. |
||
| 1200 | 300 | 7500 | 4620 | 1.012.1-3.97 |
50 567 руб. |
||
| 1200 | 300 | 6900 | 4250 | 1.012.1-3.97 |
45 723 руб. |
||
| 1200 | 300 | 6300 | 3900 | 1.012.1-3.97 |
42 693 руб. |
||
| 1200 | 300 | 5700 | 3520 | 1.012.1-3.97 |
37 799 руб. |
||
| 1200 | 300 | 5100 | 3180 | 1.012.1-3.97 |
34 818 руб. |
||
| 1200 | 300 | 4500 | 2800 | 1.012.1-3.97 |
30 429 руб. |
||
| 1200 | 300 | 3900 | 2450 | 1.012.1-3.97 |
27 401 руб. |
| Название | Длина, мм | Ширина, мм | Высота, мм | Вес, кг | Номер стандарта | Цена | |
|---|---|---|---|---|---|---|---|
| 900 | 300 | 8700 | 4050 | 1.012.1-3.97 |
44 763 руб. |
||
| 900 | 300 | 8100 | 3750 | 1.012.1-3.97 |
41 035 руб. |
||
| 900 | 300 | 7500 | 3480 | 1.012.1-3.97 |
38 616 руб. |
||
| 900 | 300 | 6900 | 3200 | 1.012.1-3.97 |
34 984 руб. |
||
| 900 | 300 | 6300 | 2920 | 1.012.1-3.97 |
32 517 руб. |
||
| 900 | 300 | 5700 | 2650 | 1.012.1-3.97 |
28 933 руб. |
||
| 900 | 300 | 5100 | 2380 | 1.012.1-3.97 |
26 511 руб. |
||
| 900 | 300 | 3900 | 1820 | 1.012.1-3.97 |
20 917 руб. |
||
| 1500 | 300 | 8700 | 6650 | 1.012.1-3.97 |
75 600 руб. |
||
| 1500 | 300 | 8100 | 6200 | 1.012.1-3.97 |
69 554 руб. |
||
| 1500 | 300 | 7500 | 5750 | 1.012.1-3.97 |
65 506 руб. |
||
| 1500 | 300 | 6900 | 5300 | 1.012.1-3.97 |
58 480 руб. |
||
| 1500 | 300 | 6300 | 4850 | 1.012.1-3.97 |
54 463 руб. |
||
| 1500 | 300 | 5700 | 4400 | 1.012.1-3.97 |
48 416 руб. |
||
| 1500 | 300 | 5100 | 3950 | 1.012.1-3.97 |
44 394 руб. |
||
| 1500 | 300 | 4500 | 3500 | 1.012.1-3.97 |
38 852 руб. |
||
| 1500 | 300 | 3900 | 3050 | 1.012.1-3.97 |
34 717 руб. |
||
| 1200 | 300 | 8700 | 5350 | 1.012.1-3.97 |
58 494 руб. |
||
| 1200 | 300 | 8100 | 4950 | 1.012.1-3.97 |
53 504 руб. |
||
| 1200 | 300 | 7500 | 4620 | 1.012.1-3.97 |
50 567 руб. |
||
| 1200 | 300 | 6900 | 4250 | 1.012.1-3.97 |
45 723 руб. |
||
| 1200 | 300 | 6300 | 3900 | 1.012.1-3.97 |
42 693 руб. |
||
| 1200 | 300 | 5700 | 3520 | 1.012.1-3.97 |
37 799 руб. |
||
| 1200 | 300 | 5100 | 3180 | 1.012.1-3.97 |
34 818 руб. |
||
| 1200 | 300 | 4500 | 2800 | 1.012.1-3.97 |
30 429 руб. |
||
| 1200 | 300 | 3900 | 2450 | 1.012.1-3.97 |
27 401 руб. |
ТД "Еврастрой" предлагает купить Плиты фундаментные ППФ 9-45 по выгодной цене. Наша компания осуществляет доставку продукции по всей территории России и странам СНГ.
В каталоге представлено около 170 тыс. позиций.
По наличию и ценам Мы можем проконсультировать Вас по телефону +7 (343) 300-90-87 или можете отправить запрос на почтовый ящик gbi@gbi22.ru.
Оплатить продукцию можно в рассрочку, для обсуждения вопросов оплаты так же можно обратиться к нашим менеджерам.
Продажа ЖБИ изделий производится с заводов в таких городах как:
Наши менеджеры помогут Вам подобрать оптимальное решения для ваших задач, сориентируют по наличию и ценам, расскажут про оптимальные варианты доставки и оплаты. Звоните +7 (343) 300-90-87
