В вашей корзине ещё нет товаров.
| Цена за 1м3, руб | 18 418 с НДС* |
|
|||||||||
| Количество в квадратом метре, шт | 0,25 | ||||||||
| Нормы погрузки на авто | 5 | ||||||||
| Нормы погрузки ЖД | 17 | ||||||||
| Ссылка на стандарт | https://disk.yandex.ru/d/Dk-hw94aUlJ8ew | ||||||||
| Расход стали, кг | 90,5 |
| Расход стали на 1м3 бетона, кг | 56,56 |
| Класс прочности | В25 |
| Марка бетона | М350 |
| Морозостойкость | F200-F300 |
| Водонепроницаемость | W8-W10 |
| Марка бетона по EN 206-1 | C20/25 |
| Геометрический объем | 1,600 |
| Объем бетона | 1,60 |
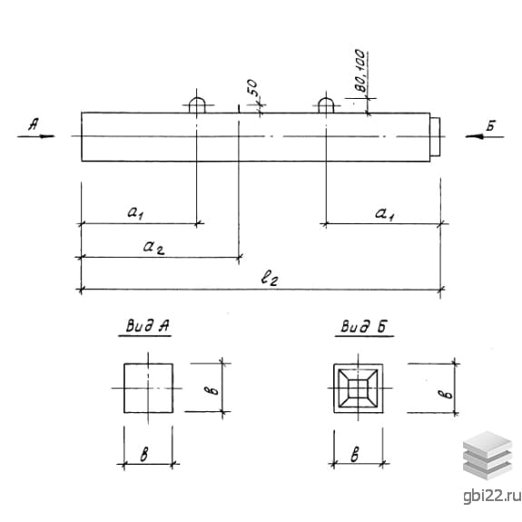
Составные сваи С 100-40 Всв3 – это железобетонные стержни, используемые для создания фундаментов. Конструкция элемента включает две составные балки прямоугольного сечения, одна из которых имеет заостренный конец. Соединение брусков осуществляется с помощью сварного стыка, который выполняется по установленной схеме. Верхняя часть имеет арматурные выпуски и закладные детали.
Маркировка сваи расшифровывается следующим образом:
С – составная свая;
100 – длина в миллиметрах;
40 – поперечное сечение в миллиметрах;
В – верхняя секция;
св – наличие сварного стыка;
3 – тип армирования (диаметр арматуры).
Длина: 10000 мм
Ширина: 400 мм
Высота: 400 мм
Вес: 4000 кг
Объем бетона: 1,58 м?
Геометрический объем: 1,6 м?
Сваи С 100-40 Всв3 предназначены для строительства фундаментов различных зданий и сооружений, а также для электротехнических конструкций. Они идеально подходят для монтажа на слабых и нестабильных грунтах, обеспечивая надежное основание, устойчивое к различным воздействиям.
Погружение сваи осуществляется с помощью виброкопров. Сначала устанавливается нижняя секция, затем привариваются специальные пластины, после чего монтируется верхняя секция. Все операции выполняются строго вертикально. Составные сваи обладают такой же несущей способностью, как и сплошные балки, что делает их надежными даже при коррозии сварного стыка.
Сваи С 100-40 Всв3 проектируются для работы в агрессивной среде, поэтому к качеству бетона предъявляются строгие требования. Класс прочности должен быть не ниже В25, также контролируются морозостойкость, водонепроницаемость и трещиностойкость. Сваи рассчитаны на унифицированную нагрузку в 60 тонн.
Составные сваи С 100-40 Всв3 транспортируются специализированным транспортом. Крупные партии могут перевозиться по железной дороге. При транспортировке необходимо фиксировать изделия и изолировать их друг от друга деревянными досками для предотвращения повреждений бетонной поверхности. Хранение осуществляется штабелями высотой до 2 метров.
| Стандарт | серия |
| Номер стандарта | 1.011.1-10 |
| Статус | не определен |
| Год выпущенного стандарта | 1989 |
| Название стандарта | Сваи забивные железобетонные. |
| Название | Длина, мм | Ширина, мм | Высота, мм | Вес, кг | Номер стандарта | Цена | |
|---|---|---|---|---|---|---|---|
| 9000 | 400 | 400 | 3550 | 1.011.1-7 |
24 282 руб. |
||
| 9000 | 400 | 400 | 3550 | 1.011.1-7 |
23 752 руб. |
||
| 9000 | 350 | 350 | 2700 | 1.011.1-7 |
18 403 руб. |
||
| 9000 | 350 | 350 | 2700 | 1.011.1-7 |
17 989 руб. |
||
| 8000 | 400 | 400 | 3150 | 1.011.1-7 |
20 459 руб. |
||
| 8000 | 400 | 400 | 3150 | 1.011.1-7 |
19 814 руб. |
||
| 8000 | 350 | 350 | 2400 | 1.011.1-7 |
16 468 руб. |
||
| 8000 | 350 | 350 | 2400 | 1.011.1-7 |
16 157 руб. |
||
| 8000 | 300 | 300 | 1780 | 1.011.1-7 |
13 011 руб. |
||
| 8000 | 300 | 300 | 1780 | 1.011.1-7 |
12 908 руб. |
||
| 7000 | 400 | 400 | 2750 | 1.011.1-7 |
17 937 руб. |
||
| 7000 | 400 | 400 | 2750 | 1.011.1-7 |
17 280 руб. |
||
| 7000 | 350 | 350 | 2100 | 1.011.1-7 |
14 419 руб. |
||
| 7000 | 350 | 350 | 2100 | 1.011.1-7 |
14 096 руб. |
||
| 7000 | 300 | 300 | 1550 | 1.011.1-7 |
11 592 руб. |
||
| 7000 | 300 | 300 | 1550 | 1.011.1-7 |
11 315 руб. |
||
| 6000 | 400 | 400 | 2350 | 1.011.1-7 |
15 530 руб. |
||
| 6000 | 400 | 400 | 2350 | 1.011.1-7 |
15 057 руб. |
||
| 6000 | 350 | 350 | 1800 | 1.011.1-7 |
12 484 руб. |
||
| 6000 | 350 | 350 | 1800 | 1.011.1-7 |
12 173 руб. |
||
| 6000 | 300 | 300 | 1330 | 1.011.1-7 |
9 965 руб. |
||
| 6000 | 300 | 300 | 1330 | 1.011.1-7 |
9 712 руб. |
||
| 5000 | 300 | 300 | 1100 | 1.011.1-7 |
8 384 руб. |
||
| 5000 | 300 | 300 | 1100 | 1.011.1-7 |
8 142 руб. |
||
| 4000 | 300 | 300 | 900 | 1.011.1-7 |
6 956 руб. |
||
| 4000 | 300 | 300 | 900 | 1.011.1-7 |
6 714 руб. |
||
| 14000 | 400 | 400 | 5550 | 1.011.1-7 |
42 733 руб. |
||
| 14000 | 400 | 400 | 5550 | 1.011.1-7 |
41 996 руб. |
||
| 13000 | 400 | 400 | 5150 | 1.011.1-7 |
37 170 руб. |
||
| 13000 | 400 | 400 | 5150 | 1.011.1-7 |
36 536 руб. |
||
| 12000 | 400 | 400 | 4750 | 1.011.1-7 |
34 463 руб. |
||
| 12000 | 400 | 400 | 4750 | 1.011.1-7 |
33 841 руб. |
||
| 12000 | 350 | 350 | 3620 | 1.011.1-7 |
24 336 руб. |
||
| 12000 | 350 | 350 | 3620 | 1.011.1-7 |
25 822 руб. |
||
| 11000 | 400 | 400 | 4350 | 1.011.1-7 |
31 515 руб. |
||
| 11000 | 400 | 400 | 4350 | 1.011.1-7 |
30 893 руб. |
||
| 11000 | 350 | 350 | 3320 | 1.011.1-7 |
22 586 руб. |
||
| 11000 | 350 | 350 | 3320 | 1.011.1-7 |
23 761 руб. |
||
| 10000 | 400 | 400 | 3950 | 1.011.1-7 |
26 977 руб. |
||
| 10000 | 400 | 400 | 3950 | 1.011.1-7 |
26 332 руб. |
||
| 10000 | 350 | 350 | 3000 | 1.011.1-7 |
20 430 руб. |
||
| 10000 | 350 | 350 | 3000 | 1.011.1-7 |
20 131 руб. |
||
| 9000 | 400 | 400 | 3550 | 1.011.1-10 |
31 289 руб. |
||
| 9000 | 400 | 400 | 3600 | 1.011.1-10 |
26 366 руб. |
||
| 9000 | 400 | 400 | 3550 | 1.011.1-10 |
24 976 руб. |
||
| 9000 | 350 | 350 | 2700 | 1.011.1-10 |
26 424 руб. |
||
| 9000 | 350 | 350 | 2750 | 1.011.1-10 |
20 166 руб. |
||
| 9000 | 350 | 350 | 2700 | 1.011.1-10 |
18 695 руб. |
||
| 9000 | 300 | 300 | 2020 | 1.011.1-10 |
22 726 руб. |
||
| 9000 | 300 | 300 | 2020 | 1.011.1-10 |
16 229 руб. |
| Название | Длина, мм | Ширина, мм | Высота, мм | Вес, кг | Номер стандарта | Цена | |
|---|---|---|---|---|---|---|---|
| 6000 | 150 | 150 | 340 | 1.011.1-10 |
3 721 руб. |
||
| 5000 | 150 | 150 | 280 | 1.011.1-10 |
3 051 руб. |
||
| 4500 | 150 | 150 | 250 | 1.011.1-10 |
2 727 руб. |
||
| 4000 | 150 | 150 | 220 | 1.011.1-10 |
2 438 руб. |
||
| 3000 | 150 | 150 | 160 | 1.011.1-10 |
1 872 руб. |
||
| 9000 | 300 | 300 | 2050 | 1.011.1-10 |
11 787 руб. |
||
| 9000 | 300 | 300 | 2050 | 1.011.1-10 |
11 880 руб. |
||
| 9000 | 300 | 300 | 2050 | 1.011.1-10 |
11 822 руб. |
||
| 9000 | 300 | 300 | 2050 | 1.011.1-10 |
11 891 руб. |
||
| 9000 | 300 | 300 | 2050 | 1.011.1-10 |
12 283 руб. |
||
| 9000 | 300 | 300 | 2050 | 1.011.1-10 |
12 732 руб. |
||
| 9000 | 300 | 300 | 2050 | 1.011.1-10 |
11 891 руб. |
||
| 9000 | 300 | 300 | 2050 | 1.011.1-10 |
12 283 руб. |
||
| 9000 | 300 | 300 | 2050 | 1.011.1-10 |
12 732 руб. |
||
| 8000 | 300 | 300 | 1830 | 1.011.1-10 |
10 233 руб. |
||
| 8000 | 300 | 300 | 1830 | 1.011.1-10 |
10 314 руб. |
||
| 8000 | 300 | 300 | 1830 | 1.011.1-10 |
10 371 руб. |
||
| 8000 | 300 | 300 | 1830 | 1.011.1-10 |
10 394 руб. |
||
| 8000 | 300 | 300 | 1830 | 1.011.1-10 |
10 705 руб. |
||
| 8000 | 300 | 300 | 1830 | 1.011.1-10 |
11 051 руб. |
||
| 8000 | 300 | 300 | 1830 | 1.011.1-10 |
10 394 руб. |
||
| 8000 | 300 | 300 | 1830 | 1.011.1-10 |
10 705 руб. |
||
| 8000 | 300 | 300 | 1830 | 1.011.1-10 |
11 051 руб. |
||
| 7000 | 300 | 300 | 1600 | 1.011.1-10 |
9 057 руб. |
||
| 7000 | 300 | 300 | 1600 | 1.011.1-10 |
9 127 руб. |
||
| 7000 | 300 | 300 | 1600 | 1.011.1-10 |
9 184 руб. |
||
| 7000 | 300 | 300 | 1600 | 1.011.1-10 |
8 977 руб. |
||
| 7000 | 300 | 300 | 1600 | 1.011.1-10 |
9 196 руб. |
||
| 7000 | 300 | 300 | 1600 | 1.011.1-10 |
9 772 руб. |
||
| 7000 | 300 | 300 | 1600 | 1.011.1-10 |
8 977 руб. |
||
| 7000 | 300 | 300 | 1600 | 1.011.1-10 |
9 196 руб. |
||
| 7000 | 300 | 300 | 1600 | 1.011.1-10 |
9 772 руб. |
||
| 6000 | 300 | 300 | 1380 | 1.011.1-10 |
7 849 руб. |
||
| 6000 | 300 | 300 | 1380 | 1.011.1-10 |
7 906 руб. |
||
| 6000 | 300 | 300 | 1380 | 1.011.1-10 |
7 745 руб. |
||
| 6000 | 300 | 300 | 1380 | 1.011.1-10 |
7 780 руб. |
||
| 6000 | 300 | 300 | 1380 | 1.011.1-10 |
7 964 руб. |
||
| 6000 | 300 | 300 | 1380 | 1.011.1-10 |
8 194 руб. |
||
| 6000 | 300 | 300 | 1380 | 1.011.1-10 |
7 780 руб. |
||
| 6000 | 300 | 300 | 1380 | 1.011.1-10 |
7 964 руб. |
||
| 6000 | 300 | 300 | 1380 | 1.011.1-10 |
8 194 руб. |
||
| 6000 | 250 | 250 | 950 | 1.011.1-10 |
5 467 руб. |
||
| 6000 | 250 | 250 | 950 | 1.011.1-10 |
5 433 руб. |
||
| 6000 | 250 | 250 | 950 | 1.011.1-10 |
5 491 руб. |
||
| 6000 | 250 | 250 | 950 | 1.011.1-10 |
5 629 руб. |
||
| 6000 | 250 | 250 | 950 | 1.011.1-10 |
5 813 руб. |
||
| 6000 | 250 | 250 | 950 | 1.011.1-10 |
5 813 руб. |
||
| 6000 | 250 | 250 | 950 | 1.011.1-10 |
5 629 руб. |
||
| 6000 | 250 | 250 | 950 | 1.011.1-10 |
5 813 руб. |
||
| 6000 | 250 | 250 | 950 | 1.011.1-10 |
5 813 руб. |
ТД "Еврастрой" предлагает купить Сваи составные верхние С 100-40 Всв3 по выгодной цене. Наша компания осуществляет доставку продукции по всей территории России и странам СНГ.
В каталоге представлено около 170 тыс. позиций.
По наличию и ценам Мы можем проконсультировать Вас по телефону +7 (343) 300-90-87 или можете отправить запрос на почтовый ящик gbi@gbi22.ru.
Оплатить продукцию можно в рассрочку, для обсуждения вопросов оплаты так же можно обратиться к нашим менеджерам.
Продажа ЖБИ изделий производится с заводов в таких городах как:
Наши менеджеры помогут Вам подобрать оптимальное решения для ваших задач, сориентируют по наличию и ценам, расскажут про оптимальные варианты доставки и оплаты. Звоните +7 (343) 300-90-87
