Производство, продажа и
поставка ЖБИ по России и СНГ
Навигация
Код товара:
31 980 руб.
цена с НДС*
Цена за 1м3, руб
24 081 с НДС*

серия 1.011.1-10

Краткие характеристики
Длина, мм
11000
Ширина, мм
350
Высота, мм
350
Вес, кг
3320

Все характеристики
Длина, мм
11000
Ширина, мм
350
Высота, мм
350
Вес, кг
3320
Количество в квадратом метре, шт
0,26
Нормы погрузки на авто
6
Нормы погрузки ЖД
20
Ссылка на стандарт
https://disk.yandex.ru/d/Dk-hw94aUlJ8ew
Расход стали, кг
140,4
Расход стали на 1м3 бетона, кг
105,72
Класс прочности
В25
Марка бетона
М350
Морозостойкость
F200-F300
Водонепроницаемость
W8-W10
Марка бетона по EN 206-1
C20/25
Геометрический объем
1,348
Объем бетона
1,33

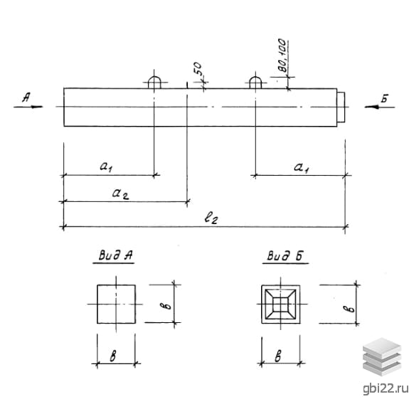
Составные сваи С 110-35 Всв6

Составные сваи С 110-35 Всв6 – это железобетонные стержни, используемые для создания фундаментов. Конструкция включает две составные балки прямоугольного сечения, одна из которых имеет заостренный конец. Соединение элементов осуществляется с помощью сварного стыка, который выполняется по установленной схеме. Верхняя часть имеет арматурные выпуски и закладные детали.

Маркировка изделий

Маркировка сваи расшифровывается следующим образом:

С – составная свая;

110 – длина в миллиметрах;

35 – поперечное сечение в миллиметрах;

В – верхняя секция;

св – наличие сварного стыка;

6 – тип армирования (диаметр арматуры).

Основные характеристики

Длина: 11000 мм

Ширина: 350 мм

Высота: 350 мм

Вес: 3320 кг

Марка бетона: М350

Применение

Сваи С 110-35 Всв6 предназначены для строительства фундаментов различных хозяйственных зданий и сооружений, а также для электротехнических конструкций. Они идеально подходят для монтажа на слабых и нестабильных грунтах, обеспечивая надежное основание, устойчивое к различным воздействиям.

Процесс установки

Погружение сваи осуществляется с помощью виброкопров. Сначала устанавливается нижняя секция, затем привариваются специальные пластины, после чего монтируется верхняя секция. Все операции выполняются строго вертикально. Составные сваи обладают такой же несущей способностью, как и сплошные балки, что делает сварной стык надежным даже при коррозии.

Качество и эксплуатационные характеристики

Сваи С 110-35 Всв6 проектируются для работы в агрессивной среде, поэтому к качеству бетона предъявляются строгие требования. Класс прочности должен быть не ниже В25, также контролируются морозостойкость, водонепроницаемость и трещиностойкость. Сваи рассчитаны на нагрузку до 60 тонн.

Транспортировка и хранение

Составные сваи С 110-35 Всв6 транспортируются специализированным транспортом. Крупные партии могут перевозиться по железной дороге. При транспортировке необходимо фиксировать изделия и изолировать их друг от друга деревянными досками для предотвращения повреждений. Складирование осуществляется штабелями высотой до 2 метров.

Стандарт
серия
Номер стандарта
1.011.1-10
Статус
не определен
Год выпущенного стандарта
1989
Название стандарта
Сваи забивные железобетонные.
Название Длина, ммШирина, ммВысота, ммВес, кгНомер стандарта Цена
900040040035501.011.1-7
24 282 руб.
900040040035501.011.1-7
23 752 руб.
900035035027001.011.1-7
18 403 руб.
900035035027001.011.1-7
17 989 руб.
800040040031501.011.1-7
20 459 руб.
800040040031501.011.1-7
19 814 руб.
800035035024001.011.1-7
16 468 руб.
800035035024001.011.1-7
16 157 руб.
800030030017801.011.1-7
13 011 руб.
800030030017801.011.1-7
12 908 руб.
700040040027501.011.1-7
17 937 руб.
700040040027501.011.1-7
17 280 руб.
700035035021001.011.1-7
14 419 руб.
700035035021001.011.1-7
14 096 руб.
700030030015501.011.1-7
11 592 руб.
700030030015501.011.1-7
11 315 руб.
600040040023501.011.1-7
15 530 руб.
600040040023501.011.1-7
15 057 руб.
600035035018001.011.1-7
12 484 руб.
600035035018001.011.1-7
12 173 руб.
600030030013301.011.1-7
9 965 руб.
600030030013301.011.1-7
9 712 руб.
500030030011001.011.1-7
8 384 руб.
500030030011001.011.1-7
8 142 руб.
40003003009001.011.1-7
6 956 руб.
40003003009001.011.1-7
6 714 руб.
1400040040055501.011.1-7
42 733 руб.
1400040040055501.011.1-7
41 996 руб.
1300040040051501.011.1-7
37 170 руб.
1300040040051501.011.1-7
36 536 руб.
1200040040047501.011.1-7
34 463 руб.
1200040040047501.011.1-7
33 841 руб.
1200035035036201.011.1-7
24 336 руб.
1200035035036201.011.1-7
25 822 руб.
1100040040043501.011.1-7
31 515 руб.
1100040040043501.011.1-7
30 893 руб.
1100035035033201.011.1-7
22 586 руб.
1100035035033201.011.1-7
23 761 руб.
1000040040039501.011.1-7
26 977 руб.
1000040040039501.011.1-7
26 332 руб.
1000035035030001.011.1-7
20 430 руб.
1000035035030001.011.1-7
20 131 руб.
900040040035501.011.1-10
31 289 руб.
900040040036001.011.1-10
26 366 руб.
900040040035501.011.1-10
24 976 руб.
900035035027001.011.1-10
26 424 руб.
900035035027501.011.1-10
20 166 руб.
900035035027001.011.1-10
18 695 руб.
900030030020201.011.1-10
22 726 руб.
900030030020201.011.1-10
16 229 руб.
Полный каталог
Название Длина, ммШирина, ммВысота, ммВес, кгНомер стандарта Цена
60001501503401.011.1-10
3 721 руб.
50001501502801.011.1-10
3 051 руб.
45001501502501.011.1-10
2 727 руб.
40001501502201.011.1-10
2 438 руб.
30001501501601.011.1-10
1 872 руб.
900030030020501.011.1-10
11 787 руб.
900030030020501.011.1-10
11 880 руб.
900030030020501.011.1-10
11 822 руб.
900030030020501.011.1-10
11 891 руб.
900030030020501.011.1-10
12 283 руб.
900030030020501.011.1-10
12 732 руб.
900030030020501.011.1-10
11 891 руб.
900030030020501.011.1-10
12 283 руб.
900030030020501.011.1-10
12 732 руб.
800030030018301.011.1-10
10 233 руб.
800030030018301.011.1-10
10 314 руб.
800030030018301.011.1-10
10 371 руб.
800030030018301.011.1-10
10 394 руб.
800030030018301.011.1-10
10 705 руб.
800030030018301.011.1-10
11 051 руб.
800030030018301.011.1-10
10 394 руб.
800030030018301.011.1-10
10 705 руб.
800030030018301.011.1-10
11 051 руб.
700030030016001.011.1-10
9 057 руб.
700030030016001.011.1-10
9 127 руб.
700030030016001.011.1-10
9 184 руб.
700030030016001.011.1-10
8 977 руб.
700030030016001.011.1-10
9 196 руб.
700030030016001.011.1-10
9 772 руб.
700030030016001.011.1-10
8 977 руб.
700030030016001.011.1-10
9 196 руб.
700030030016001.011.1-10
9 772 руб.
600030030013801.011.1-10
7 849 руб.
600030030013801.011.1-10
7 906 руб.
600030030013801.011.1-10
7 745 руб.
600030030013801.011.1-10
7 780 руб.
600030030013801.011.1-10
7 964 руб.
600030030013801.011.1-10
8 194 руб.
600030030013801.011.1-10
7 780 руб.
600030030013801.011.1-10
7 964 руб.
600030030013801.011.1-10
8 194 руб.
60002502509501.011.1-10
5 467 руб.
60002502509501.011.1-10
5 433 руб.
60002502509501.011.1-10
5 491 руб.
60002502509501.011.1-10
5 629 руб.
60002502509501.011.1-10
5 813 руб.
60002502509501.011.1-10
5 813 руб.
60002502509501.011.1-10
5 629 руб.
60002502509501.011.1-10
5 813 руб.
60002502509501.011.1-10
5 813 руб.

ТД "Еврастрой" предлагает купить Сваи составные верхние С 110-35 Всв6 по выгодной цене. Наша компания осуществляет доставку продукции по всей территории России и странам СНГ.

В каталоге представлено около 170 тыс. позиций.

По наличию и ценам Мы можем проконсультировать Вас по телефону +7 (343) 300-90-87 или можете отправить запрос на почтовый ящик gbi@gbi22.ru.

Оплатить продукцию можно в рассрочку, для обсуждения вопросов оплаты так же можно обратиться к нашим менеджерам.

Продажа ЖБИ изделий производится с заводов в таких городах как:

  • Екатеринбург
  • Тюмень
  • Красноярск
  • Новосибирск
  • Иркутск
  • Ростов-на-дону
  • Нижний Новгород
  • Казань
  • Москва

Наши менеджеры помогут Вам подобрать оптимальное решения для ваших задач, сориентируют по наличию и ценам, расскажут про оптимальные варианты доставки и оплаты. Звоните +7 (343) 300-90-87

31 980 руб.
цена с НДС*
Наличие: нет
шт.
Перейти в корзину

Оформить заказ
Рассрочка
Рассказать друзьям: